Banner
HomeTOCPrevNextGlossSearchHelp

PDF

Table of Contents

Installation Overview

Installation Overview

Installation Overview

This chapter describes the equipment and site requirements for installing the Catalyst 5000 series switch. It includes the power and cabling requirements that must be in place at the installation site and describes additional equipment you will need to complete the installation and the environmental conditions your site must meet to maintain normal operation. Instructions for unpacking the system and additional equipment are provided in the document Unpacking Instructions, which is attached to the outside of the shipping container.

This chapter includes information about the following preinstallation requirements:

Warning Only trained and qualified personnel should be allowed to install or replace the Catalyst 5000 series switch, chassis, power supplies, fan assembly, or switching modules. To see translated versions of this warning, refer to the appendix "Translated Safety Warnings."


Ensuring Safety

The following guidelines will help to ensure your safety and protect the equipment. This list is not inclusive of all potentially hazardous situations that you may be exposed to as you install the switch, so be alert.

Warning Metal objects heat up when connected to power and ground, and can cause serious burns. To see translated versions of this warning, refer to the appendix "Translated Safety Warnings."


Lifting the Chassis Safely

The switch chassis weighs 43 pounds when empty (no switching modules or power supplies installed) and 88 pounds with two power supplies and five interface modules installed. The chassis is not intended to be moved frequently. Before you install the switch, ensure that your site is properly prepared so you can avoid having to move the chassis later to accommodate power sources and network connections.

Two people are required to lift the chassis. Whenever you lift the chassis or any heavy object, follow these guidelines:

Warning Two people are required to lift the chassis. Grasp the chassis underneath the lower edge and lift with both hands. To prevent injury, keep your back straight and lift with your legs, not your back. To prevent damage to the chassis and components, never attempt to lift the chassis with the handles on the power supplies or on the interface processors, or by the plastic panels on the front of the chassis. These handles were not designed to support the weight of the chassis.To see translated versions of this warning, refer to the appendix "Translated Safety Warnings."

fig_13.gif

Figure 2-1 : Unsafe Lifting Practices

h1369.gif


Working Safely with Electricity

The supervisor engine module, switching modules, and redundant (second) power supplies are designed to be removed and replaced while the system is operating without presenting an electrical hazard or damage to the system. Before removing a redundant power supply, ensure that the first supply is powered on.

You must shut down the system before removing or replacing the supervisor engine module or any of the replaceable components inside the front panel---for example, the backplane. Never install equipment that appears to be damaged.

Follow these basic guidelines when working with any electrical equipment:

In addition, use the guidelines that follow when working with any equipment that is disconnected from a power source but still connected to telephone wiring or other network cabling.

fig_15.gif Warning Do not work on the system or connect or disconnect cables during periods of lightning activity. To see translated versions of this warning, refer to the appendix "Translated Safety Warnings."


Preventing Electrostatic Discharge Damage

Electrostatic discharge damage (ESD), which occurs when electronic cards or components are improperly handled, can result in complete or intermittent failures. The supervisor engine module and switching modules each consist of a printed circuit card that is fixed in a metal carrier. Electromagnetic interference (EMI) shielding, connectors, and a handle are integral components of the carrier. Although the metal carrier helps to protect the cards from ESD, use a preventive antistatic strap whenever you handle the supervisor engine module or switching modules. Handle the carriers by the handles and the carrier edges only; never touch the cards or connector pins.

fig_16.gif Caution Always tighten the captive installation screws on the supervisor engine module and switching modules when you are installing them. These screws prevent accidental removal, provide proper grounding for the system, and help to ensure that the bus connectors are properly seated in the backplane.

Following are guidelines for preventing ESD damage:

Figure 2-2 : Placement of ESD Wrist Strap

h2878.gif

Caution For safety, periodically check the resistance value of the antistatic strap. The measurement should be between 1 and 10 megohms (Mohms).


Setting Up the Site

This section discusses the site environment requirements for the switch chassis.

The environmental monitor in the switch protects the system and components from potential damage from overvoltage and overtemperature conditions. To ensure normal operation and avoid unnecessary maintenance, plan your site configuration and prepare your site before installation. After installation, make sure the site maintains an ambient temperature of 32 to 104°F (0 to 40°C) and keep the area around the chassis as free from dust as is practical.

The Catalyst 5000 series switch should be installed in an enclosed, secure area such as a wiring closet. The wiring closet provides security, ensuring that only qualified personnel have access to the switch and control of the environment.


Using AC Power

The 376W, AC-input power supply uses a power factor corrector (PFC) that allows it to operate on input voltage and current within the ranges of 100 to 240 VAC and 47 to 63 Hz.

A second, identical power supply is also present in chassis configured with the redundant power option. Redundant power ensures that power to the chassis continues uninterrupted in the event that one power supply fails. It also provides uninterrupted power in the event one power line fails; the redundant power supply operates only if the power supplies are connected to separate input lines. Table A-1 in the appendix "System Specifications" lists system power specifications including input voltage and operating frequency ranges.

fig_14.gif Warning This product relies on the building's installation for short-circuit (overcurrent) protection. Ensure that a fuse or circuit breaker no larger than 120 VAC, 15A U.S. (240 VAC, 10A international) is used on the phase conductors (all current-carrying conductors). To see translated versions of this warning, refer to the appendix "Translated Safety Warnings."


Note In Germany only---the electrical rating is 140 VAC and 16 A.

fig_2.gif Caution Care must be given to connecting units to the supply circuit so that wiring is not overloaded.

Note the power consumption rating in Table A-1 in the appendix "System Specifications" for each unit before it is connected.

fig_3.gif Warning The power outlet must be installed near the equipment and must be easily accessible. To see translated versions of this warning, refer to the appendix "Translated Safety Warnings."

fig_4.gif Warning This equipment is intended to be grounded. Ensure that the host is connected to earth ground during normal use.To see translated versions of this warning, refer to the appendix "Translated Safety Warnings."


Configuring Plant Wiring

Following are guidelines for setting up the plant wiring and cabling at your site. When planning the location of the new system, consider the distance limitations for signaling, EMI, and connector compatibility.


Considering Electromagnetic Interference

When wires are run for any significant distance in an electromagnetic field, interference can occur between the field and the signals on the wires. This fact has two implications for the construction of plant wiring:

  • Bad plant wiring can result in radio frequency interference (RFI).

  • Strong EMI, especially when it is caused by lightning or radio transmitters, can destroy the signal drivers and receivers in the switch and can even create an electrical hazard by conducting power surges through lines and into equipment. (Review the safety warnings in the section "Working Safely with Electricity" earlier in this chapter.)


Note To predict and remedy strong EMI, you may need to consult experts in RFI.

If wires exceed recommended distances, or if wires pass between buildings, give special consideration to the effect of a lightning strike in your vicinity. The electromagnetic pulse (EMP) caused by lightning or other high-energy phenomena can easily couple enough energy into unshielded conductors to destroy electronic devices. If you have had problems of this sort in the past, you may want to consult experts in electrical surge suppression and shielding.

Most data centers cannot resolve the infrequent but potentially catastrophic problems just described without pulse meters and other special equipment. These problems can cost a great deal of time to identify and resolve, so take precautions by providing a properly grounded and shielded environment, paying special attention to issues of electrical surge suppression.


Limiting Connection Distances

The length of your networks and the distances between connections depend on the type of signal, the signal speed, and the transmission media (the type of cabling used to transmit the signals). For example, fiber-optic cable has a greater channel capacity than twisted-pair cabling. The distance and rate limits in this chapter are the IEEE-recommended maximum speeds and distances for signaling; however, if you understand the electrical problems that may arise and can compensate for them, you should get good results with rates and distances greater than those described here; however, do so at your own risk. The following distance limits are provided as guidelines for planning your network connections before installation.


Setting Up Ethernet and Fast Ethernet Cabling

The maximum distances for Ethernet network segments and connections depend on the type of transmission cable used; for example, unshielded twisted-pair (10BaseT). The term 10BaseT is an abbreviation for 10 Mbps transmission, Baseband medium, and T for twisted pair.

The IEEE recommends a maximum distance of 328 feet (100 meters) between station (connection) and switch for 10BaseT connections using category 3 UTP. See Table 2-1 for maximum cable distances.

Table 2-1 : Ethernet and Fast Ethernet Maximum Transmission Distances

Transceiver Speed Cable Type Duplex Mode Maximum Distance between Stations
10 Mbps Category 3 UTP Full and half 328 feet (100 meters)
10 Mbps Multimode fiber Full and half 1.2 miles (2 km)
100 Mbps Category 5 UTP Full and half 328 feet (100 meters)
100 Mbps Multimode fiber Full 1.2 miles (2 km)
100 Mbps Multimode fiber Half 1,312 feet (400 meters)
100 Mbps Single-mode fiber Full and Half 6.2 miles (10 km)


Setting Up ATM LAN Emulation Cabling

When using Unshielded Twisted Pair Category five cabling (UTP5) for ATM LAN Emulation, the maximum transmission distance is 328 feet (100 meters). The maximum distances for ATM LAN Emulation fiber optic network connections are determined by the transmitter output power, receiver sensitivity, and type of optical source, as shown in Table 2-2.

Table 2-2 : ATM LAN Emulation FIber Optic Maximum Transmission Distances

MultiMode Fiber Single Mode Fiber
Transmitter Output Power: --19 to --14 dBm --14 to --8 dBm
Receiver Sensitivity: --32.5 to --14 dBm -32.5 to --8 dBm
Wavelength: 1270 to 1380 nm 1261 to 1360 nm
Optical Source: LED Laser
Maximum Span: 2 km 10 km


ATM Multimode Power Budgeting

The following is an example of multimode power budget calculations with sufficient power for transmission, based on the following variables:

  • Length of multimode link equals 3 kilometers (km)

  • 4 connectors

  • 3 splices

  • Higher order loss (HOL)

  • Clock recovery module (CRM)

Estimate the power budget as follows:

PB = 11.5 dB -- 3 km (1.0 dB/km) -- 4 (0.5 dB) -- 3 (0.5 dB) -- 0.5 dB (HOL) -- 1 dB (CRM)

PB = 11.5 dB -- 3 dB -- 2 dB -- 1.5 dB -- 0.5 dB -- 1 dB

PB = 2.5 dB

The value of 2.5 dB indicates that this link would have sufficient power for transmission.


ATM Multimode Power Budget Example of Dispersion Limit

Following is an example with the same parameters as the previous example, but with a multimode link distance of 4 km:

PB = 11.5 dB -- 4 km (1.0 dB/km) -- 4 (0.5 dB) -- 3 (0.5 dB) -- 0.5 dB (HOL) -- 1 dB (CRM)

PB = 11.5 dB -- 4 dB -- 2 dB -- 1.5 dB -- 0.5 dB -- 1 dB

PB = 1.5 dB

The value of 1.5 dB indicates that this link would have sufficient power for transmission. However, because of the dispersion limit on the link (4 km x 155.52 MHz > 500 MHz/km), this link would not work with multimode fiber. In this case, single-mode fiber would be the better choice.


Using Statistics to Estimate the Power Budget

Statistical models more accurately determine the power budget than the worst-case method. Determining the link loss with statistical methods requires accurate knowledge of variations in the data link components. Statistical power budget analysis is beyond the scope of this document. For further information, refer to User-Network Interface (UNI) Forum specifications, ITU-T standards, and your equipment specifications.


Note The International Telecommunications Union Telecommunications Standardization Sector (ITU-T) carries out the functions of the former Consultative Committee for International Telegraph and Telephone (CCITT).


For Further Reference

The following publications contain information on determining attenuation and power budget:

  • T1E1.2/92-020R2 ANSI, the Draft American National Standard for Telecommunications entitled "Broadband ISDN Customer Installation Interfaces: Physical Layer Specification"

  • Power Margin Analysis, AT&T Technical Note, TN89-004LWP, May 1989


Approximating the ATM LAN Emulation Switching Module Power Margin

The LED used for a multimode transmission light source creates multiple propagation paths of light, each with a different path length and time requirement to cross the optical fiber, causing signal dispersion (smear). Higher-order mode loss (HOL) results from light from the LED entering the fiber and being radiated into the fiber cladding. A worst-case estimate of power margin (PM) for multimode transmissions assumes minimum transmitter power (PT), maximum link loss (LL), and minimum receiver sensitivity (PR). The worst-case analysis provides a margin of error, although not all the parts of an actual system will operate at the worst-case levels.

See Table 2-3 for maximum cable distances used with the ATM LAN emulation modules.

Table 2-3 : ATM Maximum Transmission Distances

Transceiver Type Maximum Distance between Stations
Single-mode 6.22 miles (10 km)
Multimode 1.2 miles (2 km)
Category 5 UTP 328 feet (100 meters)

The power budget (PB) is the maximum possible amount of power transmitted. The following equations list the calculation of the power budget:

PB = PT -- PR

PB = --18.5 dBm -- 30 dBm

PB = 11.5 dB

The power margin calculation is derived from the power budget and subtracts the link loss, as follows:

PM = PB -- LL

If the power margin is positive, as a rule, the link will work.

Table 2-4 lists the factors that contribute to link loss and the estimate of the link loss value attributable to those factors.

Table 2-4 : Estimating Link Loss

Link Loss Factor Estimate of Link Loss Value
Higher-order mode losses 0.5 dB
Clock recovery module 1 dB
Modal and chromatic dispersion Dependent on fiber and wavelength used
Connector 0.5 dB
Splice 0.5 dB
Fiber attenuation 1 dB/km

After calculating the power budget minus the data link loss, the result should be greater than zero. Results less than zero may have insufficient power to operate the receiver.


Setting Up CDDI and FDDI Cabling

Copper Distributed Data Interface (CDDI) is the implementation of FDDI protocols over STP and UTP cabling. CDDI transceivers transmit over relatively short distances (about 100 feet), providing data rates of 100 Mbps using a dual-ring architecture to provide redundancy.

The CDDI and FDDI standards set the maximum distances between stations to the fiber and cable lengths listed in Table 2-5 and the typical fiber-optic link attenuation and dispersion limits listed in Table 2-6. The maximum circumference of the FDDI network is only half the specified distance because of signal wrapping or loopback during fault correction. The standard allows a maximum of 500 stations. Both single-mode and multimode transceiver types provide 11 dB of optical power.

Table 2-5 : FDDI Maximum Transmission Distances

Transceiver Type Maximum Distance between Stations
Single-mode 18.6 miles (30 km)
Multimode 1.2 miles (2 km)
UTP 328 feet (100 meters)

Table 2-6 : Typical Fiber-Optic Link Attenuation and Dispersion Limits

Single-Mode Multimode
Attenuation 0.5 dB 1.0 dB/km
Dispersion limit No limit 500 MHz/km1

1 The product of bandwidth and distance must be less than 500MHz/km.


Setting Up Serial Cabling

As with all signaling systems, serial signals can travel a limited distance at any given bit rate; generally, the slower the baud rate, the greater the distance. Table 2-7 shows the standard relationship between baud rate and distance for EIA/TIA-232 signals.

Table 2-7 : IEEE Standard EIA/TIA-232 Transmission Speed Versus Distance

Rate (bps) Distance (Feet) Distance (Meters)
2400 200 60
4800 100 30
9600 50 15
19200 25 7.6
38400 12 3.7
56000 8.6 2.6


Preparing Equipment Racks

A standard rack-mount kit is provided for mounting the switch in a standard 19-inch equipment rack. The rack-mount kit is not suitable for use with telco-type equipment racks, or those with obstructions (such as a power strip) that could impair access to the switching modules and power supplies. Figure 2-3 show the chassis footprint and outer dimensions.

Figure 2-3 : Chassis Footprint and Outer Dimensions

h2879.gif

To use the standard rack-mount kit, your equipment rack must meet the following requirements:

  • The width of the rack, between the two front mounting strips or rails, must be 17.75 inches.

  • The depth of the rack, between the front and rear mounting strips, must be at least 19.25 inches but not more than 32 inches.

  • The height of the chassis is approximately 10.4 inches. The rack must have sufficient vertical clearance to insert the chassis.

When planning your rack installation, consider the following guidelines:

  • Allow at least three to four feet of clearance behind the rack for maintenance and removal of switching modules, power supplies, and the fan assembly. If the rack is mobile, you can push it back within one foot of a wall or cabinet for normal operation and pull it out when necessary for maintenance (installing or replacing switching modules or power supplies, or connecting network cables or interface units).

  • The ports for cooling air are located on the front, rear, and both sides of the chassis, so multiple switches can be rack-mounted with little or no vertical clearance. However, avoid placing the switch in an overly congested rack.

  • Consider the equipment and cabling that is already installed in the rack. Ensure that cables from other equipment will not obstruct the airflow through the chassis or impair access to the power supplies or switching modules. Route cables away from field-replaceable components to avoid having to disconnect cables unnecessarily to perform equipment maintenance or upgrades.

  • Install heavier equipment in the lower half of the rack to maintain a low center of gravity.

  • If you plan to use an equipment shelf, ensure that the shelf is constructed to support the weight and dimensions of the chassis. Figure 2-3 shows the chassis footprint, which you will need if you are designing a customized shelf.

    fig_7.gif

Warning To prevent overheating the switch, do not operate it in an area that exceeds the maximum recommended ambient temperature of 104°F (40°C). To prevent airflow restriction, allow at least 3 inches (7.6 cm) of clearance around the ventilation openings. To see translated versions of this warning, refer to the appendix "Translated Safety Warnings."

fig_8.gif Caution Never install the switch in an enclosed rack that is not properly ventilated
or air-conditioned.

fig_9.gif Warning To prevent bodily injury when mounting or servicing the unit in a rack, you must take special precautions to ensure that the system remains stable. The following guidelines are provided to ensure your safety:

  • The unit should be mounted at the bottom of the rack if it is the only unit in the rack.

  • When mounting the unit in a partially filled rack, load the rack from the bottom to the top with the heaviest component at the bottom of the rack.

  • If the rack is provided with stabilizing devices, install the stabilizers before mounting or servicing the unit in the rack.

To see translated versions of this warning, refer to the appendix "Translated Safety Warnings."

In addition to the preceding guidelines, review the precautions for avoiding overtemperature conditions in the section "Ventilating the Equipment-Rack" later in this chapter.


Setting Up the Site Environment

The switch operates as a standalone system mounted in a rack in a secure wiring closet. It requires a dry, clean, well-ventilated, and air-conditioned environment. An internal fan assembly pulls cooling air through the chassis from the rear and right side (intake) to the front and left side (exhaust) when facing the rear of the system. The flow of ambient air must be maintained to ensure normal operation. If the airflow is blocked or restricted, or if the intake air is too warm, an overtemperature condition can occur. Under extreme conditions, the environmental monitor will shut down the system to protect the system components.

To ensure normal operation and avoid unnecessary maintenance, plan your site configuration and prepare your site before installation. After installation, make sure the site maintains an ambient temperature of 0 to 40°C (32 to 104°F) and keep the area around the chassis as free from dust as is practical. For a description of the environmental monitor and status levels, refer to the section "Environmental Monitoring and Reporting" in the chapter "Defining the Catalyst 5000 Series Switch."

If the temperature of the room air drawn into the chassis is higher than desirable, the air temperature inside the chassis may also be too high. This condition can occur when the wiring closet or rack in which the chassis is mounted is not ventilated properly, when the exhaust of one device is placed so it enters the air intake vent of the chassis, or when the chassis is the top unit in an unventilated rack. Any of these conditions can inhibit airflow and create an overtemperature condition.

Multiple switches can be rack-mounted with little or no clearance above and below the chassis. However, when mounting a switch in a rack with other equipment, or when placing it on the floor with other equipment located close by, ensure that the exhaust from other equipment does not blow into the intake vent (lower front panel) of the chassis.

Table 2-8 lists the operating and nonoperating environmental site requirements. To maintain normal operation and ensure high system availability, maintain an ambient temperature and clean power at your site. The following ranges are those within which the switch will continue to operate; however, a measurement that is approaching the minimum or maximum of a range indicates a potential problem. You can maintain normal operation by anticipating and correcting environmental anomalies before they exceed the maximum operating range.

  • Operating temperature range: 32 to 104°F (0 to 40°C).

  • Operating humidity range: 10 to 90%, noncondensing.

  • Airflow: Cooling air is drawn in through the right side of the chassis. Keep the
    right side clear of obstructions, including dust, and away from the exhaust ports of
    other equipment.

Table 2-8 : Specifications for Operating and Nonoperating Environments

Minimum Maximum
Temperature, ambient operating 32°F (0°C) 104°F (40°C)
Temperature, ambient nonoperating and storage --4°F (--20°C) 149°F (65°C)
Humidity (RH), ambient (noncondensing) operating 10% 90%
Humidity (RH), ambient (noncondensing) nonoperating and storage 5% 95%
Altitude, operating and nonoperating Sea level 10,000' (3050 m)
Vibration, operating 5--200 Hz, 0.5 g (1 oct./min.)
Vibration, nonoperating 5--200 Hz, 1 g (1 oct./min.)
200--500 Hz, 2 g (1 oct./min.)


Taking Preventive Site Configuration Measures

Planning a proper location for the switch and the layout of your equipment rack or wiring closet is essential for successful system operation. Equipment placed too close together or inadequately ventilated can cause system overtemperature conditions. In addition, chassis panels made inaccessible by poor equipment placement can make system maintenance difficult. Following are precautions that can help avoid problems during installation and ongoing operation.


Taking General Precautions

Follow these general precautions when planning your equipment locations and connections:

  • The environmental monitor continuously checks the interior chassis environment and provides warnings for high temperature and reports any occurrences. If warning messages are displayed, take immediate action to identify the cause and correct the problem. Use the show system command regularly to check the internal system status. (Refer to the section "Environmental Monitoring and Reporting" in the chapter "Defining the Catalyst 5000 Series Switch.")

  • Keep the front of the chassis free from obstructions and away from the exhaust air of other equipment. Remember that electrical equipment generates heat, and ambient room temperature alone may not be adequate to cool equipment to acceptable operating temperatures.

  • Follow ESD prevention procedures to avoid damage to equipment. Damage from static discharge can cause immediate or intermittent equipment failure.

  • Ensure that the chassis panels, switching modules, and any switching module slot fillers are in place and secure. The fan assembly directs cooling air across the switching modules and forces it out between the switching module faceplates; a loose panel allows too much air to escape and can redirect the airflow away from active switching modules.


Ventilating the Equipment-Rack

If you plan to install the switch in an equipment rack, follow these precautions to avoid overtemperature conditions in addition to the guidelines that are provided in the section "Preparing Equipment Racks" earlier in this chapter:

For a functional description of the environmental monitor and the status levels, refer to the section "Environmental Monitoring and Reporting," in the chapter "Defining the Catalyst 5000 Series Switch."


Planning Power

Take the following precautions when planning power connections to the switch:


Preparing Network Connections

When preparing your site for network connections to the switch, you need to consider a number of factors related to each type of interface:

  • Type of cabling required for each type (fiber, thick, or twisted-pair cabling).

  • Distance limitations for each signal type.

  • Specific cables you need to connect each interface.

  • Any additional interface equipment you need, such as transceivers, modems, channel service units (CSUs), or data service units (DSUs). Before installing the switch, have all additional external equipment and cables on hand. If you intend to build your own cables, refer to the cable pinouts in the appendix "Cabling Specifications."


Configuring Network Cabling Components

The network cabling components shown in Figure 2-4, consist of the following:

  • Network backbone---Supplies a vertical or horizontal connection between floors of the building or between buildings in a campus environment

  • Distribution field---Provides the cross connection between the Ethernet switching module connections and the individual station's wiring

  • Station wiring---Provides the connection from the wiring closet to the modular wall outlets

  • Modular wall outlets---Provide connection to the network

Figure 2-4 : Network Cabling Components

h2975.gif


Configuring Additional and Optional Connection Equipment

You may need some of the following data communications equipment to complete your installation.

  • To install and configure the switch, you need a terminal with an EIA/TIA-232 data terminal equipment (DTE) port and an EIA/TIA-232 data communications equipment (DCE) console cable with DB-25 plugs at one end. You can detach the terminal (and cable) after the installation and configuration procedures are complete.

  • To use an IEEE 802.3 or Ethernet interface (thick-wire or thin-wire) at your installation, you need an Ethernet transceiver and transceiver cable.

  • To use the optical bypass feature available with multimode/multimode FDDI interfaces, you need an optical bypass switch.


Setting Up Ethernet Connection Equipment

You will need an Ethernet cable between the attached device and the switch port. You can use three different Ethernet connectors:

  • RJ-45 male connectors to connect Fast Ethernet. (See Figure 2-5.)

  • 40-pin MII male connectors to connect Fast Ethernet external transceivers. (See Figure 2-6.)

  • Straight tip (ST) type fiber-optic connectors to connect Ethernet. (See Figure 2-7.)

  • Simplex connector (SC) type fiber-optic connectors to connect twelve Fast Ethernet connections. (See Figure 2-8.)

  • RJ-21 Telco DB male connectors to connect twelve 10-Mbps Ethernet connections to punch-down block or patch panel. (See Figure 2-11.)

Figure 2-5 : Fast Ethernet RJ-45 Interface Cable Connectors

fig_10.gif

Figure 2-6 : Fast-Ethernet 40-Pin MII Interface Cable Connectors

h3180.gif

Figure 2-7 : Ethernet Fiber-Optic Connector (ST Type)

h1348a.gif

Figure 2-8 : Multimode Fiber-Optic Fast Ethernet Connector (SC Type)

fig_12.gif

Ethernet transceivers are available from a variety of sources for VTP and multimode fiber-optic cabling (100BaseFX at 100 Mbps). Figure 2-9 and Figure 2-10 show examples of Fast Ethernet transceivers and connection equipment.

Figure 2-9 : Fast Ethernet Fiber Transceivers and Connection Equipment

h5072.gif

When planning your connections, consider the types and locations of connectors on adjacent switching modules to avoid having the transceiver overlap and impair access to other connections.

Figure 2-10 : Fast Ethernet UTP Transceivers and Connecting Equipment

h3041.gif

The two Telco connectors of the 24-port switched 10BaseT module can use both 90o as well as 180o male Telco connectors as illustrated in Figure 2-11 and Figure 2-12. Additional fastenings for the 90o connectors are available by securing Velcro straps around the
90o Telco connectors as illustrated in Figure 4-3 and Figure 4-4. The Group Switching
Ethernet module (10BaseT 48-port) requires 180o male Telco connectors for convenient
wiring access.

Figure 2-11 : Ethernet RJ-25 Telco Interface 90o Cable Connectors

h3028.gif

Figure 2-12 : Ethernet RJ-25 Telco Interface 180o Cable Connectors

h6232.gif

Figure 2-13 shows a typical Ethernet RJ-21 Telco interface 90o connector, and Figure 2-14 shows a typical Ethernet RJ-21 Telco interface 180o connector, each connected to punch-down blocks and individual workstations using RJ-45 modular connections at the wall outlet in the office. Each RJ-21 Telco connection supports 12 attached devices.

Figure 2-13 : Ethernet RJ-21 Telco Interface 90o Cables with Punch-Down Blocks

h2996.gif

Figure 2-14 : Ethernet RJ-21 Telco Interface 180o Cables with Punch-Down Blocks

h6488.gif


Setting Up ATM Connection Equipment

All ATM interfaces are full duplex. You must use the appropriate ATM interface cable to connect the ATM multimode or UTP switching module with an external ATM network.

The ATM LAN emulation switching modules provide an interface to ATM switching fabrics for transmitting and receiving data at rates of up to 155 Mbps bidirectionally; the actual rate is determined by the physical layer interface module (PLIM). The ATM LAN emulation switching module can support PLIMs that connect to the following physical layers:

  • Synchronous Optical Network (SONET) 155-Mbps multimode fiber optic---STS-3C or STM-1

  • SONET 155-Mbps single-mode fiber optic---STS-3C or STM-1

For wide-area networking, ATM is currently being standardized for use in Broadband Integrated Services Digital Networks (BISDNs) by the ITU-T and the American National Standards Institute (ANSI). BISDN supports rates from E3 (34 Mbps) to multiple gigabits per second (Gbps).

The ATM UNI specification defines the required Management Information Base (MIB) functionality for ATM interfaces. Refer to the ATM UNI specification for additional details. ATM UNI information is arranged in a MIB fashion. MIB attributes are readable and writable across the Interim Local Management Interface (ILMI) using Simple Network Management Protocol (SNMP). The ILMI uses SNMP together with the ATM ILMI MIB without User Datagram Protocol (UDP) or Internet Protocol (IP) addressing to provide diagnostics, monitoring, and configuration services at the UNI.

The ATM LAN emulation switching module supports RFC 1213 interface MIBs as specified in the ATM MIB V2 specification.

The ATM interface cable is used to connect the switch to an ATM network or to connect two switches back to back. Cables can be obtained from the following cable vendors:

  • AT&T

  • Siemens

  • Red-Hawk

  • Anixter

  • AMP

For 4B/5B traffic over single-mode or multimode fiber, use the single-mode (SC type) connector (see Figure 2-15) to connect the ATM multimode switching module with the external ATM switch.

Figure 2-15 : Single-Mode Network Interface Connector (SC Type)

h2214.gif


Setting Up CDDI/FDDI Connection Equipment

Fiber-optic transceivers on the FDDI modules provide a direct interface between the switch and the CDDI/FDDI ring. The FDDI modules support multimode transceivers. Multimode transceivers provide a Class A dual attachment interface that can be connected to a Class A or a Class B station. Class A is a dual attachment station (DAS) with primary and secondary rings; Class B is a single attachment station (SAS) with only a primary ring. See the section "Defining the CDDI/FDDI Station" later in this chapter for a detailed description of Class A and Class B stations and of DASs and SASs.


Using FDDI Media

FDDI networks use two types of fiber-optic cable: single-mode (also called monomode) and multimode. Mode refers to the angle at which light rays (signals) are reflected and propagated through the optical-fiber core, which acts as a waveguide for the light signals. Multimode fiber has a relatively thick core (62.5/125-micron) that reflects light rays at many angles. Single-mode fiber has a narrow core (8.7 to 10/125-micron) that allows the light to enter only at a single angle.

Although multimode fiber allows more light signals to enter at a greater variety of angles (modes), the different angles create multiple propagation paths that cause the signals to spread out in time and limit the rate at which data can be accurately received. This distortion does not occur on the single path of the single-mode signal; therefore, single-mode fiber is capable of higher bandwidth and greater cable run distances than multimode fiber. Multimode transmitters usually use LEDs as a light source. Single-mode transmitters use a laser diode, which is capable of sustaining faster data rates. Multimode transmitters use a photodiode detector at the receiver to translate the light signal into electrical signals.


Configuring CDDI Transceivers and Cable Connections

The CDDI transceiver supports distances of up to 330 feet (100.6 m). The CDDI connector is a CDDI-standard physical sublayer (PHY) connector that encodes and decodes the data into a format acceptable for UTP transmission. The CDDI connector accepts RJ-45 connectors with standard UTP cable as shown in Figure 2-16.

Figure 2-16 : CDDI Interface RJ-45 Connector

h1567.gif

Confirm that all existing cables conform with CDDI distance requirements, and ensure that you have the proper connectors (modular RJ-45). Following are cable and distance specifications:

  • Cable---Data-grade UTP wiring; EIA/TIA-568-B, Category 5, data-grade cable is required for CDDI installations.

  • Distance---The total length of data-grade UTP cable from one switch to another switch, station, or CDDI concentrator must not exceed 330 feet (100.6 m), including patch cords and cross-connect jumpers.

When you plan your CDDI installation, remember the following:

  • Use cross-connect (patch) panels that comply with the EIA/TIA-568-B, Category 5 wiring standard.

  • Do not use bridge taps.

  • Do not use protection coils.

  • Do not share services (such as voice and data on the same cable). CDDI uses two of the four pairs in the twisted-pair cable. The remaining two pairs cannot be used for other applications.

  • Do not exceed maximum cable length for CDDI UTP and STP of 330 feet (100 m).


Configuring FDDI Transceivers and Cable Connections

The multimode transceiver supports distances of up to 1.2 miles (2 kilometers). The multimode connector is an FDDI-standard physical sublayer (PHY) connector that encodes and decodes the data into a format acceptable for fiber transmission. The multimode connector accepts standard 62.5/125-micron multimode fiber-optic cable using the MIC and, with proper cable terminators, can accept 50/125 micron fiber-optic cable. Multimode uses the integrated MIC connector, shown in Figure 2-17, at the FDDI modules and the network ends.

Figure 2-17 : Multimode FDDI Network Interface Connector (MIC Type)

h1349a.gif

The single-mode transceivers support distances up to 18.6 miles (30 kilometers). The single-mode connector accepts standard 8.7 or 10/125-micron single-mode fiber-optic cable using ST-type connectors for transmit and receive ports. (See Figure 2-18.)

Figure 2-18 : FDDI Network Interface Connector (ST Type)

fig_5.gif

fig_6.gif Warning Invisible laser radiation may be emitted from the aperture ports of the single-mode FDDI module when no cable is connected. Avoid exposure and do not stare into open apertures. To see translated versions of this warning, refer to the appendix "Translated Safety Warnings."

The FDDI modules provide a control port for an optical bypass switch. The control port allows the light signal to pass directly through the bypass switch and completely bypass the FDDI module transceivers when the interface has failed or is shut down. Most optical bypass switches provide the necessary interface cables for connection to the MIC connectors on the FDDI module. However, not all manufacturers use the same type of DIN connector for the control port; some manufacturers use a DIN, and some use a smaller version, a mini-DIN.


Defining the CDDI/FDDI Station

CDDI/FDDI, which specifies a 100-Mbps, token-passing dual-ring network using fiber-optic transmission media, is defined by the ANSI X3.1 standard and by ISO 9314, the international version of the ANSI standard. An FDDI network consists of two token-passing fiber-optic rings: a primary ring and a secondary ring. A CDDI/FDDI ring consists of two or more point-to-point connections between adjacent stations.

On most FDDI networks, the primary ring is used for data communication, and the secondary ring is used as a backup. Class B, or SASs, attach to one ring and are typically attached through a concentrator which provides connections for multiple SASs; Class A, or DASs, are attached to both rings. Figure 2-19 shows a typical FDDI configuration with both DASs and SASs.

Figure 2-19 : Typical FDDI Configuration with DAS, Concentrator, and SAS

h1553.gif

SASs (Class B) typically attach to the primary ring through a concentrator, which provides connections for multiple SASs. The concentrator ensures that a failure or power down of any SAS does not interrupt the ring. SASs use one transmit port and one receive port to attach to the single ring. DASs (Class A) have two physical ports, designated PHY A and PHY B, each of which connects the station to both the primary and secondary rings. Each port is a receiver for one ring and a transmitter for the other. For example, PHY A receives traffic from the primary ring, and PHY B transmits to the primary ring.

The dual rings in a CDDI/FDDI network provide fault tolerance. If a station on a dual ring shuts down or fails, such as Station 3 in Figure 2-20, the ring automatically wraps (doubles back on itself) to form a single contiguous ring. This removes the failed station from the ring, but allows the other stations to continue operation. In Figure 2-20, the ring wraps to eliminate Station 3 and forms a smaller ring that includes only Stations 1, 2, and 4.

Figure 2-20 : DAS Station Failure and Ring Recovery Example

h1589.gif

A second failure could cause the ring to wrap in both directions from the point of failure, which would segment the ring into two separate rings that could not communicate with each other. For example, if Station 1 in Figure 2-20 fails after Station 3 fails, Stations 2 and 4 will each be isolated because no path for communication exists between them. Subsequent failures cause additional segmentation.


Note Each station in a ring refers to its neighbor stations as upstream or downstream neighbors. The stream is based on the signal flow on the primary ring. A station receives the primary signal from its upstream neighbor and transmits the primary signal to its downstream neighbor. For example, Figure 2-20 shows the primary signal flow being transmitted from PHY B on Station 2 to PHY A on Station 1 and from PHY B on Station 1 to PHY A on Station 4. Using Station 1 as a reference, Station 2 is the upstream neighbor of Station 1, and Station 4 is the downstream neighbor of Station 1.


Using the Optical Bypass Switch

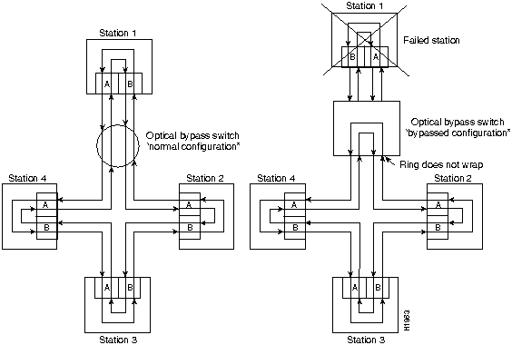
Optical bypass switches avoid segmentation by eliminating failed stations from the ring. During normal operation, an optical bypass switch allows the light signal to pass uninterrupted directly through itself. When a station with a bypass switch fails, the bypass switch reroutes the signal back onto the ring before it reaches the failed station, so the ring does not have to wrap back on itself.

Figure 2-21 shows an optical bypass switch installed at Station 1. In the normal configuration shown, Station 1 is functioning normally, so the optical bypass switch appears transparent. The switch essentially allows the signals to pass through it without interruption. However, if Station 1 fails, the optical bypass switch enables the bypassed configuration shown on the right in Figure 2-21.

Figure 2-21 : Optical Bypass Operation on a DAS

h1863.gif

The bypass switch reroutes the light signal by intercepting it before it reaches the failed Station 1 and sends it back out to the ring. This allows the signal to maintain its existing path and direction without wrapping back on itself. However, stations that are operating normally repeat the signal when sending it back out to the ring. Optical bypass switches
do not repeat or drive the signal (they just allow the signal to pass through them), so significant signal loss can occur when the downstream neighbor (the next station on the ring) is far away.

Another technique for fault tolerance is dual homing, whereby critical devices are attached to two concentrators. Only the designated primary concentrator is active unless it (or its link) fails. If the primary switch does fail, the backup (passive) link is activated automatically and sustains the ring.


Configuring EIA/TIA-232 Connections

EIA/TIA-232, the most common interface standard in the U.S., supports unbalanced circuits at signal speeds up to 64 kbps. The supervisor engine module console connection is a standard 25-pin D-shell connector (known as a DB-25) that is commonly used for EIA/TIA-232 connections. Figure 2-22 shows the connectors at the local end of the adapter cable. The system console port on the supervisor engine module EIA/TIA-232 connection supports only asynchronous connection. For further information on the console port, refer to the section "Using Console Port Connection Equipment."

When connecting serial devices, consider the adapter cables as an extension of the switch for external connections; therefore, use DTE cables to connect the switch to remote DCE devices such as modems or data service units (DSUs), and use DCE cables to connect the switch to remote DTE devices such as a host or PC. (See Figure 2-22.)

Figure 2-22 : EIA/TIA-232 Adapter Cable Connectors, Network End

h1343.gif


Using Console Port Connection Equipment

The supervisor engine module contains an EIA/TIA-232 asynchronous console port (DB-25 receptacle). Synchronous transmission uses precise timing to synchronize transmissions between the transmitter and receiver, and maintains separate clock and data signals. Asynchronous transmission uses control bits instead of a precise clock signal to indicate the beginning and end of characters.

When connecting a serial device, consider the cable as an extension of the switch for an external connection; therefore, use null-modem cable to connect the switch to a remote DCE device such as a modem or data service unit (DSU), and use a straight-through cable to connect the switch to a DTE device such as a terminal or PC.

You will need a terminal to configure the interfaces and bring up the system. You will also need an EIA/TIA-232 DCE console cable to connect the terminal to the console port on the supervisor engine module. After you establish normal operation, you can disconnect the terminal. Both ends of the console cable should be EIA/TIA-232 plugs to enable you to connect to the supervisor engine module DCE console port DB-25 receptacle and to the DB-25 receptacles used on the DTE ports on most terminals.

Before you connect a terminal to the console port, configure the terminal to match the switch console port, as follows:

  • 9600 baud

  • 8 data bits

  • No parity

  • 1 stop bit


Verifying the Installation Checklist

Refer to the section "Switch Installation Checklists" (see Figure B-1) in the appendix "Configuration Worksheets" to assist you with your installation and to provide a historical record of what was done, by whom, and when. Make a copy of this checklist and indicate when each procedure or verification is completed. When the checklist is completed, place it in your Site Log (see Figure B-27) along with the other records for your new switch.


Unpacking and Repacking the System

Unpacking instructions are provided in the document Unpacking Instructions, which is attached to the outside of the shipping container; you should have already read that document and followed the procedures to unpack your Catalyst 5000 series switch. Proceed to the next section "Checking the Contents" to verify that you have received everything.


Note Do not discard the shipping container when you have unpacked the switch. Flatten the shipping cartons and store them with the pallet. You will need these containers if you need to move or ship the switch in the future.


Checking the Contents

Refer to the section "Switch Installation Checklists" in the appendix "Configuration Worksheets" to check the contents of the shipping container. Use the Switch Installation Checklists to create a record of your order and to ensure that you received all the components you ordered.

Take the following steps to check the contents of your Catalyst 5000 series switch package:

Step 1 Check the contents of the accessories box against the "Switch Checklists" and the packing slip and verify that you received all listed equipment, which should include the following:

  • Switch hardware and software documentation, if ordered

  • Optional equipment that you ordered, such as network interface cables, transceivers, or special connectors

Step 2 Check the switching modules in each slot. Ensure that the configuration matches the packing list and that all the interfaces are included.

Step 3 Complete the Port Configuration Worksheet described in the section "Port Configuration Worksheets" in the appendix "Configuration Worksheets." Check the switching modules in the rear of the chassis and record the interface type
for each populated interface address. You may need to refer to this worksheet
during installation.

Step 4 Refer to the section "Site Log" in the appendix "Configuration Worksheets" and then proceed to the chapter "Rack-Mounting Instructions" to begin installation.


Verifying System Components

Refer to the sections "Switch Installation Checklists" and "Switch Checklists" that lists all standard components that are included with the switch, along with optional equipment available, in the appendix "Configuration Worksheets." Check each item on the Component List as you unpack and verify it. Insert the completed checklist into the Site Log (described in the section "Switch Installation Checklists" in the appendix "Configuration Worksheets").


Repacking the System

In the event you need to return or move the Catalyst 5000 series switch, the following instructions describe repacking the switch using the original packaging material:

Step 1 Set the Catalyst 5000 series switch in the bottom pallet. (See Figure 2-23.)

Figure 2-23 : Catalyst 5000 Packing Material

h3106.gif

Step 2 Place the top packing material over the top of the Catalyst 5000 series switch.

Step 3 Place both accessory boxes on the top packing material.

Step 4 Place the outside carton over the entire package.

Step 5 Fold the outside carton down over the top of the accessory boxes and seal with packing tape.

Step 6 Wrap two packaging straps tightly around the top and bottom of the package to hold the outside carton and the bottom pallet together. (See Figure 2-24.)

Figure 2-24 : Catalyst 5000 Series Switch Final Package

h3107.gif


Note Do not use tape to hold the outside carton to the bottom pallet. Packaging straps must be added to hold the entire package together and to add strength to the package.

HomeTOCPrevNextGlossSearchHelp
-

Copyright 1988-1996 © Cisco Systems Inc.