The chassis can be equipped with one 600W, DC-input power supply, which rests on the interior chassis floor, operates on DC input, and provides DC output voltages to the system components. (See Figure 1.) This power supply completely replaces the AC-input power supply, which is also available for these chassis. The DC-input power supply is used where isolated DC power sources are desirable.
The interface processor end of the power supply contains the DC-input terminal block and the system power on/off switch, both of which are part of the power supply. (See Figure 2.) The front, or noninterface processor end, of the chassis has a removable panel that provides access to the DC-input power supply. Two captive slotted fasteners secure the panel to the chassis.
On the noninterface processor end of the power supply, two handles provide grip points for pulling the power supply out of the chassis. Two Phillips screws secure the power supply to the chassis interior. Inside the power supply, two small fans draw cooling air through the power supply interior. The air flows in one side of the supply and out the other side, following the same direction as the chassis cooling air.
Note For the procedures in this publication, the Cisco 7010 and Cisco 7505 chassis are functionally the same.
The DC-input power supply delivers DC power to the internal components through a wiring harness that plugs into a polarized receptacle on the noninterface processor side of the backplane. An aluminum cover shields the harness and power connection. The backplane then distributes the DC voltages to the fan tray, arbiter, and interface processor bus connectors.
Two power cable leads connect the power supply to the site DC power source. The rocker-type on/off switch turns the power supply on and starts the system.
The green DC OK LED indicates the status of the power supply and internal DC voltages. The DC OK LED stays on when the power supply is on and receiving DC source power, providing +5, ±12, and +24 VDC to internal components, and all internal DC voltages are within tolerance.
Figure 2 : DC-Input Power Supply (Terminal Block Cover Removed)
If the DC source power or any of the internal DC voltages exceeds allowable tolerances, the DC OK LED goes off and the system environmental monitor messages indicate the line that is out of tolerance. Because the Route Processor (RP) (which uses +5 and ± 12 VDC), and the fan tray (which uses +24 VDC) are both required for operation, the system will probably shut down if any of the four internal DC voltages reach an out-of-tolerance state.
In addition to the environmental monitoring performed by the system software, the power supply monitors its own temperature and internal voltages. If the supply detects an overvoltage or overtemperature condition, it shuts down to avoid damage to the power supply or other system components.
If the power supply shuts down, wait for the supply to cool, then turn the power switch off (O), then on (|). Table 1 lists the power specifications for the 600W, DC-input power supply.
Table 1 : 600W, DC-Input Power Supply Specifications
| DC-input voltage
|
--40 volts DC (VDC) minimum in North America (--56V in the European Community)
--48 VDC nominal in North America (--60V in the European Community)
--52 VDC maximum in North America (--72V in the European Community)
20A maximum at --48 VDC and 16A maximum @ --60 VDC
|
| DC voltages supplied and maximum, steady-state current ratings
|
+5.2 VDC @ 75 amps (A)
+12 VDC @ 15A
--12 VDC @ 3A
+24 VDC @ 5A
|
| DC-input hold-up time
|
10 milliseconds (ms) of output after the DC input has been interrupted
|
| Input power requirement
|
1000 watts (W)
|
| Power output
|
600 W maximum
|
Heat dissipation
and temperature range
|
1024 Btu/hr (300 W)
32 to 104°F (0 to 40°C) (operating)
|
| Weight
|
12 pounds (5.44 kilograms)
|
| Wire gauge for power cable
|
10 AWG (American Wire Gauge) minimum
|
Prerequisites
Before you begin this installation, review the safety guidelines in this section to avoid injuring yourself or damaging the equipment. This section also discusses ESD prevention guidelines and provides a list of the tools that you need to perform this replacement.
Safety Guidelines
When working with any electrical equipment, the following guidelines will help to ensure your safety and protect the equipment. This list does not include all potentially hazardous situations, so be alert.
- Never try to lift an object that is too heavy for you to lift safely alone.
- Keep tools and chassis components away from walk areas.
- Do not work alone if potentially hazardous conditions exist.
- Do not wear loose clothing, jewelry (including rings and chains), or other items that could get caught in the chassis. Fasten your tie or scarf and roll up your sleeves.
- Never install equipment that looks damaged.
- Before beginning any procedures requiring access to the chassis interior, locate the emergency power-off switch for the room in which you are working.
- Disconnect all power and external cables before moving a chassis.
- Never assume that power is disconnected from a circuit; always check.
- Do not perform any action that creates a potential hazard to people or makes the equipment unsafe.
- Carefully examine your work area for possible hazards such as moist floors, ungrounded power extension cables, and missing safety grounds.
In addition, use the guidelines that follow when working with any equipment that is connected to telephone wiring or other network cabling:
- Never install telephone wiring during a lightning storm.
- Never install telephone jacks in wet locations unless the jack is specifically designed for wet locations.
- Never touch uninsulated telephone wires or terminals unless the telephone line is disconnected at the network interface.
- Use caution when installing or modifying telephone lines.
Opening the chassis and removing the power harness cover exposes the power distribution wiring on the backplane. If the power is not shut down, the high current present on the backplane becomes a hazard. Also, removing the cover compromises the electromagnetic interference (EMI) integrity of the system. Therefore, always make sure that the system power switch is turned off before removing the chassis cover panel or replacing any internal components.
Preventing Electrostatic Discharge Damage
Electrostatic discharge (ESD) damage, which can occur when electronic boards or components are handled improperly, can result in complete or intermittent failures. The RP, SP (or SSP), and interface processors each comprise a printed circuit board that is fixed in a metal carrier. EMI shielding, connectors, and a handle are integral components of the carrier. However, the fan control board is a printed circuit board that is not intended for handling and has no frame or shielding. Handle a processor module or fan tray by the metal frame or carrier only; avoid touching the board (particularly avoid touching any components, traces, or the metal fingers on the edge connector).
Following are guidelines for preventing ESD damage:
- Always use an ESD-preventive wrist strap or ankle strap and ensure that it makes good skin contact.
- When removing or installing a fan tray, connect the equipment end of a ground strap to an unpainted surface of the chassis, such as a handle on the power supply.
- When removing or installing a power supply, connect the equipment end of a ground strap to the chassis ground screw on the interface processor end of the chassis, or to an unpainted surface inside the noninterface processor end of the chassis, such as the chassis frame.
- Handle printed circuit boards, such as the arbiter, by the edges only; avoid touching the board components, traces, or connector pins.
- Place removed printed circuit boards or components that contain boards on an antistatic surface or in a static shielding bag. Place a removed board component-side-up; place a removed processor module or fan tray board-side-up.
- If you are returning a replaced part to the factory, immediately place it in a static shielding bag to avoid ESD damage to the board.
- Avoid contact between the board and clothing. The wrist strap only protects the board from ESD voltages on the body; ESD voltages on clothing can still cause damage.
Warning For safety, periodically check the resistance value of the antistatic strap. The measurement should be between 1 and 10 megohm.
Tools Required
This section lists the tools you will need to complete these replacement procedures.
Have the following tools available so that you can complete the replacement without interruption:
- 3/16-inch flat-blade screwdriver to loosen the captive screws on the chassis cover panel
- Number 1 Phillips screwdriver to remove the M3 Phillips screw on the power harness cover (you must remove the power harness cover to replace the power supply)
- Number 2 Phillips screwdriver to remove the M4 Phillips screw on the power supply
- Antistatic mat or antistatic foam pad for the fan tray
- Your own ESD grounding strap or the disposable ESD-preventive strap that is included with all spares
If the chassis is mounted in an equipment rack, ensure that there is at least 1 foot of clearance at the noninterface processor end to remove the power supply or fan tray, both of which you must pull straight out of the chassis. If a power strip or other equipment obstructs access, you must remove the chassis from the rack before replacing the component.
Refer to the Cisco 7010 Hardware Installation and Maintenance or Cisco 7505 Hardware Installation and Maintenance publications for the tools you will need and descriptions of the rack mounting hardware.
Power Supply Replacement
To access the power supply, you must remove the chassis cover panel and expose the chassis interior. Two captive slotted screws secure the cover panel to the chassis.
The power supply rests on the floor of the chassis, under the card cage and backplane. Two M4 Phillips screws secure the power supply to the interior chassis frame. The power harness cover shields the power harness, which carries DC voltages from the power supply to a polarized connector on the backplane. Because the power harness cover straddles both the power supply and backplane cover, you must remove it to access the power supply. A tab at the bottom of the power harness cover fits into a slot in the chassis floor; a single Phillips screw secures the top of the power harness cover to the backplane cover. To remove the power supply, you need to disconnect the DC-input power cable, remove the power harness cover, disconnect the power harness from the backplane, and remove the two M4 Phillips screws. The noninterface processor end of the power supply has handles for pulling the supply out of the chassis.
Removing and Replacing the Chassis Cover Panel
The two captive slotted screws are the only fasteners on the cover panel. Five shallow tabs at the bottom edge of the panel fit into slots at the base of the chassis opening. The tabs act as a pivot point for pulling the top of the panel away from the chassis opening, and as guides to align the panel when replacing it.
Follow these steps to remove and replace the chassis cover panel:
Step 1 Turn OFF (O) power to the chassis, turn OFF the source power, and disconnect the power cable at the DC power source. You can leave the ground cable connected.
Warning Before conducting any of the following procedures, and to prevent short-circuit or shock hazards, ensure that power is removed from the DC circuit. To ensure that all power is OFF, locate the circuit breaker on the panel board that services the DC circuit, switch the circuit breaker to the OFF position, and tape the switch handle of the circuit breaker in the OFF position.
Step 2 On the front of the cover panel, use a 3/16-inch, flat-blade screwdriver to loosen the two captive screws. (See Figure 3.)
Figure 3 : Removing and Replacing the Chassis Cover Panel
Step 3 Pull the top of the panel out about three inches, then grasp the sides of the panel and pull it up and away from the chassis.
Step 4 To replace the cover panel, hold the sides of the panel with both hands and tilt the top of the panel back slightly (toward you).
Step 5 Slide the guide tabs into the slots in the bottom edge of the chassis. (See Figure 3.)
Step 6 Using the guides as a pivot point, push the top half of the panel back toward the chassis opening until the panel is flush with the edges of the chassis.
Step 7 Hold the top front of the panel in place, if necessary, while you tighten the two captive slotted screws with a 3/16-inch, flat-blade screwdriver.
The chassis cover panel removal and replacement procedure is now complete.
Replacing the Power Supply
You must remove the power harness cover and disconnect the power harness from the backplane receptacle before you can remove the power supply. A single M3 Phillips screw secures the power harness cover to the backplane cover. To remove the power supply, you will remove the two M4 Phillips screws that secure the power supply ears to the chassis frame.
Removing the Power Harness Cover and Power Supply
Follow these steps to remove the terminal block cover, power cable leads, power harness cover, and power supply. You will need a medium flat-blade screwdriver, number 1 and number 2 Phillips screwdrivers, one or two 6-inch nylon cable ties, and a small wire cutter.
Step 1 To open the chassis, follow Step 1 through Step 3 in the section "Removing and Replacing the Chassis Cover Panel" on page 6.
Warning Before conducting any of the following procedures, and to prevent short-circuit or shock hazards, ensure that power is removed from the DC circuit. To ensure that all power is OFF, locate the circuit breaker on the panel board that services the DC circuit, switch the circuit breaker to the OFF position, and tape the switch handle of the circuit breaker in the OFF position.
Step 2 Loosen the two captive screws that secure the terminal block cover. (See Figure 4a.)
Step 3 Pull the terminal block cover away from the terminal block by feeding the return (RTN) and --48V wires through the large hole in the cover. (See Figure 4b.) Do not strain the connections at the terminal block.
Step 4 Cut the nylon cable tie that secures the cable leads to the terminal block cover. (See Figure 4b.) Do not cut the wires.
Step 5 Remove the RTN and --48V leads from the terminal block. Note the color coding for reinstallation. (See Figure 4d.) Leave the ground cable connected to the ground terminal.
Note Selection of the color code for the power cable leads depends on the color code of the DC power source at your site. Typically, green or green/yellow is used for ground, black is used for RTN, and red or white are used for --48V. No matter which color coding is used, make certain it matches that used at the DC source.
Figure 4 : Removing and Replacing the Terminal Block Cover and Power Cable Leads
Step 6 Use a number 1 Phillips screwdriver to remove the M3 screw that secures the harness cover to the backplane. (See Figure 5.)
Figure 5 : Removing and Replacing the Power Harness Cover
Step 7 Holding the cover with one hand, tilt the top of the cover back toward you, then pull it up slightly so that the tab clears the slot in the chassis floor.
Step 8 When the tab clears the slot, pull the cover straight back OFF the harness and out of the chassis.
Step 9 Disconnect the power harness plug from the backplane receptacle by pulling the polarized plug out of the receptacle; do not pull on the wires. (See Figure 6a on page 11.)
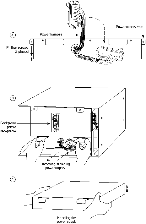
Step 10 Use a number 2 Phillips screwdriver to remove the two M4 Phillips panhead screws that secure the power supply ears (one on each side of the power supply) to the chassis frame. (See Figure 6a on page 11.)
Step 11 Using both hands, grasp both of the power supply handles and pull the power supply about halfway out of the bay (see Figure 6b on page 11), then grab the sides of the supply and pull it out of the chassis. (See Figure 6c page 11.)
The power supply removal procedure is complete. Proceed to the next section to install the new power supply and replace the power harness cover.
Figure 6 : Removing and Replacing the Power Supply and Harness Cover
Caution To prevent damaging the power wires, disconnect the power harness by pulling on the connector plug; do not pull or tug on the harness wires.
Replacing the Power Supply and Power Harness Cover
Follow these steps to remove the power harness cover and power supply. You will need a number 2 Phillips screwdriver.
Note The installation must comply with the 1993 National Electrical Code and other applicable codes.
Step 1 Ensure that the power switch on the new power supply is in the OFF (O) position and that the terminal block cover is not installed on the new power supply.
Step 2 Hold the supply as shown in Figure 6c on page 11 and slide it into the bottom of the chassis. Use the handles to push the supply all the way into the chassis until the ears on both sides are flush against the chassis frame.
Step 3 Use a number 2 Phillips screwdriver to replace the two M4 Phillips panhead screws to secure the two power supply ears to the chassis frame.
Step 4 Reconnect the power harness plug to the backplane receptacle. The harness plug and backplane receptacle are polarized with notches at the top of both guide tabs (top and bottom) on the plug. Ensure that the plug is fully seated in the receptacle.
Step 5 To replace the power harness cover, hold the cover with one hand, with the tab on the bottom and the open side facing away from you. Tilt the top of the panel back slightly (toward you) and insert the tab on the bottom of the cover into the slot in the chassis floor. (See Figure 5 on page 9.)
Step 6 While pushing the cover downward slightly to keep the bottom tab in the slot, push the top of the cover back over the harness wires until the sides are flush against the backplane cover. Ensure that all of the harness wires are under the cover.
Step 7 Insert the M3 screw through the top of the harness cover and use a number 1 Phillips screwdriver to tighten it.
Step 8 Feed a sufficient length of the RTN and --48V wires (approximately three inches) away from you and through the large hole in the terminal block cover, before attaching the leads to the terminal block.
Step 9 Reattach and tighten the RTN and --48V leads to the terminal block. (See Figure 4d on page 9.) Verify that you are connecting the appropriate leads to the correct terminal block posts.
Warning Incorrectly wiring the terminal block could create a shock hazard and could damage the power supply, power source, and chassis components. Make certain there are no loose strands that could cause a short circuit of the power supply and power source.
Step 10 Using a nylon cable tie that you provide, fasten the RTN and --48V leads to the terminal block cover, as shown in Figure 4c on page 9. Insert the nylon cable tie through the small hole at the bottom of the terminal block cover and around the two leads.
Step 11 Bundle the RTN and --48V wires behind the terminal block cover so that the cover fits over the wires and the terminal block. (See Figure 4b on page 9.) Take care not to strain the leads on the terminal block or crimp the wires behind the cover.
Step 12 If you removed the ground wire, reattach it now. (See Figure 4d on page 9.)
Step 13 Tighten the captive screws on the terminal block cover. (See Figure 4a on page 9.)
Warning To prevent a short-circuit or shock hazard after wiring the DC-input power supply, replace the terminal block cover.
Step 14 To replace the chassis cover panel, follow Steps 4 through 7 in the section "Removing and Replacing the Chassis Cover Panel" on page 6.
This completes the new power supply installation.
To restart the system, connect the three DC-input power cable leads to the DC power source, turn on power to the chassis, and check the installation by proceeding to the following section,"Checking the Installation."
Checking the Installation
To complete the installation perform the following steps to verify that the new component is installed correctly and functioning properly. These steps will also help you verify that all the active components that you removed or disconnected as part of this replacement procedure are returned to their previous state, when all router components (except the power supply you replaced) were operating properly.
Step 1 Before you turn the system power switch back ON, first ensure the following:
- The DC-input power cable is attached to the terminal block and the terminal block cover is installed.
- The power cable is properly connected to the DC power source.
- The nylon cable tie is installed as strain relief.
- The tape (that you applied earlier) is removed from the circuit breaker switch handle and power is restored by moving the circuit breaker handle to the on position.
Step 2 Turn ON (|) the chassis power.
Step 3 About 10 seconds after you turn ON the power, verify that the normal LED on the RP or RSP1 goes on, which indicates that the system software booted successfully. If it does go on, proceed to the next step. If it does not go on, do the following:
- Check the ejector levers and captive installation screws on the processor modules. If any appear loose, use the ejector levers to reseat the processor, then tighten the captive installation screws to secure it. Turn the power OFF and back ON again.
- While the system starts up, observe the behavior of the LEDs on the RP or RSP1 (so that you can report the behavior to a service representative if you need to call for technical assistance). If the RP or RSP1 normal LED still remains off, note whether the boot fail LED (on the RP) or CPU halt LED (on the RSP1) go on, and contact a service representative for further instructions.
Step 4 After the system initializes, use the various show environment commands to display the status of the power supply, and ensure that it is operating within normal specifications. (For descriptions and examples of these commands, refer to the section "Prerequisites" on page 4.)
Timesaver For the Cisco 7010, the system can identify which type of power supplies are in your chassis: DC-input or AC-input. As a general precaution, use the show environment all command and note the type of power supply indicated in each of your chassis (indicated as either "600W DC" or "600W AC"). Record and save this information in a secure place.
The power supply replacement procedures are complete.
Cisco Information Online
Cisco Information Online (CIO) is Cisco Systems' primary, real-time support channel. Maintenance customers and partners can self-register on CIO to obtain additional content and services.
Available 24 hours a day, 7 days a week, CIO provides a wealth of standard and value-added services to Cisco's customers and business partners. CIO services include product information, software updates, release notes, technical tips, the Bug Navigator, configuration notes, brochures, descriptions of service offerings, and download access to public and authorized files.
CIO serves a wide variety of users through two interfaces that are updated and enhanced simultaneously---a character-based version and a multimedia version that resides on the World Wide Web (WWW). The character-based CIO (called "CIO Classic") supports Zmodem, Kermit, Xmodem, FTP, Internet e-mail, and fax download options, and is excellent for quick access to information over lower bandwidths. The WWW version of CIO provides richly formatted documents with photographs, figures, graphics, and video, as well as hyperlinks to related information.
You can access CIO in the following ways:
- WWW:
http://www.cisco.com
- Telnet:
cio.cisco.com
- Modem: From North America, 408 526-8070; from Europe, 33 1 64 46 40 82. Use the following terminal settings: VT100 emulation; data bits: 8; parity: none; stop bits: 1; and baud rates up to 14.4 kbps.
For a copy of CIO's Frequently Asked Questions (FAQ), contact
ciohelp@cisco.com.
For additional information, contact
cioteam@cisco.com.
Note If you are a network administrator and need personal technical assistance with a Cisco product that is under warranty or covered by a maintenance contract, contact Cisco's Technical Assistance Center (TAC) at 800 553-2447, 408 526-7209, or
tac@cisco.com.
To obtain general information about Cisco Systems, Cisco products, or upgrades, contact 800 553-6387, 408 526-7208, or
csrep@cisco.com.
Copyright 1988-1996 © Cisco Systems Inc.