Warning Always replace the chassis cover before plugging in the power cord. When the cover is off, the power supply and dangerous voltages are exposed.
- Never work alone when potentially hazardous conditions exist.
- Remove rings and watches before working on electrical equipment.
- Before installing, removing, or working on a chassis, unplug the power cord.
- If you are unable to complete service or installation and must leave the equipment unattended for any period of time, do the following:
- Ensure that the power cord is disconnected from both the chassis and the power source.
- Attach a "DO NOT OPERATE" tag to the chassis.
- Complete the repair or installation as soon as possible.
Parts Lists
Verify that you received all the parts listed below. If any parts are missing, contact the Cisco Systems Technical Assistance Center (TAC) at 800 553-2447.
Memory Upgrades
You need the following parts to upgrade the operating memory:
- Two 1-megabyte (MB) SIMMs (each 1M x 8) or two 4-MB SIMMs (each 4M x 8)
- Spare jumper for J3 (may not be required)
- Software upgrade installation instructions (this document)
You can install SIMMs that you obtain from a source other than Cisco Systems if the SIMMs have the following characteristics:
- 8 memory modules (1M x 8 or 4M x 8)
- 80 nanoseconds (ns) or faster
- Obtained from an approved supplier (listed in Table 1)
Table 1 provides a list of SIMMs (by supplier) that have been tested in the server and are known to be reliable.
Table 1 : List of Approved SIMM Suppliers
| 1M x 9
|
80 ns
|
Motorola
|
MCM91000-80
|
| 1M x 9
|
80 ns
|
Mitsubishi
|
MH1M09A0JA-80
|
| 1M x 9
|
80 ns
|
Toshiba
|
THM91000AS-80
|
| 1M x 9
|
80 ns
|
Texas Instruments
|
TM024EAD9-80L
|
| 4M x 9
|
70 ns
|
Texas Instruments
|
TM4100EBD9-70
|
Software Upgrades
The following parts, which are required to upgrade the software, are included in the software upgrade kit:
- Two or four EPROM components
- Spare jumper for J4 (may not be required)
- Disposable wrist strap for electostatic discharge (ESD) prevention
- Software upgrade installation instructions (this document)
Tools Required
You need some or all of the following tools to perform these procedures. Before you begin, read through the procedure to determine which tools you need.
You need the following tools when opening the chassis, which is necessary for both memory and software upgrades:
- A medium (No. 1) Phillips screwdriver to open the chassis
- A mat or large table area to catch the loosened screws when they drop out of the recessed holes
- ESD-prevention wrist strap or other grounding device. A disposable wrist strap is included with the card; use it to prevent damage to equipment from ESD.
- Antistatic mat or antistatic bag for removed components
No additional tools are needed for memory upgrades. You need the following, additional tools for software upgrades only:
- EPROM/chip extractor (or flat-blade screwdriver if a chip extractor is not available)
- Needle-nosed pliers or a very small flat-blade screwdriver
Preventing ESD Damage
ESD is a discharge of stored electricity that can damage equipment and impair electrical circuitry. It occurs when electronic components are improperly handled and can result in complete or intermittent failures.
Warning Always unplug the power cord before attempting to remove the chassis cover. When the cover is off, the power supply and dangerous voltages are exposed.
Whenever you open the chassis or handle electronic components, perform the following steps:
Step 1 Before you open a chassis, ensure that power to the unit is turned off and that the power cord is disconnected from the power source.
Step 2 Slip on an ESD wrist strap, ensuring that it makes good skin contact.
Step 3 Connect the equipment end of the wrist strap to the inside (metal) surface of the rear panel without making contact with any connectors.
Step 4 Handle components by the edges and plastic surfaces only. Avoid contact between components and clothing. The wrist strap only protects against ESD voltages on the body; ESD voltages on clothing can still damage equipment.
Step 5 Always place removed components on an antistatic mat or foam or directly into an antistatic bag. Never put them on a chassis cover or unprotected tabletop.
Step 6 Do not remove the wrist strap until the installation is complete.
To properly guard against ESD damage and shock, the wrist strap and cord must operate effectively. If you use your own ESD strap, use an ohmmeter to check it periodically to ensure that it is providing proper ESD protection.
Opening the Chassis
This section describes the procedure for opening the chassis to access the system card. Follow these steps when either adding RAM or upgrading the system software. The chassis should be opened only by a qualified service technician.
Warning Always unplug the power cord before opening the chassis. Removing the chassis cover exposes the power supply and dangerous voltages.
Before beginning this procedure, review the section "Prerequisites" on page 2 to ensure that you have all the tools and equipment you will need, and that you are aware of safety precautions necessary before opening the chassis. To avoid having to leave the chassis open and unattended, allow enough time to complete the upgrade procedures.
Removing the Cover
The chassis cover is secured by seven Phillips screws, which are recessed in the underside of the chassis (see Figure 2). Perform the following steps over a bench or table so that you don't lose any screws when they drop out.
Step 1 Unplug the power cord from the power outlet.
Step 2 Turn the server upside down, with the rear of the chassis nearest you.
Step 3 Locate the seven recessed cover screws, shown in Figure 2.
Figure 2 : 500-CS Cover Screws
Step 4 Loosen each of the screws about ten turns. The screws are tight; apply sufficient downward pressure on the screwdriver to avoid shearing the Phillips slots on the heads of the screws. Do not remove any screws until all seven are loose.
Step 5 When all the screws are loosened, unscrew them all the way from their sockets.
Step 6 Carefully turn the chassis right-side up. The screws will drop out of the recessed holes.
Step 7 Lift the top cover off the chassis and put it aside out of traffic areas.
Replacing the Chassis Cover
When the new system card components are installed, perform the following steps to replace the chassis cover.
Warning Replace the chassis cover before plugging in the power cord to check the installation. When the cover is off the chassis, the power supply and dangerous voltages are exposed.
Step 1 Place the cover back on the chassis and ensure that it is aligned properly.
Step 2 Turn the chassis over.
Step 3 In order to perform an installation check, replace at least two screws and tighten them about six turns.
Step 4 Turn the chassis right side up and gently try to lift the cover. If it comes off, turn the chassis over and tighten the screws a few more turns.
Step 5 When the cover is secure, plug in the power cord and power up the server for an installation check.
Step 6 When the installation tests successfully, unplug the power cord.
Step 7 Turn the chassis upside down, and replace and tighten the remaining screws.
Step 8 Turn the chassis over and plug in the power cord to resume operation.
Adding Memory
The 500-CS contains two MB of RAM permanently soldered onto the system card. The two RAM expansion sockets, U49 and U50 (see Figure 1), allow you to upgrade your server RAM to four MB (by adding two 1-MB SIMMs) or to ten MB (by adding two 4-MB SIMMs). The two expansion slots must both be empty, or both be populated with SIMMs of the same size and speed. Each of the three options is illustrated in Figure 3. Memory upgrade kits are available from your local sales representative or customer service, or you can add SIMMs that you obtain from an approved supplier. A list of approved suppliers is provided on page 3.
Caution The RAM expansion slots must both be empty, or both contain SIMMs of identical size and speed, or the system will not operate.
Figure 3 : RAM Configuration Options
Installing SIMMs
You will install a new SIMM in each of the two RAM expansion slots, U49 and U50, shown in Figure 1. If the expansion slots in your server are empty (your system currently contains a total of 2 MB of RAM), skip the procedure "Removing Existing SIMMs" and proceed to "Installing New SIMMs" on page 10. Place removed SIMMs on an antistatic mat and store them in an antistatic bag (unless you are replacing a failed SIMM). The SIMMs can be reused in compatible equipment.
Removing Existing SIMMs
Perform the following steps only if you are replacing a failed SIMM card or if you are upgrading existing 1-MB SIMMs to 4-MB SIMMs.
Step 1 Unplug the chassis power cord and remove the chassis cover as described in "Opening the Chassis" on page 5.
Step 2 On the system card, locate RAM expansion slots U49 and U50 (see Figure 1). Both slots should contain a SIMM card.
Step 3 Turn the chassis so that the side with the RAM expansion slots is closest to you, and the slots are oriented horizontally (rotated 90 degrees clockwise from the orientation shown in Figure 1).
Step 4 Slip on an ESD wrist strap and ensure that it makes good contact with your skin. Connect the equipment end of the wrist strap to the metal back plate of the chassis, avoiding contact with the connectors.
Step 5 Remove the SIMM from the back expansion slot (U49) first. The SIMMs are held in place by small metal spring tabs. Place your thumbs on the upper corners of the SIMM (see Figure 4 for correct positioning).
Step 6 Use your index fingers to push the metal tabs outward, while using your thumbs to push the SIMM back and downward about 45 degrees to release it from the metal tabs (see Figure 4).
Caution The SIMM requires firm pressure to release it; however, if you feel too much resistance, do not force the SIMM, or you might damage it. Look straight down on the SIMM as you push the metal tabs out; the side of the SIMM must clear the metal tab before it can be pushed back.
Step 7 Hold the SIMM by the edges with your thumb and index finger, and it lift out of the slot. Place the removed SIMM in an antistatic bag to protect it from ESD damage.
Step 8 Repeat steps 5 through 7 for the SIMM in the front slot, U50.
Proceed to step 5 of "Installing New SIMMs" on the next page.
Figure 4 : Removing SIMMs from Expansion Slots
Caution Handle SIMMs by the card edges only. SIMMs are sensitive components and can be shorted by mishandling.
Installing New SIMMs
Perform the following steps to install new SIMMs in both RAM expansion slots.
Step 1 Unplug the chassis power cord and remove the chassis cover as described in "Opening the Chassis" on page 5.
Step 2 On the system card, locate RAM expansion slots U49 and U50 (see Figure 1). Both slots should be empty.
Step 3 Turn the chassis so that the side with the RAM expansion slots is closest to you, and the slots are oriented horizontally (rotated 90 degrees clockwise from the orientation shown in Figure 1).
Step 4 Slip on an ESD wrist strap, ensuring that it makes good contact with your skin. Connect the equipment end of the wrist strap to metal back plate of the chassis, avoiding contact with the connectors.
Step 5 Remove a new SIMM from the antistatic bag; handle it by the card edges.
Caution Handle SIMMs by the card edges only. SIMMs are sensitive components and can be shorted by mishandling.
Step 6 Hold the SIMM with the connector edge at the bottom and the component side facing you. SIMMs are manufactured with a polarization notch to prevent them from being installed backwards. Hold the SIMM with the polarization notch on the left, as shown in Figure 5.
.
Figure 5 : SIMM Polarization Notch
Step 7 Install the first SIMM in U50, the slot closest to you. Tilt the SIMM back at an angle of about 45 degrees from vertical, and slide the connector edge into the slot (see Figure 6).
Step 8 Gently push the SIMM into the slot at the same angle.
Step 9 When the edge is approximately 1/4 inch into the slot, place your index fingers on the side edges of the card and gently push it towards you. When the SIMM is perpendicular to the socket, the metal spring tabs on the slot will snap into the alignment holes on the SIMM. If the tabs do not snap into place, carefully rock the SIMM in the socket to seat it properly.
Figure 6 : Installing SIMMs
Caution If you feel resistance, do not force the SIMM or you might damage the socket. The socket will have to be replaced if it breaks. Check the alignment of the SIMM to make sure it is straight (the top edge is parallel to the socket) and that the alignment holes are lined up with the plastic tabs on the socket (see Figure 5).
Setting Jumpers
When you add RAM to your system, you must also change a jumper setting on J3 in order for your server to recognize the new RAM size and operate properly. If you replaced a failed component and did not change the RAM amount, skip step 1.
Step 1 Locate jumper array J3, shown in Figure 1. Depending on the amount of RAM now in your system, install a jumper as follows (see Figure 7 for jumper settings):
- If the total amount of RAM in your system is now 4 MB, place a jumper on pins 5 and 6.
- If the total amount of RAM in your system is now 10 MB, place a jumper on pins 1
and 2.
Note A jumper may already be installed on J3; if so, move the jumper to the correct setting. If J3 does not contain a jumper, install the spare jumper included with the memory upgrade kit.
Figure 7 : J3 Jumper Settings
Step 2 You can now check out the installation; however you must replace the cover before powering up the system. Proceed to step 1 of "Replacing the Cover" on page 7.
Warning Always replace the chassis cover before plugging in the power cord. When the cover is off, the power supply and dangerous voltages are exposed.
Checking the Installation
With the chassis cover on, power up the system and check the installation by observing the status indicators on the front panel and the display on any attached terminal. You can also use EXEC commands to display the current system configuration. In the following steps, common troubleshooting suggestions follow each step in the verification. If the system does not operate properly after troubleshooting, contact your service representative or the TAC at 800 553-2447.
Step 1 Plug the power cord into the power outlet. The PWR indicator light on the front panel should appear and remain lit. If it does not, do the following:
- Ensure that the power cord is properly connected.
- Ensure that the power outlet is receiving power.
- Wait long enough (one to three minutes) for the system to boot; the indicator may be faulty.
Step 2 Wait for the system to complete the boot process. This takes approximately one minute if your system has 2 MB of RAM, and up to 2 1/2 minutes if it has 10 MB.
Step 3 When the system has booted, the OK indicator light also appears. If it does not, unplug the power cord and remove the cover to check the SIMMs and jumper settings.
- Check the jumper on J3; there should be a jumper installed on pins 5 and 6 for 4 MB of RAM (third pair from the right), or on pins 1 and 2 for 10 MB of RAM (far right pair). These settings are shown in Figure 7.
- Check the SIMMs by looking straight down on them and then at eye level. Make sure the tops of the SIMMs are straight (parallel with the socket and card) and the metal spring tabs are snapped into the alignment holes on the SIMMs. If either of the SIMMs appears misaligned, carefully remove it and reseat it in the socket. Replace the cover before plugging the power cord back in for another installation check.
- Check the SIMM and ensure that it is the 1M x 8 or 4M x 8 type; the SIMM card should contain eight small memory components, as shown in Figure 5. (The actual layout on the card may be different; it is only important that there are eight components.)
- Check the speed of the SIMM, which is usually silkscreened on an end of the card. The 500-CS requires 80 ns or faster speeds.
- If the SIMMs appear to be installed properly, remove the jumper from J3 so the system will ignore the installed memory, and try to start the system. If the system boots properly, one or both of the SIMMs is faulty. Try installing another pair of SIMMs, if available, and reinstall the J3 jumper. Do not attempt to install only one SIMM; both RAM sockets must either be empty or must contain SIMMs of the same size and speed.
Step 4 When the OK indicator light appears, the message
Press return to get started
displays on all lines. If the message is not displayed, do the following:
- Ensure that the terminal power switch is on.
- Ensure that the terminal power cord is properly connected and that the outlet is receiving power.
- Ensure that the cable is properly connected between the 500-CS and the terminal.
- Swap the cable with another RJ-45 to DB-25 cable.
Step 5 Enter the show version command on any terminal. The new amount of RAM is displayed on the eighth line along with the processor type. In the example that follows, the total RAM is 4096 kilobytes (4 megabytes).
- When you enter the show version command, the display should look similar to the following:
CS Software (LCS-L), Version 9.1(1)
Copyright (c) 1986-1992 by cisco Systems, Inc.
Compiled Thu 01-Jun-92 19:04
System Bootstrap, Version 4.5(1)
organic uptime is 1 minute
System restarted by reload
Running default software
Cisco-500 (68331) processor with 4096K bytes of memory.
SuperLAT software (copyright 1990 by Meridian Technology Corp).
1 Ethernet/IEEE 802.3 interface.
16 terminal lines.
8K bytes of non-volatile configuration memory.
Configuration register is 0x2
Step 6 As activity on the network resumes, the LAN indicator flashes intermittently. If it does not light, and there are open connections to the server, do the following:
- Check the connections on the back of the server.
- Enter the EXEC command where (to display a list of open connections) on any terminal connected to the 500-CS. If a list is displayed, the LAN indicator is faulty.
Step 7 When the 500-CS boots successfully, replace and secure any remaining cover screws as described in "Replacing the Cover" on page 7.
The memory upgrade procedure is complete.
For descriptions of commands and instructions for setting up and making changes to the system configuration, refer to the Terminal Server Configuration and Reference Addendum for the Cisco 500-CS publication.
Upgrading the System Software
The system software is stored on two or four EPROMs, which are located in sockets U36, U37, U38, and U39 as shown in Figure 1. The new EPROMs may not be the same capacity as those you are replacing, so you might replace two existing EPROMs with four new ones, or four existing ones with two new ones. You might also need to change a jumper setting, depending upon the capacity of the new EPROMs (jumper J3 specifies the EPROM size to the system software); specific instructions are included in the appropriate steps that follow. If you are adding the Local Area Transport (LAT) option to a system that did not previously have it, you will also replace the component in socket U22. (See Figure 1.)
Warning Always unplug the power cord before opening the chassis. Removing the chassis cover exposes the power supply and dangerous voltages.
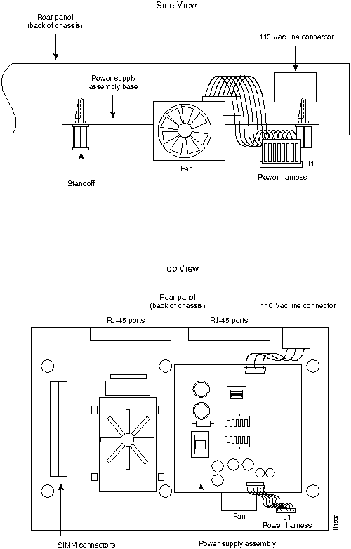
Removing the Power Supply
You must remove the power supply assembly to access the EPROMs. The power supply is mounted on a raised platform about two inches above the main circuit card, as shown in Figure 8. Perform the following steps to remove the power supply assembly.
Step 1 Unplug the chassis power cord and remove the chassis cover as described in "Opening the Chassis" on page 5.
Step 2 Turn the chassis so that the front is closest to you, as shown in Figure 8.
Step 3 Slip on an ESD wrist strap and ensure that it makes good contact with your skin. Connect the equipment end of the wrist strap to the metal back plate of the chassis, avoiding contact with the connectors.
Step 4 On the system card, locate power connector J1 (shown in Figure 8). Disconnect the wiring harness connector from J1.
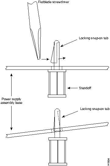
Step 5 The power supply assembly is mounted on four standoffs on the system card. The top of each standoff contains an expanding tab that snaps outward when it protrudes through the mounting hole on the power supply assembly base.
Figure 8 : 500-CS Power Supply
Step 6 Use needle-nosed pliers or a small screwdriver to push the tab inward while you slip the power supply assembly base over the tab (see Figure 9). Only lift the base up far enough to prevent the tab from snapping back into place; if you try to pull it completely off the standoff, you might damage the card or other standoffs.
Step 7 Repeat step 6 for the other three standoffs, lifting up each corner of the base only far enough to clear the tab.
Step 8 When all four mounting holes are clear, carefully lift the power supply assembly off the standoffs and place it on an antistatic mat.
Figure 9 : Power Supply Assembly Base Removal
Setting Jumper J4
You may need to change the jumper(s) on pins 7 through 14 of J4 when you replace the system software EPROMs (see Figure 1). If so, one or more spare jumpers are included with your upgrade kit. In general, you will change the jumper setting of J4 when the number or size (capacity) of the EPROMs changes to accommodate a new software release. The software version appears on the first line of the label on each EPROM; for example, the label for software version 9.1A(0.2) is shown in Figure 10. Read the software version on the new EPROMs, then refer to the settings shown in Table 2 to determine whether you need to change the setting of J4. Note that only pins 7 through 14 on J4 correspond to the EPROMs; pins 1 through 6 are used for other functions.
Figure 10 : EPROM Labels and Orientation
Table 2 : J4 Jumper Settings
| Software releases 9.1(8) and earlier
|
4
|
2 MB
|
7 & 8 and 11 & 12
|
| 9.1(9) and later
|
4
|
4 MB
|
7 & 8, 9 & 10 and 13 & 14
|
Step 1 Check the software version number on the new EPROMs, then refer to Table 2 and locate the correct jumper settings. The software version is printed in the first line of the EPROM label, as shown in Figure 10.
Step 2 Locate J4 on the system card (see Figure 1), and compare the current jumper settings of pins 7 through 14 with those specified for the new software in Table 2. The correct jumper settings for software version 9.1A(0.2) are shown in Figure 11.
Step 3 Install or change the jumper(s) on pins 7 through 14 of J4 if necessary (do not change the jumpers on pins 1 through 6, which are used for other functions). Figure 11 shows J4 with the same orientation as in Figure 1, with the rear of the chassis nearest you.
Step 4 Proceed to the next section, "Replacing EPROMs."
Figure 11 : J4 Jumper Settings
Replacing EPROMs
All existing EPROMs must be replaced to upgrade the software.
Step 1 You should still be wearing an ESD wrist strap, and the strap should be attached to the metal back panel of the chassis.
Step 2 On the system card, locate the EPROM sockets, U36, U37, U38, and U39 (shown in
Figure 1); either two or four EPROMs may be present.
Step 3 Use a chip extractor to carefully remove all the EPROMs (two or four) from their sockets. If a chip extractor is not available, use the tip of a flat blade screwdriver to gently rock the EPROMs out of the sockets. Place removed EPROMs on an antistatic mat or in an antistatic bag.
Caution When inserting the EPROMs, be careful not to bend or crush any of the pins. If this happens, use needle-nosed pliers to straighten the pin, then carefully reinsert the EPROM in the socket.
Step 4 Insert each new EPROM in the socket designated in the first line of its label (see Figure 10). If you are installing only two EPROMs, install them in sockets U37 and U38. When you insert each component, align the EPROM notch with the notch in the socket. Figure 10 illustrates the correct orientation of the EPROMs. The notched edge should be closest to the front of the chassis.
Step 5 Proceed to the next section, "Replacing the Power Supply."
Replacing the Power Supply
When replacing the power supply assembly, be sure it is positioned correctly. The fan should be on the side of the assembly closest to the front of the chassis.
Step 1 Place the power supply assembly back on the four standoffs, ensuring that the mounting holes are positioned directly over the standoffs.
Step 2 Ensure that the assembly is in the correct position. The corner with the wire harness should be closest to the power socket J1 on the system card.
Step 3 Place your fingers on all four edges of the base and press down firmly until you hear all four plastic tabs snap open.
Step 4 Reconnect the wire harness connector to J1 on the system card.
Step 5 You can now check out the installation; however, you must replace the cover before powering up the system. Refer to "Replacing the Cover" on page 7.
Warning Always replace the chassis cover before plugging in the power cord. When the cover is off, the power supply and dangerous voltages are exposed.
Checking the Installation
With the chassis cover on, power up the system and check the installation by observing the status indicators on the front panel and the screen of an attached terminal. You can also use EXEC commands to display the current system configuration. In this section, common troubleshooting suggestions follow each step in the verification process. If the system does not operate properly after troubleshooting, contact your service representative or the TAC at 800 553-2447.
Step 1 Plug the power cord into the power outlet. The PWR indicator light on the front panel should appear and remain lit. If it does not, do the following:
- Ensure that the power cord is properly connected.
- Ensure that the power outlet is receiving power.
- Wait enough time for the system to boot (one to three minutes); the indicator may be faulty.
- Unplug the power cord and remove the cover. Check connector J1 on the system card and ensure that the connector is seated correctly in the socket. If so, make sure the other end of the connector is seated correctly in the socket on the power supply assembly.
Step 2 Wait for the system to complete the boot process. This takes approximately one minute if your system has 2 MB of RAM and up to 2 1/2 minutes if it has 10 MB.
Step 3 When the system has booted, verify that the OK indicator light appears. If any of the EPROMs is incorrectly inserted, the system will halt operation. If this happens, or if the OK indicator light does not appear, try the following:
- Check the display of any terminal connected to the 500-CS. If an error message is displayed, refer to the Terminal Server Configuration and Reference Addendum for the Cisco 500-CS publication for an explanation of the message. If you cannot easily determine the cause of the problem, record the message and contact your service representative or the TAC at 800 553-2447.
- If a system banner is displayed on the terminal, or if the display from the show version command is displayed and shows the new software level, the indicator may be faulty. Try to resume normal operation.
- Unplug the power cord, remove the cover, and remove the power supply assembly to check the EPROMs.
- Remove one EPROM at a time and check the pins on each one.
- If you find a bent pin, straighten it with needle-nosed pliers and carefully reinsert it.
- Replace the power supply and any remaining cover screws, plug in the cord, and power up the system again.
Step 4 When the OK indicator light appears, enter the show version command on any terminal connected to the 500-CS and ensure that it displays a banner similar to the following:
CS Software (LCS-L), Version 9.1(1)
Copyright (c) 1986-1991 by cisco Systems, Inc.
Compiled Thu 01-Jun-92 19:04
System Bootstrap, Version 4.5(1)
organic uptime is 1 minute
System restarted by reload
Running default software
Cisco-500 (68331) processor with 4096K bytes of memory.
SuperLAT software (copyright 1990 by Meridian Technology Corp).
1 Ethernet/IEEE 802.3 interface.
16 terminal lines.
8K bytes of non-volatile configuration memory.
Configuration register is 0x2
Step 5 If the terminal does not display a banner, do the following:
- Ensure that the terminal power switch is on.
- Ensure that the terminal power cord is properly connected and that the power source is providing power.
- Ensure that the cable is properly connected between the 500-CS and the terminal.
- Swap the cable with another RJ-45-to-DB-25 cable.
Step 6 As activity on the network resumes, the LAN indicator flashes intermittently. If it does not light, and there are open connections to the server, do the following:
- Check the connections on the back of the server.
- On any terminal connected to the 500-CS, enter the EXEC command where to display a list of open connections. If a list is displayed, the LAN indicator is faulty.
Step 7 At the system prompt, enter the command show version. The first few lines of the screen display should be similar to the example in step 4. On the first line, the version displayed should be that of the new software you just installed.
Step 8 When the 500-CS boots successfully, replace any remaining cover screws as described in "Replacing the Cover" on page 7.
The software upgrade procedure is complete. Refer to the Terminal Server Configuration and Reference Addendum for the Cisco 500-CS publication for descriptions of commands and system configuration instructions.
Copyright 1988-1996 © Cisco Systems Inc.