Banner
HomeTOCPrevNextGlossSearchHelp

PDF

Table of Contents

Upgrading Cisco 4500, Cisco 4500-M, Cisco 4700, and Cisco 4700-M Memory

Upgrading Cisco 4500, Cisco 4500-M, Cisco 4700, and Cisco 4700-M Memory

Upgrading Cisco 4500, Cisco 4500-M, Cisco 4700, and Cisco 4700-M Memory

Product Numbers:

MEM-NP16M-R4-P=MEM-NP32M-P=MEM-NP64M-P= MEM-NP8F-P=MEM-NP8F-R4-P=MEM-NP16F-R4-P=
MEM-NP8S-R4-P=MEM-NP16S-P= 17-2062-01 (ROM Monitor 5.1)

This publication describes the upgrade and replacement of main, shared, Flash, and ROM monitor memory in the Cisco 4500, Cisco 4500-M, Cisco 4700, and Cisco 4700-M. Read this entire publication before upgrading your system. This publication contains the following sections which step you through the upgrade procedures:


Note This publication is for the router installer, who should be familiar with electronic circuitry and wiring practices and have experience as an electronic or electromechanical technician.

When you upgrade Flash memory, a Trivial File Transfer Protocol (TFTP) file server must be available that has the desired Cisco Internetwork Operating System (Cisco IOS) software image---Release 10.2(6) or later. These Cisco IOS files can then be downloaded into the upgraded Flash memory using TFTP. Consult your network administrator about the availability of TFTP file servers and Cisco IOS software on your network. The router will not be fully functional without the system software and running configuration. Consult the appropriate Cisco IOS software publication, which is available on the Cisco Connection Documentation Enterprise Series CD or as a printed document, for TFTP procedures.


Note One upgraded router can serve as a TFTP server to upgrade other routers.

Figure 1 shows the front view of a Cisco 4000 series router.

Figure 1 : Front View of a Cisco 4000 Series Router

h2427.gif


Memory Systems

The Cisco 4500, Cisco 4500-M, Cisco 4700, and Cisco 4700-M memory systems (see Figure 2) have the following functions:

Figure 2 : Cisco 4500, Cisco 4500-M, Cisco 4700, and Cisco 4700-M Memory Systems and Software Images

h6389.gif

Table 1 lists the Cisco 4500, Cisco 4500-M, Cisco 4700, and Cisco 4700-M processor and memory specifications.

Table 1 : Processor and Memory Specifications

Description Cisco 4500 Cisco 4500-M Cisco 4700 Cisco 4700-M
Processor 100-MHz IDT Orion RISC1 100-MHz IDT Orion RISC 133-MHz IDT Orion RISC 133-MHz IDT Orion RISC
Main memory (DRAM2) 8 or 32 MB 8, 16, or 32 MB 16 or 32 MB 16, 32, or 64 MB
Shared memory (DRAM) 4 or 16 MB 4, 8, or 16 MB 4, 8, or 16 MB 4, 8, or 16 MB
Flash memory 4, 8, 16, 32, or 64 MB 4, 8, 16, 32, or 64 MB 4, 8, 16, 32, or 64 MB 4, 8, 16, 32, or 64 MB
NVRAM3 128 KB 128 KB 128 KB 128 KB
Boot ROM4 128 to 512 KB 128 to 512 KB 128 to 512 KB 128 to 512 KB
Boot Flash 4, 8, or 16 MB 4 to 16 MB 4 to 16 MB 4 to16 MB

1 The Orion microprocessor is based on the MIPS R4400 and is pin-compatible.
2 DRAM = dynamic random-access memory.
3 NVRAM = nonvolatile random-access memory.
4 ROM = read-only memory.

Warning Before working on a chassis or working near power supplies, unplug the power cord on AC units; disconnect the power at the circuit breaker on DC units.

fig_20.gif

fig_25.gif Caution To avoid damaging electrostatic discharge (ESD)--sensitive components, be sure you have discharged all static electricity from your body before opening the chassis. Before performing the procedures described in this document, review the following sections "Safety Recommendations" and "Safety with Electricity."


Safety Recommendations

Follow these guidelines to ensure general safety:


Safety with Electricity

fig_26.gif Warning Before working on equipment that is connected to power lines, remove jewelry (including rings, necklaces, and watches). Metal objects will heat up when connected to power and ground and can cause serious burns or can weld to the terminals.

Follow these guidelines when working on equipment powered by electricity:


Preventing Electrostatic Discharge Damage

ESD can damage equipment and impair electrical circuitry. It occurs when electronic printed circuit cards are improperly handled and can result in complete or intermittent failures.

Always follow ESD prevention procedures when removing and replacing cards. Ensure that the chassis is electrically connected to earth ground. Wear an ESDpreventive wrist strap, ensuring that it makes good skin contact. Connect the clip to an unpainted surface of the chassis frame to safely channel unwanted ESD voltages to ground. To properly guard against ESD damage and shocks, the wrist strap and cord must operate effectively.

If no wrist strap is available, ground yourself by touching the metal part of the chassis.


Required Tools

The following tools are required to remove and upgrade main, shared, Flash, and ROM monitor memory.

In addition, the ROM monitor device upgrade requires the following:

Proceed to the next section, "Accessing the Internal Components of the Router."


Accessing the Internal Components of the Router

You must open the router chassis to gain access to the router's internal components: the network processor modules, boot ROMs, and jumpers.

Refer to the previous section, "Required Tools," for the tools needed for the following procedures.

Warning Before opening the chassis, disconnect the telephone-network cables to avoid contact with telephone-network voltages.

fig_24.gif

Warning Do not work on the system or connect or disconnect cables during periods of lightning activity.

fig_1.gif

Warning Do not touch the power supply when the power cord is connected. For systems with a power switch, line voltages are present within the power supply even when the power switch is off and the power cord is connected. For systems without a power switch, line voltages are present within the power supply when the power cord is connected.

fig_2.gif


Removing the Component Tray Procedure

Some Cisco 4000 series routers have a safety latch tab on the chassis that affects removing the component tray. (See Figure 3 and Figure 4.)

If you have a chassis with a safety latch tab, follow the procedure in the next section "Removing the Component Tray from a Chassis with a Safety Latch."

If you have a chassis without a safety latch tab, follow the procedure in the section "Removing the Component Tray from a Chassis without a Safety Latch."


Removing the Component Tray from a Chassis with a Safety Latch

Take the following steps to remove the component tray from a chassis with a safety latch:

Step 1 Turn OFF the system power.

Step 2 Attach your ESD-preventive wrist strap.

Step 3 Remove all network and power cables.

Step 4 If you have a DC-powered router, take these steps to remove the power cables:

Warning Before performing any of the following procedures, ensure that power is removed from the DC circuit. To ensure that all power is OFF, locate the circuit breaker on the panel board that services the DC circuit, switch the circuit breaker to the OFF position, and tape the switch handle of the circuit breaker in the OFF position.

fig_21.gif

Step 5 Loosen the nonremovable chassis release screw on the rear panel of the chassis. (See Figure 3.)

Step 6 Pull on the handle located on the upper right corner of the chassis to slide the component tray out of the chassis shell until the safety latch catches. (See Figure 3.)

fig_3.gif Warning Before releasing the safety latch, support the component tray from underneath, either on your work surface or with your hands, to prevent personal injury. (See Figure 3.)

Figure 3 : Component Tray Removal for Chassis with a Safety Latch

h1965.gif

Step 7 Support the component tray with one hand, push down on the safety latch tab, and pull the component tray out the rest of the way.

Step 8 Set the component tray on your work surface.

Proceed to the next section, "Removing Network Processor Modules."


Removing the Component Tray from a Chassis without a Safety Latch

Take the following steps to remove the component tray from a chassis without a safety latch:

Step 1 Turn OFF the system power.

Step 2 Attach your ESD-preventive wrist strap.

Step 3 Remove all network and power cables.

Step 4 If you have a DC-powered router, take these steps to remove the power cables:

Warning Before performing any of the following procedures, ensure that power is removed from the DC circuit. To ensure that all power is OFF, locate the circuit breaker on the panel board that services the DC circuit, switch the circuit breaker to the OFF position, and tape the switch handle of the circuit breaker in the OFF position.

fig_22.gif

Step 5 Loosen the nonremovable chassis release screw on the rear panel of the chassis. (See Figure 4.)

Figure 4 : Component Tray Removal for Chassis without a Safety Latch

h2899.gif

fig_4.gif Warning Support the component tray from underneath, either on your work surface or with your hands, to prevent it from falling. (See the hand in Figure 4.)

Step 6 Pull on the handle located on the upper right corner of the chassis to slide the component tray out of the chassis shell while you support the component tray with one hand.

Step 7 Set the component tray on your work surface.

Proceed to the next section, "Removing Network Processor Modules."


Removing Network Processor Modules

If you are replacing shared memory single in-line memory modules (SIMMs), you must first remove the network processor modules. Follow the steps in this section to remove a network processor module.

fig_5.gif Caution Some network processor modules are attached to the rear of the chassis with two external screws. On modules with external rear mounting screws, which include the Fiber Distributed Data Interface (FDDI) module, these screws must be removed before the module can be safely lifted out of the chassis, otherwise damage to the module will occur. Other types of modules may not have the two external rear mounting screws attached to the chassis.

Step 1 With the component tray in front of you (as shown in Figure 5 and Figure 6), remove the module mounting screw from the network processor module, and the two external rear mounting screws (not shown) if the module has them, and set the screws aside.


Note The Cisco 4500, Cisco 4700, and older versions of the Cisco 4500-M use very similar motherboards in the component tray. The motherboard was changed when the Cisco 4700-M was introduced, and the new motherboard is also used in newer versions of the Cisco 4500-M.

Step 2 To lift the module out of its connector after removing the module mounting screws, grasp the network processor module handle and pull straight up. (See Figure 7.)

fig_6.gif Caution Do not rock the handle up and down when handling the network processor module, and do not exert any side-to-side pressure because the handle might work loose and damage the network processor module.

Figure 7 shows the network processor module and connector locations.

Figure 5 : Cisco 4500, Cisco 4700 and Older Cisco 4500-M Component Tray

h2690.gif

Figure 6 : Cisco 4700-M and Newer Cisco 4500-M Component Tray

h6669.gif

Figure 7 : Network Processor Module and Connector Locations

h1048.gif


Memory Replacement Procedures

There are two DRAM systems in Cisco 4500, Cisco 4500-M, Cisco 4700, and Cisco 4700-M routers. One is the shared memory, which is the interface that the network processor modules send data to or transmit data from, and the other is the primary or main memory, which is reserved for the CPU. The ROM monitor is stored in an EPROM device on the motherboard. (See Figure 8.) In addition, these routers have two Flash memory systems: one for the Cisco IOS software image and one for the boot helper image. (See Figure 2.)

fig_7.gif Caution To avoid damaging ESD-sensitive components, observe all ESD precautions. To avoid damaging the underlying system card, avoid using excessive force when you remove or replace SIMMs.

The Cisco 4500 and Cisco 4500-M main memory upgrade requires replacing the main memory configuration of 8 MB (two 4-MB SIMMs) with two 8-MB SIMMs (Cisco 4500-M only) or two 16-MB SIMMs (Cisco 4500 and Cisco 4500-M).

The Cisco 4700 and Cisco 4700-M main memory upgrade requires replacing the main memory configuration of 16 MB (two 8-MB SIMMs) with two 16-MB SIMMs for 32 MB (Cisco 4700 and Cisco 4700-M) or with two 32-MB SIMMs for 64 MB (Cisco 4700-M).

The Cisco 4500 and Cisco 4500-M shared memory upgrade permits you to replace the shared memory SIMM with one 16-MB SIMM (Cisco 4500 and Cisco 4500-M) or one 8-MB SIMM (Cisco 4500-M only).

The Cisco 4700 and Cisco 4700-M shared memory upgrade permits you to replace the shared memory SIMM with one 16-MB SIMM or one 8-MB SIMM.

Upgrading the Cisco 4500, Cisco 4500-M, Cisco 4700, and Cisco 4700-M Flash memory requires replacing or adding to the Flash memory configuration of 4 MB with 8, 16, 32, or 64 MB of Flash memory.

Figure 8 shows the memory component and jumper locations in the Cisco 4500, Cisco 4700, and older versions of the Cisco 4500-M.

Figure 8 : Cisco 4500, Older Cisco 4500-M , and Cisco 4700 Memory Component Locations

h2449.gif

Figure 9 shows the memory component and jumper locations in the Cisco 4700-M and newer versions of the Cisco 4500-M.

Figure 9 : Cisco 4700-M and Newer Versions of the Cisco 4500-M Memory Component Locations

h6665.gif


Replacing Main Memory SIMMs

SIMMs are manufactured with a polarization notch to prevent them from being installed backward. Figure 10 shows the polarization notch and locations of the alignment holes on a main memory SIMM card. The main memory SIMM cards are installed with the connector edge down and the component side facing in, as shown in the upper right corner of Figure 8 and Figure 9.

Figure 10 : Main Memory SIMM

h2407.gif


Removing Main Memory SIMMs

Take the following steps to remove main memory SIMMs:

Step 1 Attach an ESD-preventive wrist strap and ensure that it makes good contact with your skin. Connect the equipment end of the wrist strap to the metal back plate of the chassis, avoiding contact with the connectors.

Step 2 On the motherboard, locate the main memory SIMM card sockets shown in the upper right of Figure 8.

fig_8.gif Caution Handle SIMMs by the card edges only. SIMMs are ESD-sensitive components and can be damaged by mishandling.

Step 3 Remove one SIMM at a time, beginning with the SIMM farthest from the edge of the motherboard.

Step 4 To lift the SIMM out of its socket, pull the locking spring clips on both sides outward and tilt the SIMM free of the clips. (See Figure 11.)

Step 5 Hold the SIMM by the edges with your thumb and index finger and lift it out of the socket. Place the removed SIMM in an antistatic bag to protect it from ESD damage.

Step 6 Repeat Step 2 through Step 5 for each main memory SIMM card.

Proceed to the next section, "Installing Main Memory SIMMs."


Installing Main Memory SIMMs

Take the following steps to install main memory SIMMs:

Step 1 Attach an ESD-preventive wrist strap and ensure that it makes good contact with your skin. Connect the equipment end of the wrist strap to the metal back plate of the chassis, avoiding contact with the connectors.

Step 2 On the motherboard, locate the main memory SIMM card sockets shown in the upper right of Figure 8. All the sockets should be empty. If they are not, follow the steps in the previous section "Removing Main Memory SIMMs."

fig_9.gif Caution Handle SIMMs by the card edges only. SIMMs are ESD-sensitive components and can be damaged by mishandling.

Step 3 Hold the SIMM with the polarization notch on the right and the component side away from you with the connector edge at the bottom. (See Figure 10.)

Step 4 Beginning with the SIMM nearest the edge of the motherboard, insert the main memory SIMM card at a 45-degree angle and rock it into its vertical position (see Figure 12), using the minimum amount of force required. When the SIMM is properly seated, the socket guide posts will insert through the alignment holes, and the locking springs will click into place.

Step 5 Ensure that each SIMM is straight and that the alignment holes (as shown in Figure 10) line up with the plastic socket guides.

Figure 11 : Removing Main Memory SIMMs

h1153.gif

fig_10.gif Caution You will feel some resistance, but do not use excessive force on the SIMM and do not touch the surface components to avoid damaging them.

Step 6 Repeat Step 2 through Step 5 for each main memory SIMM.

If you have completed all SIMM replacement procedures, proceed to the section "Replacing Network Processor Modules" on page 21.

Figure 12 : Installing Main Memory SIMMs

h1152.gif


Removing and Replacing Shared Memory SIMMs

Take the following steps to replace the shared memory SIMMs:

Step 1 Unplug the chassis power cord and network connections.

Step 2 Attach an ESD-preventive wrist strap and ensure that it makes good contact with your skin. Connect the equipment end of the wrist strap to the metal back plate of the chassis, avoiding contact with the connectors.

Step 3 Remove the chassis cover as described in the section "Accessing the Internal Components of the Router" on page 5.

Step 4 Remove and safely store all the network processor modules present, as described in "Removing Network Processor Modules" on page 8, for later reinstallation.

Step 5 Locate the shared memory SIMM card socket on the left of the motherboard, as shown in Figure 8.

Step 6 Turn the chassis so you are facing the rear of the chassis.

Step 7 The SIMMs are held in place at each end by small metal spring clasps. To remove a shared memory SIMM, push the two metal clasps apart. Angle the SIMM upward and pull it out.

fig_11.gif Caution Do not exert pressure on the components on the SIMM surface because you might damage them. The sides of the SIMM must clear the metal clasps before the SIMM can be safely removed.

Step 8 Place the removed SIMM in an antistatic bag to protect it from ESD damage.

Step 9 Repeat Step 7 and Step 8 for each SIMM.

Step 10 Proceed to the next section, "Inserting Shared Memory SIMMs."


Inserting Shared Memory SIMMs

Take the following steps to insert shared memory SIMMs:

Step 1 Unplug the chassis power cord and network connections.

Step 2 Attach an ESD-preventive wrist strap and ensure that it makes good contact with your skin. Connect the equipment end of the wrist strap to the metal back plate of the chassis, avoiding contact with the connectors.

Step 3 Remove the chassis cover as described in the section "Accessing the Internal Components of the Router" on page 5.

Step 4 On the left of the motherboard (as aligned in Figure 8), find the shared memory SIMM card socket locations. All the sockets should be empty. If they are not, remove the shared memory SIMMs following the procedures in the previous section, "Removing and Replacing Shared Memory SIMMs."

Step 5 Turn the chassis so that the side with the shared memory SIMM cards is closest to you.

fig_12.gif Caution Handle SIMMs by the card edges only. SIMMs are sensitive components and can be shorted by mishandling.

Step 6 Hold the SIMM with the connector edge at the bottom, component side facing you, and the polarization notch on the left. (See Figure 13.)

Figure 13 : Inserting Shared Memory SIMMs

h1052.gif

Step 7 To insert a SIMM, angle it into position, then carefully push down and back on the edges, holding each edge so that it snaps securely in place. (See Figure 13.) When it snaps into place, the two metal clips fit over the edge of the SIMM and hold the SIMM horizontally.

fig_13.gif Caution Avoid damaging the SIMMs and SIMM socket by handling them roughly. The SIMMs are also sensitive to ESD damage.

Step 8 Check that the SIMM is straight and that the holes are aligned with the socket guide posts. (See Figure 13.)

If you have completed all SIMM replacement procedures, proceed to the section "Replacing Network Processor Modules" on page 21.


Removing the Cisco 4500 and Cisco 4500-M Boot Helper Flash Memory SIMMs

The boot helper image (Rxboot image) is stored in Flash memory on the Cisco 4500 and Cisco 4500-M. Take the following steps to replace the 4-MB SIMM with an 8 or 16-MB SIMM. (See Figure 14.)

Figure 14 : Removing the Boot Helper Flash Memory SIMM

h2462.gif

Step 1 Attach an ESD-preventive wrist strap and ensure that it makes good contact with your skin. Connect the equipment end of the wrist strap to the metal back plate of the chassis, avoiding contact with the connectors.

Step 2 On the Cisco 4500 and Cisco 4500-M motherboard, locate the SIMM card socket for RxBoot Flash memory. (See Figure 8.)

fig_14.gif Caution Handle SIMMs by the card edges only. SIMMs are ESD-sensitive components and can be damaged by mishandling.

Step 3 To lift the SIMM out of its socket, pull the locking spring clips on both sides outward and tilt the SIMM free of the clips. (See Figure 14.)

Proceed to the next section "Installing Boot Helper Flash Memory SIMMs."


Installing Boot Helper Flash Memory SIMMs

You upgrade boot helper Flash memory by replacing the existing SIMM (labeled "System Flash Memory 0" in Figure 8 on page 11) or by adding a second SIMM to the empty socket (labeled "System Flash Memory 1" in Figure 8 on page 11).

Take the following steps to add Flash memory SIMMs and refer to Figure 8 for the SIMM locations.

Step 1 On the Cisco 4500 and Cisco 4500-M motherboard, locate the Flash memory SIMM sockets shown in the lower right corner of Figure 8 on page 11.

fig_15.gif Caution Handle SIMMs by the edges only. SIMMs are ESD-sensitive components and can be damaged by mishandling.

Step 2 Hold the SIMM with the polarization notch on the right and the component side away from you with the connector edge at the bottom.

Step 3 Referring to Figure 15, insert the Flash memory SIMM at a 45-degree angle and rock it into its vertical position. (See Figure 8 on page 11.) When the SIMM is properly seated, the socket guide posts will insert through the alignment holes, and the locking springs will click into place. Use the minimum amount of force required.

Figure 15 : Inserting Flash Memory SIMMs

h2474.gif

fig_16.gif Caution You will feel some resistance, but do not use excessive force on the SIMM and do not touch the surface components to avoid damaging them.

Step 4 Check the alignment of each SIMM to make sure that it is straight and that the alignment holes are lined up with the plastic socket guides.

If you have completed all memory upgrade procedures, proceed to the section "Replacing Network Processor Modules" on page 21.


Replacing the ROM Monitor EPROM Device

The ROM monitor is stored in an EPROM device on the Cisco 4500 and Cisco 4500-M. (See Figure 8 on page 11.) Two versions of the label of the ROM monitor EPROM are shown in Figure 16.

Figure 16 : Cisco 4500 and Cisco 4500-M ROM Monitor Memory Devices

h2691.gif

To upgrade the ROM monitor, replace the old EPROM labeled "SIERRA ROM MON" with the new EPROM labeled "ROM MON V5.2(4)."

Take the following steps to replace the ROM monitor EPROM.

Step 1 Open the chassis and expose the ROM monitor EPROM following the procedures in the sections "Accessing the Internal Components of the Router" on page 5 and "Removing Network Processor Modules" on page 8.

Step 2 With the ROM monitor EPROM in location U68 exposed (see Figure 8), gently extract the old EPROM with an EPROM extraction tool or a small flat-blade screwdriver and set the old ROM monitor EPROM aside.

Step 3 Insert the new ROM monitor EPROM in the empty socket in the orientation shown in Figure 8, being careful not to crush any of the bottom pins. To straighten out a bent pin, use needlenose pliers. Align the notch in the new ROM monitor EPROM with the notch in the ROM socket, ignoring the orientation of the label.

fig_17.gif Caution The notch on the EPROM must match the notch on the socket on the card. Installing the components backward will damage them.

Proceed to the next section, "Replacing Network Processor Modules."


Replacing Network Processor Modules

Take the following steps to replace a network processor module:

Step 1 Hold the network processor module by its handle, align it with the grooves in the chassis (not shown) and over its connector, and push it lightly against the chassis wall. (See Figure 7.)

Step 2 Gently, without bending the connector pins, push the network processor module into place, inserting the male network processor module connector into the female network processor module connector on the motherboard.

Step 3 Replace the module mounting screw on the end of the network processor module. (See Figure 7.)

Step 4 If the module has external rear mounting screws to attach the network processor module to the rear of the chassis, replace the screws at this time.

fig_18.gif Caution Do not overtorque the module mounting screw. The network processor module or the underlying motherboard could be damaged. The maximum screw torque is 7 inch-lb.


Replacing the Component Tray

Take the following steps to replace the component tray in the chassis shell:

Step 1 Reinsert the component tray into the shell, pushing on the back of the tray while at the same time pressing on the chassis release screw (see Figure 3) with the thumb of your right hand.

Step 2 Retighten the chassis release screw.


Replacing the Final Connections to the Router

Take the following steps to make the final connections to the router:

Step 1 If you have an AC-powered system, plug the system power cord into a 3-terminal, single-phase power source that provides power within the acceptable range (100--240 VAC, 50--60 Hz, 3.0--1.5 A).

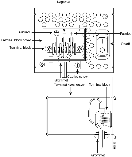
Step 2 If you have a DC-powered system, rewire the DC-input power supply (40 to 72 VDC) to the terminal block. The proper wiring sequence is ground to ground, positive to positive, and negative to negative. (See Figure 17.) After connecting the DC power cables, use a screwdriver to reinstall the terminal block cover.

Warning After wiring the DC power supply, remove the tape from the circuit breaker switch handle and reinstate power by moving the handle of the circuit breaker to the ON position.

fig_23.gif

Step 3 Turn ON the system power switch. The power LED on the front should go ON.

Step 4 Check the OK LED on the right side of the front panel (see Figure 1) to verify that it goes ON after a few seconds delay when booting.

Figure 17 : DC-Input Power Supply Connections

h2552.gif


Testing Your Installation

Test your installation by rebooting the system. When you power up a system in which one or more of the boot ROMs was incorrectly inserted, the system will not boot into the ROM monitor or the operating system mode.

If you suspect that your boot ROMs were inserted incorrectly, reopen the chassis, locate the affected boot ROM and remove it, straighten its pins, reinsert the boot ROM, and try booting again.

This completes upgrading Cisco 4500, Cisco 4500-M, Cisco 4700, and Cisco 4700-M memory.


Cisco Connection Online

Cisco Connection Online (CCO), formerly Cisco Information Online (CIO), is Cisco Systems' primary, real-time support channel. Maintenance customers and partners can self-register on CCO to obtain additional content and services.

Available 24 hours a day, 7 days a week, CCO provides a wealth of standard and value-added services to Cisco's customers and business partners. CCO services include product information, software updates, release notes, technical tips, the Bug Navigator, configuration notes, brochures, descriptions of service offerings, and download access to public and authorized files.

CCO serves a wide variety of users through two interfaces that are updated and enhanced simultaneously---a character-based version and a multimedia version that resides on the World Wide Web (WWW). The character-based CCO supports Zmodem, Kermit, Xmodem, FTP, Internet e-mail, and fax download options, and is excellent for quick access to information over lower bandwidths. The WWW version of CCO provides richly formatted documents with photographs, figures, graphics, and video, as well as hyperlinks to related information.

You can access CCO in the following ways:

  • WWW: http://www.cisco.com.

  • Telnet: cco.cisco.com.

  • Modem: From North America, 408 526-8070; from Europe, 33 1 64 46 40 82. Use the following terminal settings: VT100 emulation; databits: 8; parity: none; stop bits: 1; and baud rates up to 14.4 kbps.

For a copy of CCO's Frequently Asked Questions (FAQ), contact ccohelp@cisco.com. For additional information, contact ccoteam@cisco.com.


Note If you are a network administrator and need personal technical assistance with a Cisco product that is under warranty or covered by a maintenance contract, contact Cisco's Technical Assistance Center (TAC) at 800 553-2447, 408 526-7209, or tac@cisco.com. To obtain general information about Cisco Systems, Cisco products, or upgrades, contact 800 553-6387, 408 526-7208, or csrep@cisco.com.

fig_19.gif

HomeTOCPrevNextGlossSearchHelp
-

Copyright 1988-1996 © Cisco Systems Inc.