
Table of Contents
Cisco 2500 Series Public Network Certification
Cisco 2500 Series Public Network Certification
This publication provides international regulatory and safety compliance information for the Cisco 2500 series routers. Use this publication with the Cisco 2500 Series Hardware Installation and Maintenance and Cisco 2500 Series Hardware Installation publications and as an addendum to the Router Products Getting Started Guide.
Note These publications are available on Cisco Connection Documentation CD-ROM or printed copies can be ordered.
All the following statements are warnings or safety guidelines. A warning means danger. You are in a situation that could cause bodily injury. Before working on equipment, be aware of the hazards involved with electrical circuitry and standard safety practices to prevent accidents.
- On units equipped with a Basic Rate Interface (BRI) port, use an appropriate cable to connect the system directly to the Integrated Services Digital Network (ISDN) through the NT1. The common carrier will provide the NT1 connection worldwide, except in North America, where the NT1 is customer provided.
- This warning applies only to units equipped with a Basic Rate Interface (BRI) port. Network hazardous voltages are accessible in the BRI cable. If you detach the BRI cable, detach the end away from the router first to avoid possible electric shock. Network hazardous voltages also are accessible on the system card in the area of the BRI port (RJ-45 connector), whether or not power is turned off.
- The ports marked "AUI," "Ethernet," "Token Ring," "Console," and "AUX" are safety extra low voltage (SELV) circuits. SELV circuits should only be connected to other SELV circuits. Because the BRI circuits are treated like telephone network voltage, special care should be taken to avoid the likelihood of mismating the SELV and telephone network voltage (TNV) circuits.
- An ISDN connection is regarded as a source of voltage that should be inaccessible to user contact. No attempt should be made by users to tamper with or open any public telephone operator (PTO)-provided equipment or connection hardware. Any hardwired connection (other than by nonremoveable, connect-one-time-only plug) must be made only by PTO staff or suitably trained engineers.
- Before opening the chassis, disconnect the telephone-network cables to avoid contact with telephone-network voltages.
- Do not work on the system or connect or disconnect cables during periods of lightning activity.
- Do not touch the power supply when the power cord is connected. For systems with a power switch, line voltages are present within the power supply even when the power switch is off and the power cord is connected. For systems without a power switch, line voltages are present within the power supply when the power cord is connected.
- Refer to the installation guide instructions before you connect the system to its power source.
- Before working on a chassis or working near power supplies, unplug the power cord on AC units or disconnect the power at the circuit breaker on DC units.
- This product relies on the building's installation for short-circuit (overcurrent) protection. Ensure that a fuse or circuit breaker no larger than 120 VAC, 15A U.S. (240 VAC, 10A international) is used on the phase conductors (all current-carrying conductors).
- The device is designed to work with TN power systems.
- This note applies only to units equipped with DC input power supplies. This unit is intended to be installed in restricted access areas and all power cabling should be reliably restrained to avoid accidentally disturbing the power connections.
- This warning applies only to units equipped with DC input power supplies. When stranded wiring is required, use approved wiring terminations, such as closed-loop or spade-type with upturned lugs. These terminations should be the appropriate size for the wires and should clamp both the insulation and conductor.
- This warning applies only to units equipped with DC input power supplies. Before performing any of the following procedures, ensure that power is removed from the DC circuit. To ensure that all power is OFF, locate the circuit breaker on the panel board that services the DC circuit, switch the circuit breaker to the OFF position, and tape the switch handle of the circuit breaker in the OFF position.
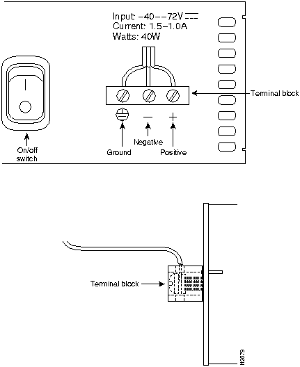
- This warning applies only to units equipped with DC input power supplies. Figure 1, Cisco 2500 Series DC Input Power Supply---Rear View, shows the Cisco 2501-DC power supply terminal block. Wire the DC power supply using the appropriate lugs at the wiring end as shown in Figure 2. The proper wiring sequence is ground to ground, positive to positive (line to L), and negative to negative (neutral to N). Note that the ground wire should always be connected first and disconnected last.
Figure 1 Cisco 2500 Series DC Input Power Supply---Rear View
Figure 2 DC Input Power Supply Connections
- This warning applies only to units equipped with DC input power supplies. After wiring the DC power supply, remove the tape from the circuit breaker switch handle and reinstate power by moving the handle of the circuit breaker to the ON position.
All warnings and safety guidelines listed in "Safety Information for the Cisco 2500 Series" apply to Cisco 2500 series models used in the European Community.
All warnings and safety guidelines listed in "Safety Information for the Cisco 2500 Series" apply to Cisco 2500 series models used in Italy. In addition, the following warning applies only to Cisco 2503, 2504, and 2516 models used in Italy:
- AVVERTENZA PER GLI UTENTI DELLA CISCO 2503, 2504, 2516 PER CONNESSIONI ISDN ACCESSO BASICO
- "Si raccomanda di spegnere il terminale quallora venisse spostato tra due prese dello stesso o di differente bus SO."
- WARNING FOR USERS OF THE CISCO 2503, 2504, 2516 FOR BASIC ACCESS ISDN CONNECTIONS
- "It is recomended to switch off the terminal equipment when it is moved between two sockets of the same or different bus."
In addition to the warnings and safety guidelines listed in "Safety Information for the Cisco 2500 Series," the following warnings apply to Cisco 2500 series models used in the United Kingdom:
- The Cisco 2500 Series is designed to meet the requirements of NET1 and NET2 for products with serial interfaces, and NET3 for products with a BRI interface.
- Interconnection directly, or by way of other apparatus, of ports marked:
- "Safety Warning --- See instructions for use"
- with ports marked or not so marked may produce hazardous conditions on the network, and that advice should be obtained from a competent engineer before such a connection is made.
- The BRI connector must be hardwired permanently to the S-reference connection point by using a connect one-time-only, nonremovable plug (RJ-45 with the latch tab removed).
- The ports marked "Ethernet," "Token Ring," "Console," and "AUX," have a safety warning applied to them as follows:
- "These ports do not provide isolation sufficient to satisfy the requirement of EN60950:1992; apparatus connected to these ports should either have been approved to EN60950:1992 or have previously been evaluated against British Telecommunications plc (Post Office) Technical Guides 2 or 26 and given permission to attach; any that other usage will invalidate any approval given to this apparatus."
- Other usage will invalidate any approval given to this apparatus if as a result it ceases to comply with EN60950:1992.
- This apparatus must be connected to a main socket outlet with a protective earth contact.
- Connection of Power Supply: The AC version of the Cisco 2500 series Access Server router is intended for use when supplied with power from a supply providing 220-240 VAC, 50/60 Hz up to 5 A.
The following agency approvals apply to the 2500 series products:
- Safety: UL 1950, CSA 22.2-950, EN60950, EN41003, AS3260, TS001
- EMI: FCC Class A, VDE Class B, Canadian DOC Class A, EN55022 Class B (CISPR22 B), VCCI Class 2
The CE-0168-X or CE-0344-X mark signifies that the equipment complies with the following European Directives: 91/263/EEC (public telecommunications network compatibility), 89/336/EEC (electromagnetic compatibility), 73/23/EEC (low voltage), and 92/59/EEC (general product safety).
Cisco Connection Online (CCO) is Cisco Systems' primary, real-time support channel. Maintenance customers and partners can self-register on CCO to obtain additional content and services.
Available 24 hours a day, 7 days a week, CCO provides a wealth of standard and value-added services to Cisco's customers and business partners. CCO services include product information, software updates, release notes, technical tips, the Bug Navigator, configuration notes, brochures, descriptions of service offerings, and download access to public and authorized files.
CCO serves a wide variety of users through two interfaces that are updated and enhanced simultaneously---a character-based version and a multimedia version that resides on the World Wide Web (WWW). The character-based CCO (called "CCO Classic") supports Zmodem, Kermit, Xmodem, FTP, Internet e-mail, and fax download options, and is excellent for quick access to information over lower bandwidths. The WWW version of CCO provides richly formatted documents with photographs, figures, graphics, and video, as well as hyperlinks to related information.
You can access CCO in the following ways:
- WWW:
http://www.cisco.com
.
- Telnet:
cio.cisco.com
.
- Modem: From North America, 408 526-8070; from Europe, 33 1 64 46 40 82. Use the following terminal settings: VT100 emulation; databits: 8; parity: none; stop bits: 1; and baud rates up to 14.4 kbps.
For a copy of CCO's Frequently Asked Questions (FAQ), contact
ciohelp@cisco.com.
For additional information, contact
cioteam@cisco.com.
If you are a network administrator and need personal technical assistance with a Cisco product that is under warranty or covered by a maintenance contract, contact Cisco's Technical Assistance Center (TAC) at 800 553-2447, 408 526-7209, or
tac@cisco.com.
To obtain general information about Cisco Systems, Cisco products, or upgrades, contact 800 553-6387, 408 526-7208, or
csrep@cisco.com.
Copyright 1988-1995
©
Cisco Systems Inc.