|
|
78-3277-03
Cisco Product Number: NP-2T16S=
This document contains instructions for installing and configuring 2T16S network processor modules in Cisco 4000 series routers.
If you have a Cisco 4500-M or Cisco 4700-M router, use this document with the Cisco 4000 Series Installation Guide and the Regulatory Compliance and Safety Information (previously known as the Cisco 4000 Series Public Network Certification) document that shipped with your router. If you have a Cisco 4500 or Cisco 4700 router, refer to the Cisco 4000 Series Hardware Installation and Maintenance publication.
This document contains the following sections, which include step-by-step procedures for installing or replacing and configuring your new network processor modules:
Follow these guidelines to ensure general safety:
Safety warnings appear throughout this publication in procedures that, if performed incorrectly, may harm you. A warning symbol precedes each warning statement.
Warning 
Means danger. You are in a situation that could cause bodily injury. Before you work on any equipment, be aware of the hazards involved with electrical circuitry and be familiar with standard practices for preventing accidents. To see translations of the warnings that appear in this publication, refer to the Regulatory Compliance and Safety Information document that accompanied this device.
Waarschuwing Dit waarschuwingssymbool betekent gevaar. U verkeert in een situatie die lichamelijk letsel kan veroorzaken. Voordat u aan enige apparatuur gaat werken, dient u zich bewust te zijn van de bij elektrische schakelingen betrokken risico's en dient u op de hoogte te zijn van standaard maatregelen om ongelukken te voorkomen. Voor vertalingen van de waarschuwingen die in deze publicatie verschijnen, kunt u het document Regulatory Compliance and Safety Information (Informatie over naleving van veiligheids- en andere voorschriften) raadplegen dat bij dit toestel is ingesloten.
Varoitus Tämä varoitusmerkki merkitsee vaaraa. Olet tilanteessa, joka voi johtaa ruumiinvammaan. Ennen kuin työskentelet minkään laitteiston parissa, ota selvää sähkökytkentöihin liittyvistä vaaroista ja tavanomaisista onnettomuuksien ehkäisykeinoista. Tässä julkaisussa esiintyvien varoitusten käännökset löydät laitteen mukana olevasta Regulatory Compliance and Safety Information -kirjasesta (määräysten noudattaminen ja tietoa turvallisuudesta).
Attention Ce symbole d'avertissement indique un danger. Vous vous trouvez dans une situation pouvant causer des blessures ou des dommages corporels. Avant de travailler sur un équipement, soyez conscient des dangers posés par les circuits électriques et familiarisez-vous avec les procédures couramment utilisées pour éviter les accidents. Pour prendre connaissance des traductions d'avertissements figurant dans cette publication, consultez le document Regulatory Compliance and Safety Information (Conformité aux règlements et consignes de sécurité) qui accompagne cet appareil.
Warnung Dieses Warnsymbol bedeutet Gefahr. Sie befinden sich in einer Situation, die zu einer Körperverletzung führen könnte. Bevor Sie mit der Arbeit an irgendeinem Gerät beginnen, seien Sie sich der mit elektrischen Stromkreisen verbundenen Gefahren und der Standardpraktiken zur Vermeidung von Unfällen bewußt. Übersetzungen der in dieser Veröffentlichung enthaltenen Warnhinweise finden Sie im Dokument Regulatory Compliance and Safety Information (Informationen zu behördlichen Vorschriften und Sicherheit), das zusammen mit diesem Gerät geliefert wurde.
Avvertenza Questo simbolo di avvertenza indica un pericolo. La situazione potrebbe causare infortuni alle persone. Prima di lavorare su qualsiasi apparecchiatura, occorre conoscere i pericoli relativi ai circuiti elettrici ed essere al corrente delle pratiche standard per la prevenzione di incidenti. La traduzione delle avvertenze riportate in questa pubblicazione si trova nel documento Regulatory Compliance and Safety Information (Conformità alle norme e informazioni sulla sicurezza) che accompagna questo dispositivo.
Advarsel Dette varselsymbolet betyr fare. Du befinner deg i en situasjon som kan føre til personskade. Før du utfører arbeid på utstyr, må du vare oppmerksom på de faremomentene som elektriske kretser innebærer, samt gjøre deg kjent med vanlig praksis når det gjelder å unngå ulykker. Hvis du vil se oversettelser av de advarslene som finnes i denne publikasjonen, kan du se i dokumentet Regulatory Compliance and Safety Information (Overholdelse av forskrifter og sikkerhetsinformasjon) som ble levert med denne enheten.
Aviso Este símbolo de aviso indica perigo. Encontra-se numa situação que lhe poderá causar danos físicos. Antes de começar a trabalhar com qualquer equipamento, familiarize-se com os perigos relacionados com circuitos eléctricos, e com quaisquer práticas comuns que possam prevenir possíveis acidentes. Para ver as traduções dos avisos que constam desta publicação, consulte o documento Regulatory Compliance and Safety Information (Informação de Segurança e Disposições Reguladoras) que acompanha este dispositivo.
¡Advertencia! Este símbolo de aviso significa peligro. Existe riesgo para su integridad física. Antes de manipular cualquier equipo, considerar los riesgos que entraña la corriente eléctrica y familiarizarse con los procedimientos estándar de prevención de accidentes. Para ver una traducción de las advertencias que aparecen en esta publicación, consultar el documento titulado Regulatory Compliance and Safety Information (Información sobre seguridad y conformidad con las disposiciones reglamentarias) que se acompaña con este dispositivo.
Varning! Denna varningssymbol signalerar fara. Du befinner dig i en situation som kan leda till personskada. Innan du utför arbete på någon utrustning måste du vara medveten om farorna med elkretsar och känna till vanligt förfarande för att förebygga skador. Se förklaringar av de varningar som förkommer i denna publikation i dokumentet Regulatory Compliance and Safety Information (Efterrättelse av föreskrifter och säkerhetsinformation), vilket medföljer denna anordning.
![]() | Warning Read the installation instructions before you connect the system to its power source. |
![]() | Warning Only trained and qualified personnel should be allowed to install or replace this equipment. |
![]() | Warning Before working on a chassis or working near power supplies, unplug the power cord on AC units; disconnect the power at the circuit breaker on DC units. |
![]() | Warning Ultimate disposal of this product should be handled according to all national laws and regulations. |
![]() | Caution To avoid damaging ESD-sensitive components, discharge all static electricity from your body before opening the chassis. Before performing procedures described in this document, review the sections "Safety with Electricity," "Safety with Electricity," and "Tools and Equipment Required." |
![]() | Warning The ports labeled "Ethernet," "10BaseT," "Token Ring," "Console," and "AUX" are safety extra-low voltage (SELV) circuits. SELV circuits should only be connected to other SELV circuits. Because the BRI circuits are treated like telephone-network voltage, avoid connecting the SELV circuit to the telephone network voltage (TNV) circuits. |
![]() | Warning The ISDN connection is a source of voltage that should be inaccessible to user contact. Do not attempt to tamper with or open any public telephone operator (PTO)-provided equipment or connection hardware. Any hardwired connection (other than by nonremovable, connect-one-time-only lug) must be made only by PTO staff or suitably trained engineers. |
![]() | Warning Network hazardous voltages are present in the BRI cable. If you detach the BRI cable, detach the end away from the router first to avoid possible electric shock. Network hazardous voltages also are present on the system card in the area of the BRI port (RJ-45 connector), regardless of when power is turned off. |
Warning 
Invisible laser radiation may be emitted from the aperture ports of the single-mode FDDI card and single-mode ATM cards when no cable is connected. Avoid exposure and do not stare into open apertures. The following is an example of the warning label that appears on the product:

The 2T16S network processor module is verified to FCC Class B.
The 2T16S network processor module provides 2 high-speed synchronous serial ports and 16 low-speed synchronous ports. Figure 1 shows a generic 2T16S network processor module panel, and Table 1 describes all available 2T16S modules and port configurations.

| Product Number | 2 High-Speed Serial Connectors | 2 Low-Speed Serial Connectors | |
|---|---|---|---|
| Right Connector and Left Connector Port 0 and Port 1 | Middle Connector Ports 2 to 9 | Top Connector Ports 10 to 17 | |
| 2T16S-RS232 | Choice of EIA/TIA-232 DTE or DCE V.35 DTE or DCE X.21(NRZ/NRZ1) DTE or DCE EIA/TIA-449, DTE or DCE EIA-530A DTE | All 8 ports are EIA/TIA-232 DTE or DCE | All 8 ports are EIA/TIA-232 DTE or DCE |
| 2T16S-V.35 | Choice of EIA/TIA-232 DTE or DCE V.35 DTE or DCE X.21(NRZ/NRZ1) DTE or DCE EIA/TIA-449, DTE or DCE EIA-530A DTE | All 8 ports are V35 DTE or DCE | All 8 ports are V.35 DTE or DCE |
| 2T16S-X.21 | Choice of EIA/TIA-232 DTE or DCE V.35 DTE or DCE X.21(NRZ/NRZ1) DTE or DCE EIA/TIA-449, DTE or DCE EIA-530A DTE | All 8 ports are X.21 DTE or DCE | All 8 ports are X.21 DTE or DCE |
| 2T16S-232V35 | Choice of EIA/TIA-232 DTE or DCE V.35 DTE or DCE X.21(NRZ/NRZ1) DTE or DCE EIA/TIA-449, DTE or DCE EIA-530A DTE | All 8 ports are EIA/TIA-232 DTE or DCE | All 8 ports are V.35 DTE or DCE |
| 2T16S-232X21 | Choice of EIA/TIA-232 DTE or DCE V.35 DTE or DCE X.21(NRZ/NRZ1) DTE or DCE EIA/TIA-449, DTE or DCE EIA-530A DTE | All 8 ports are EIA/TIA-232 DTE or DCE | All 8 ports are X.21 DTE or DCE |
The Cisco 4000 series routers can support up to three network processor modules at a time, including Ethernet, Token Ring, Asynchronous Transfer Mode (ATM), Integrated Services Digital Network (ISDN) BRI, ISDN Primary Rate Interface (PRI), serial, and multimode and single-mode Fiber Distributed Data Interface (FDDI) interfaces. You can place 2T16S network processor modules in any of the three available positions. If you have two 2T16S modules, place them in slots 0 and 2 (outer) slots. This will make it easier for you to route cables on the cable tray (which is included).
Network processor modules must be supported by the appropriate level of system software. The minimum system software version for the 2T16S network processor module is as follows:
If you have an earlier version of Cisco IOS software, contact Cisco Customer Service (see the section at the end of this document, "Cisco Connection Online") or your local sales representative to order the appropriate version.
To successfully operate a system with 6 or more ports, the system must contain at least 4 MB of shared memory. To successfully operate a system with 24 or more ports, the system must contain at least 8 MB of main memory DRAM.
Memory requirements for each 2T16S network processor module follow:
![]() | Warning Before working on equipment that is connected to power lines, remove jewelry (including rings, necklaces, and watches). Metal objects will heat up when connected to power and ground and can cause serious burns or weld the metal object to the terminals. |
![]() | Warning To avoid electric shock, do not connect safety extra-low voltage (SELV) circuits to telephone-network voltage (TNV) circuits. LAN ports contain SELV circuits, and WAN ports contain TNV circuits. Both LAN and WAN ports may use RJ-45 connectors. Use caution when connecting cables. |
![]() | Warning Hazardous network voltages are present in WAN ports regardless of whether power to the router is OFF or ON. To avoid electric shock, use caution when working near WAN ports. When detaching cables, detach the end away from the router first. |
![]() | Warning The ISDN connection is regarded as a source of voltage that should be inaccessible to user contact. Do not attempt to tamper with or open any public telephone operator (PTO)-provided equipment or connection hardware. Any hardwired connection (other than by a nonremovable, connect-one-time-only plug) must be made only by PTO staff or suitably trained engineers. |
Follow these guidelines when working on equipment powered by electricity:
![]() | Warning Before opening the chassis, disconnect the telephone-network cables to avoid contact with telephone-network voltages. |
![]() | Warning Do not work on the system or connect or disconnect cables during periods of lightning activity. |
![]() | Warning Do not touch the power supply when the power cord is connected. For systems with a power switch, line voltages are present within the power supply even when the power switch is OFF and the power cord is connected. For systems without a power switch, line voltages are present within the power supply when the power cord is connected. |
Electrostatic discharge (ESD) can damage equipment and impair electrical circuitry. It occurs when electronic printed circuit cards are improperly handled and can result in complete or intermittent failures. Always follow ESD prevention procedures when removing and replacing cards. Ensure that the router chassis is electrically connected to earth ground. Wear an ESD-preventive wrist strap, ensuring that it makes good skin contact. Connect the clip to an unpainted surface of the chassis frame to safely channel unwanted ESD voltages to ground. To properly guard against ESD damage and shocks, the wrist strap and cord must operate effectively. If no wrist strap is available, ground yourself by touching the metal part of the chassis.
![]() | Caution For safety, periodically check the resistance value of the antistatic strap, which should be between 1 and 10 megohm (Mohm). |
You need the following tools and equipment for removing and installing 2T16S network processor modules in a Cisco 4000 series router:
The power cable and on/off switch are on the lower right of the rear panel of the router. The system console port, auxiliary port, and network processor module ports (labeled 2T16S serial module and Ethernet module in Figure 2) appear to the left of the power cable and switch.
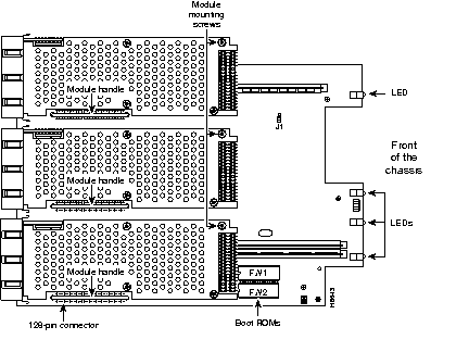
The chassis contains slots for three network processor modules. These slots correspond to the three slot numbers printed on the front panel of the chassis. (See Figure 3.) Slot numbers represent the order in which the system scans the network processor modules. The location of network processor modules is not slot dependent; you can move any module to any other available slot.

Unit numbering allows the system to distinguish between two interfaces of the same type. Looking at the rear panel of the chassis, the unit numbering of the network processor modules increments from zero, counting from right to left. The system assigns unit number addresses to these network processor modules by starting with zero for each module interface type and numbering from right to left and from bottom to top. The lowest unit number of that interface type is the module closest to the power supply. (See Figure 2.) For example, the unit number addresses for the modules in Figure 2 are as listed in Table 2.
| Slot | Interface Type | Address |
|---|---|---|
| 1 | Low-speed serial port (top) Low-speed serial port (middle) High-speed serial port (left) High-speed serial port (right) | 10 to 17 2 to 9 1 0 |
| 2 | Ethernet port (top) Ethernet port (bottom) | 1 0 |
| 3 | Low-speed serial port (top) Low-speed serial port (middle) High-speed serial port (left) High-speed serial port (right) | 28 to 35 20 to 27 19 18 |
If the second 2T16S module in Figure 2 was replaced by an Ethernet module, the unit addresses would be as listed in Table 3.
| Slot | Interface Type | Address |
|---|---|---|
| 1 | Low-speed serial port (top) Low-speed serial port (middle) High-speed serial port (left) High-speed serial port (right) | 10 to 17 2 to 9 1 0 |
| 2 | Ethernet port (top) Ethernet port (bottom) | 1 0 |
| 3 | Ethernet port (top) Ethernet port (bottom) | 3 2 |
To access the network processor modules, you must remove the component tray.
Some Cisco 4000 series routers have a safety latch tab on the chassis that affects removing the component tray. (See Figure 4 and Figure 5.)
If you have a chassis with a safety latch tab, follow the procedure in the next section "Removing the Component Tray from a Chassis with a Safety Latch."
If you have a chassis without a safety latch tab, follow the procedure in the section "Removing the Component Tray from a Chassis without a Safety Latch."
![]() | Warning Hazardous voltages may exist in or near the power supply, so use extreme caution when working near the power supply. Before starting any of these procedures, turn OFF power to the system, unplug the power cord, disconnect any cables at the ports, and attach your ESD-preventive wrist strap. |
Take the following steps to remove the component tray from a chassis with a safety latch:
Step 1 Turn OFF the system power.
Step 2 Attach your ESD-preventive wrist strap to your wrist and the other end to a grounded surface.
Step 3 Remove all network and power cables.
Step 4 Loosen the nonremovable chassis release screw on the rear panel of the chassis. (See Figure 4.)
Step 5 Pull on the handle located on the upper right corner of the chassis to slide the component tray out of the chassis shell until the safety latch catches. (See Figure 4.)
![]() | Warning Before releasing the safety latch, support the component tray from underneath, either on your work surface or with your hands, to prevent personal injury. (See Figure 4.) |

Step 6 Support the component tray with one hand, push down on the safety latch tab, and pull the component tray out the rest of the way.
Step 7 Set the component tray on your work surface.
Proceed to the next section "Removing Network Processor Modules."
![]() | Warning Hazardous voltages may exist in or near the power supply, so use extreme caution when working near the power supply. Before starting any of these procedures, turn OFF power to the system, unplug the power cord, disconnect any cables at the ports, and connect your ESD-preventive wrist strap. |
Take the following steps to remove the component tray from a chassis without a safety latch:
Step 1 Turn OFF the system power.
Step 2 Attach your ESD-preventive wrist strap.
Step 3 Remove all network and power cables.
Step 4 Loosen the nonremovable chassis release screw on the rear panel of the chassis. (See Figure 5.)
![]() | Warning Support the component tray from underneath, either on your work surface or with your hands, to prevent it from falling. (See the hand in Figure 5.) |

Step 5 Pull on the handle located on the upper right corner of the chassis to slide the component tray out of the chassis shell while you support the component tray with one hand.
Step 6 Set the component tray on your work surface.
Proceed to the later section "Removing Network Processor Modules."
After you have removed the component tray from the chassis, you can remove the network processor modules from the chassis.
![]() | Caution Some network processor modules are secured to the rear of the chassis with two external screws. On modules with external rear mounting screws, including multimode FDDI modules, you must remove these screws before the module can be safely lifted out of the chassis. |
Take the following steps to remove a network processor module:
Step 1 Orient the component tray as shown in Figure 6, then remove the module mounting screw from the top of the network processor module. Remove the two external rear mounting screws if the module has them. Set all screws aside.
Step 2 Grasp the network processor module handle and pull it straight up to lift the module out of its connector. (See Figure 6.)
Step 3 Place the removed module on an ESD mat.
![]() | Caution Do not wiggle the handle of the network processor module, and do not exert any side-to-side pressure because the handle might work loose and damage the network processor module. |

![]() | Caution If any of the network processor modules have daughter cards projecting at right angles to the module (see Figure 10), do not bend the module during installation. Bending the module might cause the daughter cards to become disconnected. If this happens, carefully reseat the daughter card connectors by handling the card by its edges without touching any of the components on the card. |

You can install up to three 2T16S network processor modules per chassis. Take the following steps to replace or add a 2T16S network processor module:
Step 1 Hold the module over the empty slot, just above the chassis.
Step 2 Align it with the grooves in the chassis and the 128-pin female connector on the motherboard.
Step 3 Holding the module at an angle with its faceplate lower than the other end, slip the upper 200-pin connector through the opening in the back panel of the chassis. Make sure the flange of the module extends over the top of the chassis.
Step 4 Rotate the module, moving it downward and forward until the module connector is aligned with the motherboard connector as shown in Figure 8.

Step 5 Make sure that the male connector on the network processor module is lined up side-to-side with the female connector on the motherboard, and then gently press point A shown in Figure 9.

Step 6 Gently press point B as shown in Figure 9, inserting the male connector into the female connector on the motherboard. With a small amount of force the connector snaps together.
Make sure that the connector on the network processor module is firmly seated on the female connector on the motherboard. (See Figure 10.)

Step 7 Replace the module mounting screw in its place on the end of the network processor module. (See Figure 6.)
Step 8 Replace external rear mounting screws, if used, to attach the module to the rear of the chassis.
![]() | Caution Do not overtorque the screws because they might damage the network processor module or the underlying motherboard. The maximum screw torque is 7-inch-lb. |
Take the following steps to replace the component tray in the chassis shell:
Step 1 Reinsert the component tray into the shell, pushing on the back of the tray while at the same time pressing on the chassis release screw (as shown in Figure 4 on page 12 and Figure 5 on page 13) with the thumb of your right hand.
Step 2 Retighten the chassis release screw.
Figure 3 on page 10 shows the Cisco 4000 series chassis front view with network activity, health, run, and power LEDs.
When you face the front of the chassis, the three LEDs (labeled OK) on the lower left correspond to the three network processor modules, if present. (See Figure 2.) When on, these LEDs indicate that the network processor modules are operational. The upper LEDs (labeled DATA) blink to indicate network activity on the respective interfaces. If no network processor module is installed in a slot, the LEDs corresponding to that slot will be off.
The LED labeled POWER goes on to indicate that the system power is on. The LED labeled OK goes on to indicate that the system's processor is working.
The network processor module LEDs are visible through the cutouts in the rear of the chassis.
The 2T16S network processor module has one green LED per port, each of which indicates Connect status. All LEDs momentarily light up during reset as a 'lamp test' feature. The LEDs indicate the following signals: DSR, DTR, DCD, RTS, and CTS. The Connect status is the logical operand AND for all listed modem control signals. In DTE mode, Connect is DSR, DCD, and CTS. In DCE mode, Connect is DTR and RTS.
The 2T16S network processor module for Cisco 4000 series routers provide 2 high-speed serial ports and 16 low-speed serial ports. Each high-speed serial port supports one of nine cable types:
The low-speed serial ports support an octal cable. The eight legs of each octopus cable are all DTE or all DCE. ( Table 1 on page 6 shows port configurations.)
For information about cables that connect to the low-speed serial ports, see the sections "Low-Speed Serial Cables," page 24 or "High-Speed Serial Cables," page 21. For pinout descriptions, see the appendix, "Cabling Specifications for Cisco 4000 Series Routers" in the Cisco 4000 Series Installation Guide. Although the printed manual ships with your router, the most current version appears on the on the World Wide Web at http://www.cisco.com and on the Documentation CD that ships with your router.
Information in this section includes port specifications, throughput, distance limitations, and connections.
The two high-speed synchronous serial ports use two 60-pin D-type connectors to attach to the transition cable. Each port requires a serial adapter cable, which provides the interface between the high-speed serial port and the standard connectors that are commonly used for each electrical interface type. The adapter cable determines the electrical interface type and mode (DTE or DCE) of the port to which it is connected. Because the high-speed serial ports use a special, high-density port connector that requires special adapter cables for each electrical interface type, we recommend that you obtain serial interface cables from the factory.
The high-speed serial port specifications are as follows:
For most interface types, the adapter cable for DTE mode uses a plug at the network end, and the cable for DCE mode uses a receptacle at the network end. The exception is the V.35 adapter cable, which is available with either a V.35 plug or a receptacle for either mode. The mode, DCE or DTE, is labeled on the molded plastic connector shell at the ends of all cables except V.35 (which uses the standard Winchester block-type connector instead of a molded plastic D-shell). Following are the available interface cable options for the mode and network-end connectors for each cable:
![]() | Caution For proper router operation, both ends of the EIA/TIA-232 serial DCE cable, and any cable attached to it, must be connected. If you must detach this cable, detach the router end first. If the end away from the router is disconnected, the line connection will "flap." The interrupts generated from such a condition could cause the router to shut down. |
The 16 low-speed serial ports use two 200-pin D-type connectors to attach to the transition cable. Each 200-pin connector requires a transition cable to break out the 8 low-speed serial ports interfaced by the connector. Together, each 200-pin connector and the 8 associated low-speed serial port cables are called an "octopus" cable (see Figure 18 through Figure 20 for illustrations of the cable). Each 200-pin port is independent of the other 200-pin port.
The adapter cable also determines the electrical interface type and mode (DCE or DTE) of the port to which it is connected. Because the low-speed serial ports require special adapter cables, we recommend that you obtain serial interface cables from Cisco Systems (contact Customer Service at 800 553-6387, 408 526-7208, or cs-rep@cisco.com).
The low-speed serial port specifications are as follows:
For most interface types, the adapter cable for DTE mode uses plugs at the network end, and the cable for DCE mode uses receptacles at the network end. The exception is the V.35 adapter cable, which is available with either V.35 plugs or receptacles for either mode. The mode, DCE or DTE, is labeled on the molded plastic connector shell at the ends of all cables except V.35 (which uses the standard Winchester block-type connector instead of a molded plastic D-shell).
Following are the available interface cable options for the mode and network-end connectors for each cable:
![]() | Caution For proper router operation, both ends of the EIA/TIA-232 serial DCE cable, and any cables attached to it, must be connected. If you must detach this cable, detach the router end first. If the end away from the router is disconnected, the line connection will "flap." The interrupts generated from such a condition could cause the router to shut down. |
The following configuration requirements must be met for proper operation of the 2T16S module:
The data rate depends on the type of electrical interface used. EIA/TIA-232 only supports speeds up to 64 kbps; X.21, V.35, EIA/TIA-449, or EIA-530A support higher speeds. Note that EIA/TIA-449 or EIA-530A interfaces are only supported on the high-speed serial ports.
When connecting serial devices, consider the adapter cables as an extension of the router for external connections. Therefore, use DTE cables to connect the router to remote DCE devices such as modems or DSUs, and use DCE cables to connect the router to remote DTE devices such as a host, PC, or another router.
Serial signals can travel a limited distance at any given bit rate; generally, the slower the transmission (baud) rate, the greater the distance. All serial signals are subject to distance limits, beyond which a signal degrades significantly or is completely lost. Table 4 lists the recommended maximum speeds and distances for each serial interface type from the IEEE specification; however, you might get good results at speeds and distances greater than those listed. If you understand the electrical problems that might arise and can compensate for them, you can get good results with rates and distances greater than those shown. However, do so at your own risk.
| Data Rate | EIA/TIA-232 Distances | EIA/TIA-449, EIA-530A, X.21, and V.35 Distances | ||
|---|---|---|---|---|
| Bits per Second | Feet | Meters | Feet | Meters |
| 2400 | 200 | 60 | 4100 | 1250 |
| 4800 | 100 | 30 | 2050 | 625 |
| 9600 | 50 | 15 | 1025 | 312 |
| 19200 | 25 | 7.6 | 513 | 156 |
| 38400 | 12 | 3.7 | 256 | 78 |
| 56000 | 8.6 | 2.6 | 102 | 31 |
| 1544000 (T1) | N/A | N/A | 50 | 15 |
Balanced drivers allow EIA/TIA-449 signals to travel greater distances than EIA/TIA-232 signals. The recommended distance limits for EIA/TIA-449 shown in Table 4 are also valid for V.35, X.21, and EIA-530A. However, you can get good results at distances and rates greater than those shown in Table 4. Typically, EIA/TIA-449 and EIA/530A support 2-Mbps rates, and V.35 can support 4-Mbps rates (2-Mbps in the 2T16S network processor module).
This section describes the high-speed cable connectors. For pinout descriptions, see the appendix, "Cabling Specifications for Cisco 4000 Series Routers" in the Cisco 4000 Series Installation Guide. Although the printed manual ships with your router, the most current version appears on the on the World Wide Web at http://www.cisco.com and on the Documentation CD that ships with your router.
The router-end of the high-speed serial cable is a 60-pin D-subconnector, and the network end reflects the interface type and mode (see Figure 11 and Figure 12 for examples). The high-speed port supports the following DTE cables: CAB-232MT=, CAB-449MT=, CAB-V35MT=, CAB-X21MT=, or CAB-530MT=; the port supports the following DCE cables: CAB-232FC=, CAB-449FC=, CAB-V35FC=, or CAB-X21FC=.


This remainder of this section describes the network-end connectors.
EIA/TIA-232, the most common interface standard in the United States, supports unbalanced circuits at signal speeds up to 64 kbps. The network end of the adapter cable is a standard 25-pin D-shell connector (known as a DB-25, as shown in Figure 13). The router console and auxiliary ports also use EIA/TIA-232 connections; however, the serial module ports support synchronous connections, and the console and auxiliary ports support asynchronous connections.

EIA/TIA-449, which supports balanced (EIA/TIA-422) and unbalanced (EIA/TIA-423) transmissions, is a faster (up to 2 Mbps) version of EIA/TIA-232 that provides more functions and supports transmissions over greater distances. The EIA/TIA-449 standard was intended to replace EIA/TIA-232, but it was not widely adopted primarily because of the large installed base of DB-25 hardware. The increased size of the EIA/TIA-449 connectors also reduced the number of connections possible in a given surface area compared to the smaller EIA/TIA-232 connector.
The network end of the EIA/TIA-449 adapter cable provides a standard 37-pin D-shell connector, as shown in Figure 14. EIA/TIA-449 cables are available as either DTE (DB-37 plug) or DCE (DB-37 receptacle).

EIA-530, which supports balanced transmission, provides the increased functionality, speed, and distance of EIA/TIA-449 on the smaller, DB-25 connector used for EIA/TIA-232. The EIA-530 standard was created to support the more sophisticated circuitry of EIA/TIA-449 on the existing EIA/TIA-232 (DB-25) hardware instead of the larger, 37-pin connectors used for EIA/TIA-449. Like EIA/TIA-449, EIA-530 refers to the electrical specifications of EIA/TIA-422 and EIA/TIA-423. Although the EIA-530 specification recommends a maximum speed of 2 Mbps, EIA-530 is used successfully at 4 Mbps or faster speeds over short distances (2-Mbps in the 2T16S network processor module).
The EIA-530 adapter cable is available in DTE mode only. The network end of the EIA-530 adapter cable is a standard DB-25 plug commonly used for EIA/TIA-232 connections. Figure 15 shows the DB-25 connector at the network end of the adapter cable.

The V.35 interface is recommended for speeds up to 48 kbps (although in practice it is used successfully at 2-Mbps in the 2T16S network processor module).
The network end of the V.35 adapter cable provides a standard 34-pin Winchester-type connector, as shown in Figure 16. V.35 cables are available with a standard V.35 plug or receptacle in either DTE or DCE mode.

The X.21 interface uses a 15-pin connection for balanced circuits and is commonly used in the United Kingdom to connect public data networks. X.21 relocates some of the logic functions to the DTE and DCE interfaces and, as a result, requires fewer circuits and a smaller connector than EIA/TIA-232.
The network end of the X.21 adapter cable is a standard DB-15 connector, as shown in Figure 17. X.21 cables are available as either DTE (DB-15 plug) or DCE (DB-15 receptacle).

The compact, octal serial cables for the low-speed serial ports contain a Molex 200-pin, D-shell receptacle at the router end and eight receptacles or plugs at the network end. The cable attached to the low-speed serial port determines the mode (DTE or DCE) of the eight serial interfaces. For each octal cable, all of the eight network-end interfaces must be either DTE or DCE, but the module itself will support DCE devices on one low-speed port and DTE devices on the other.
Following are the product numbers and figure references for the octal low-speed serial cable.
| Cable Product Number | Description | Figure Reference |
|---|---|---|
| CAB-OCT-232-MT | DTE mode--Molex LFH 200-pin connector and 25-pin Winchester-type EIA/TIA-232 plug | Figure 18 and Figure 13 |
| CAB-OCT-232-FC | DCE mode --Molex LFH 200-pin connector and 34-pin Winchester-type EIA/TIA-232 receptacle | Figure 18 and Figure 13 |
| CAB-OCT-V35-FC | DTE mode--Molex LFH 200-pin connector and 34-pin Winchester-type V.35 plug | Figure 19 and Figure 16 |
| CAB-OCT-V35-MT | DTE mode--Molex LFH 200-pin connector and 34-pin Winchester-type V.35 receptacle | Figure 19 and Figure 16 |
| CAB-OCT-X21-MT | DTE mode--Molex LFH 200-pin connector and a DB-15-pin X.21 plug | Figure 20 and Figure 17 |
| CAB-OCT-X21-FC | DTE mode--Molex LFH 200-pin connector and a DB-15-pin X.21 receptacle | Figure 20 and Figure 17 |



Because of the bulk of the low-speed serial cables, a cable support tray must be used in conjunction with the 2T16S network processor module. (See Figure 21.)
Take the following steps to install the cable support tray:
Step 1 Line the cable support tray up on the back of the chassis. (See Figure 22.)
Step 2 First, place the upper ends of the wire brackets in the indicated holes in the chassis.
Step 3 Lower the shelf and insert the lower ends of the wire brackets and also insert the fingers on the edge of the cable support tray into the holes in the chassis.
The fingers on the outside edge of the tray fit snugly in the holes at the back of the router, so you must apply slight pressure to insert them into the holes. (See Figure 23.)



Use the U-shaped cable clamps to route wires from the high-speed and low-speed ports on your 2T16S network processor modules. To attach cable clamps to the cable support tray, follow these steps:
Step 1 Align the hole in the center of the U-shaped cable clamp with a hole in the cable support tray and insert the rivet through both holes. (See Figure 24.)
Step 2 Holding the U clamp steady on top of the cable support tray, insert the rivet through the U clamp and the hole in the cable support tray.
Step 3 Press the top of the rivet firmly enough for the rivet to lock in place.
The rivet locks automatically and holds the U clamp to the cable support tray. (See Figure 25.)
Step 4 Pass wires from the high-speed and low-speed serial ports through the U clamp. (See Figure 25.)
Step 5 Attach the top bracket, notches down, over the serial port wires to the U clamp. The notches on the U-shaped clamp hold the top clamp in place automatically. Push the top clamp down far enough to hold the wires snugly in place. (See Figure 25.)


You can remove U-shaped cable support clamps or move them to another location on the cable support tray. To remove a U clamp, push up on the center rivet pin from under the cable support tray. (See Figure 26.)
![]() | Time Saver If you push on the protruding rivet legs from the underside of the cable support tray, the rivet does not come loose. Use a sharp object to push the center rivet pin up through the cable support tray and U-shaped cable support clamp. |

This section describes how to connect cables to the high-speed and low-speed serial connectors at the back of the router. It also describes the process of routing cables on the cable-support tray.
The two high-speed serial ports use 60-pin D-type connectors. Use the specific serial transition cable for the module type and the correct connector (EIA/TIA-232, V.35, X.21, EIA/TIA-449, or EIA-530) for your modem or CSU/DSU connector type.
Take the following steps to make high-speed serial connections:
Step 1 Attach the ends of your serial transition cables to the synchronous serial ports of the serial network processor modules. (See Figure 27 and Figure 28.)
Step 2 Attach the EIA/TIA-232, V.35, X.21, EIA/TIA-449, or EIA-530 end of the cable to the CSU/DSU or modem.
Step 3 If all your network connections are complete, proceed to the section "Connecting the Power Cord and Switching on the Router" on page 39.
![]() | Caution Cable connector pins can be easily damaged. The high-speed serial connector is not upside down as it is on the NP4T network interface module. Be careful of the orientation when plugging in the 60-pin cables. |


The 16 low-speed serial ports use two 200-pin D-type connectors. Use the specific serial transition cable for the module type and the correct connector for your modem or CSU/DSU connector type.
Because of the bulk of the low-speed serial cables, a cable support tray must be used in conjunction with the 2T16S network processor module. (See Figure 21.)
Step 1 Attach the ends of your serial transition cables to the synchronous serial ports of the serial network processor modules. (See Figure 29.)
Step 2 Allow enough play in the transition cable for a service loop, then attach the transition cable to the cable support tray using the U-shaped clamps. (See Figure 24 on page 29, Figure 25 on page 30, and Figure 30 on page 35.)
Step 3 Attach the EIA/TIA-232, V.35, or X.21 end of the cable to the CSU/DSU or modem. (See Figure 29 on page 34.)
Step 4 Repeat Steps 1 through 3 for each low-speed serial connection you are making. For cable routing, see Figure 30 through Figure 33 (page 35 through page 38).
Step 5 If all your network connections are complete, proceed to the section "Connecting the Power Cord and Switching on the Router" on page 39.
![]() | Caution Make sure that the 200-pin end of the cable connector is orientated correctly before plugging it in. Cable connector pins can be easily damaged. |





The 2 high-speed serial ports and the 16 low-speed serial ports can be configured as DTE or DCE, depending on the transition cable used. The ports are numbered right to left, bottom to top. See Figure 34.

You must use a special serial transition cable to connect the Cisco 4000 series router to a modem, CSU/DSU, or other device. This cable, which is available from your customer service representative, is normally ordered with the system. In all, 12 different serial cables are available for the two versions of serial modules: DTE and DCE versions of V.35, EIA/TIA-232, X.21, EIA/TIA-449 (high-speed port only), and EIA-530 (high-speed port only). Note that the cables for the two versions are not interchangeable.
If you need to order cables, contact Customer Service at 800 553-6387, 408 526-7208, or cs-rep@cisco.com.
Take the following steps to switch ON the router:
Step 1 If you have an AC-powered system, plug the system power cord into a 3-terminal, single-phase power source that provides power within the acceptable range (100 to 240 VAC, 50 to 60 Hz, 3.0 to 1.5 A).
Step 2 If you have a DC-powered system, rewire the DC-input power supply (40 to 72 VDC) to the terminal block. The proper wiring sequence is ground to ground, positive to positive, and negative to negative. (See Figure 35.)
Step 3 Turn ON the power switch. The power LED on the front should go on. (See Figure 3.)
Step 4 Check the OK LED on the right side of the front panel (see Figure 3) to verify that it goes on after a few seconds delay when booting.

When you install a new network processor module or if you want to change the configuration of an existing interface, you must enter the configuration mode to configure the interfaces. If you replaced a module that was previously configured, the system will recognize the new module interfaces and bring each of them up in their existing configuration.
After you verify that the new module is installed correctly, use the privileged-level configure command to configure the new interfaces. You should have the following information available:
The following sections describe the commands for configuring an external clock signal for a DCE interface and for configuring a port for NRZI encoding or 16-bit cyclic redundancy check (CRC). Configuration commands are entered at the privileged level of the EXEC command interpreter.
All serial interfaces support both DTE and DCE modes, depending on the mode of the interface cable attached to the port. To use a port as a DTE interface, connect a DTE adapter cable to the port. When the system detects the DTE mode cable, it automatically uses the external timing signal. To use a port in DCE mode, you must connect a DCE interface cable and set the clock speed with the clockrate configuration command. This section describes how to set the clock rate on a DCE port and, if necessary, how to invert the clock to correct a phase shift between the data and clock signals.
All DCE interfaces require a noninverted internal transmit clock signal, which is generated by the serial module. The default operation on a DCE interface is for the DCE device to generate its own clock signal (TXC) and send it to the remote DTE. The remote DTE device returns the clock signal to the DCE. The clockrate command specifies the rate as a bits-per-second value. In the following example, the clock rate for the second high-speed serial interface on a 2T16S network processor module is defined as 2 Mbps:
interface serial 1
clockrate 2000000
Use the no clockrate command to remove the clock rate for DTE operation. Following are the acceptable clock rate settings:
| 1200 2400 4800 9600 19200 38400 56000 64000 | 72000 125000 148000 500000 800000 1000000 1300000 2000000 |
Speeds above 64 kbps (64000) are not supported for EIA/TIA-232. On all interface types, if your cable is too long, faster speeds might not work.
Systems that use long cables may experience high error rates when operating at the higher transmission speeds. Slight variances in cable construction, temperature, and other factors can cause the clock and data signals to shift out of phase. If a DCE port is reporting a high number of error packets, a phase shift might have occurred. Inverting the clock can often correct this shift.
When a port is operating in DCE mode, the default operation is for the attached DTE device to return the clock signal (SCTE) to the DCE port. The DCE sends SCT and SCR clock signals to the DTE, and the DTE returns an SCTE clock signal to the DCE. If the DTE device does not return SCTE, you must use the dce-terminal-timing-enable command to configure the DCE port to use its own clock signal in place of the SCTE signal that would normally be returned from the DTE device.
To configure an interface to accept the internal clock generated by the serial module in place of the SCTE clock that is normally returned by the DTE device, specify the interface followed by the dce-terminal-timing-enable command. In the example that follows, the serial 0 port has been configured to accept the internal clock signal:
interface serial 0
dce-terminal-timing-enable
To turn off this command, use the no dce-terminal-timing-enable command.
When the serial port is a DTE, the invert-txc command inverts the TXC clock signal it receives from the remote DCE. When the serial port is a DCE, this command inverts the clock signal to the remote DTE port. Use the no invert-txc command to change the clock signal back to its original phase. The no invert-txc command is redundant with the four-port serial module because the module will automatically discover the polarity of the clock and invert the signal.
All interfaces support both NRZ and NRZI formats; which use two different voltage levels for transmission. NRZ signals maintain constant voltage levels with no signal transitions (no return to a zero voltage level) during a bit interval and are decoded using absolute values (0 and 1). NRZI uses the same constant signal levels but interprets the presence of data at the beginning of a bit interval as a signal transition and the absence of data as no transition. NRZI uses differential encoding to decode signals, rather than determining absolute values.
NRZ format, the factory default on all interfaces, is the most common. NRZI format is commonly used with EIA/TIA-232 connections in IBM environments. To enable NRZI encoding on any interface, specify the port address of the interface followed by the command nrzi-encoding. In the example that follows, serial port 0 is configured for NRZI encoding:
router#configure terminalinterface serial 0nrzi-encoding^Z
To disable NRZI encoding on a port, specify the port and use the no nrzi-encoding command. For complete command descriptions and instructions, refer to the Configuration Fundamentals Command Reference .
The ports you plan to use for asynchronous operation must be reconfigured after the initial setup. The following steps provide an example of how to configure a synchronous serial port to be an asynchronous serial port.
Step 1 Enter the command config terminal to enter configuration mode:
config terminal
The router enters global configuration mode, indicated by the Router(config)# prompt.
Step 2 Select the serial interface to configure:
interface serial 2
The prompt changes again to show that you are in interface configuration mode.
Step 3 Because all serial ports are initially configured as synchronous, you must change the port to asynchronous operation by entering the physical-layer command:
physical-layer async
Configure other asynchronous parameters according to your needs, for example:
async mode dedicated
async default routing
Step 4 To configure asynchronous line settings, use the line async command. A serial port's line number is related to its slot number and unit number in the following way:
line-number = (16 x slot-number) + unit-number + 1
For example, serial port 1/2 corresponds to line number (16 x 1) + 2 + 1 = 19. To set this port to a speed of 115200 bps, you would enter the following commands:
line async 2
To return an asynchronous port to synchronous operation, use the configuration mode physical-layer sync command.
Step 5 If you have completed the configuration, press Ctrl-Z to exit configuration mode and then write the new configuration to memory, as follows:
copy running-config startup-config
The system displays a confirmation message when the configuration is saved.
Step 6 Enter the disable command to return to the user level:
disable
Step 7 Enter the show commands to check the configuration of the interface.
All Cisco 4000 series router serial interfaces support CRC-CCITT, a 16-bit CRC. CRC is an error-checking technique that uses a calculated numeric value to detect errors in transmitted data. The sender of a data frame divides the bits in the frame message by a predetermined number to calculate a remainder or frame check sequence (FCS). Before it sends the frame, the sender appends the FCS value to the message so that the frame contents are exactly divisible by the predetermined number. The receiver divides the frame contents by the same predetermined number that the sender used to calculate the FCS. If the result is not 0, the receiver assumes that a transmission error occurred and sends a request to the sender to resend the frame.
The designator 16 indicates the number of check digits per frame that are used to calculate the FCS. CRC-16, which transmits streams of 8-bit characters, generates a 16-bit FCS. Both the sender and the receiver must use the same setting of 16. The default for all serial interfaces is for 16-bit CRC.
When you have configured the interface, use the show interface command to check the network interface statistics. Options to the show interface command include the type of interface (for example, serial), and the unit number of the interface. The following example shows the use of the show interface command:
router# show interface serial 0
The field underrun in the output of the show interface command may be nonzero in approximately 1 of 250,000 packets.
To display the current internal status of an interface module, use the show controller command with the interface type and unit number options:
router# show controller serial 0
Use the information in this section to help isolate problems. This section helps you rule out the router as the problem source. Whether or not you can locate the source of your problem, you can contact a service representative for information on how to proceed in resolving the problem. See the section "Cisco Connection Online" on page 46. Before you call, have the following information ready:
The key to problem solving in this system is to try to isolate the problem to a specific subsystem. By comparing what the system is doing to what it should be doing, the task of isolating a problem is greatly simplified.
When problem solving, consider the following subsystems of the router:
Check for the following symptoms to help isolate the problem:
Cisco Connection Online (CCO) is Cisco Systems' primary, real-time support channel. Maintenance customers and partners can self-register on CCO to obtain additional information and services.
Available 24 hours a day, 7 days a week, CCO provides a wealth of standard and value-added services to Cisco's customers and business partners. CCO services include product information, product documentation, software updates, release notes, technical tips, the Bug Navigator, configuration notes, brochures, descriptions of service offerings, and download access to public and authorized files.
CCO serves a wide variety of users through two interfaces that are updated and enhanced simultaneously: a character-based version and a multimedia version that resides on the World Wide Web (WWW). The character-based CCO supports Zmodem, Kermit, Xmodem, FTP, and Internet e-mail, and it is excellent for quick access to information over lower bandwidths. The WWW version of CCO provides richly formatted documents with photographs, figures, graphics, and video, as well as hyperlinks to related information.
You can access CCO in the following ways:
For a copy of CCO's Frequently Asked Questions (FAQ), contact cco-help@cisco.com. For additional information, contact cco-team@cisco.com.

|
|