|
|
This chapter explains how to install the BPX cards, check for 9.6 or 19.2 Gbps backplane, connect line and trunk cables, connect peripherals, connect to a network management station, initial power up, and initial configuration.
Before proceeding to this chapter, the procedures should be completed, in either:
This chapter contains the following sections:
![]() | Caution Ground yourself before handling BPX cards by placing a wrist strap on your wrist and clipping the strap lead to the cabinet, or use the wrist strap that is connected to the cabinet. |
The card shelf in the BPX has card slots numbered from 1 to 15, as viewed from left to right from the front of the cabinet. Front and rear views of the BPX card shelf are shown in Figure 7-1 and Figure 7-2. The configuration rules for the BPX are summarized as follows.


![]() | Caution Ground yourself before handling BPX cards by placing a wrist strap on your wrist and clipping the strap lead to the cabinet, or use the wrist strap that is connected to the cabinet. |
![]() | Caution Blank Front Card and Rear Face Plates must be used to fill/cover empty card slots to eliminate Radio Frequency Interference (RFI) and Electromagnetic Interference (EMI) and to ensure correct air flow through the card cage. |
Systems may be shipped with empty shelves, with filler cards or with plug-in cards installed. If filler cards are installed in each slot, some of them may need to be replaced with functional cards. The front cards are held captive mechanically by the Air Intake Grille and can not be removed until the lower Air Intake Grille is released.
![]() | Caution Do not attempt to remove a front card from the BPX cabinet until the Air Intake Grille is released and lowered or the Air Intake Grille and/or card extractors may be damaged. |
Proceed as follows to remove/install a front card.
![]() | Caution Before any card is installed, always examine the chassis backplane and card cage guides for any signs of loose or misplaced EMI gasketing. Examine the backplane connectors for bent or damaged connection or pre-power pins. |
Step 1 Turn off all power to the BPX.
Step 2 Locate the small access hole in the top center of the front Air Intake Grille below the card slots (see Figure 7-3 for location).

Step 3 Insert a small slotted blade screwdriver (0.20/0.25 inch blade width) into the access hole until it stops (approximately 1 inch).
Step 4 Carefully rotate the screwdriver approximately a quarter turn in either direction. The top of the Air Intake Grille should spring out.
Step 5 Remove Air Intake Grille.
Step 6 To remove a card, rotate the extractor handles at the top and bottom of the card to release the card and slide it out.
Step 7 To insert a new card, position the rear card guides over the appropriate slots at the top and bottom of the card cage.
Step 8 Gently slide the card in all the way to the rear of the slot and seat the board by fully seating both extractor handles. The handles should snap back to a vertical position when seated.
![]() | Caution Ground yourself before handling BPX cards by placing a wrist strap on your wrist and clipping the strap lead to the cabinet, or use the wrist strap that is connected to the cabinet. |
The optical ports contain an information label as shown in Figure 7-4.

![]() | Warning Invisible laser radiation may be emitted from the optical ports of the single-mode or multi-mode products when no fiber cable is connected. Avoid exposure and do not look into open apertures. (For translated versions of this warning, refer to the Regulatory Compliance and Safety Information that accompanied your equipment). |
![]() | Warning Class 1 laser product. (For translated versions of this warning, refer to the Regulatory Compliance and Safety Information that accompanied your equipment). |
![]() | Warning Laser radiation when open. (For translated versions of this warning, refer to the Regulatory Compliance and Safety Information that accompanied your equipment). |
Proceed as follows to install back cards:
Step 1 Locate the card to remove.
Step 2 For existing installations, remove any cable(s) that may be attached and tag them so they may be replaced in the same location.
Step 3 Loosen the captive mounting screws on both top and bottom of the line module faceplate with a slotted blade screwdriver (Figure 7-5)
Step 4 Lift the extractor handles at the top and bottom, and slide out the line module.
Step 5 To re-insert the line module, locate the corner edges of the card into the appropriate guide slots at the top and bottom of the card cage. Gently slide the card in all the way to the rear of the slot and push to seat the card in the connector.
Step 6 Screw in the captive screws.
Step 7 Replace any cables that may have been removed in step 2.

In order to operate the BPX Service Node at 19.2 Gbps the following is required:
The 19.2 backplane can be visually identified by the small white card slot fuses at the bottom rear of the backplane. These fuses are approximately 1/4 inch high and 1/8 inch wide. The 9.6 Gbps backplane does not have these fuses. If the BPX Service Node is a late model, then a 19.2 Gbps backplane is installed. This can be verified by running the dspbpnv command which will display "Word #2 =0001" if the backplane NOVRAM has been programmed. If anything else is displayed, you'll have to visually check the backplane for the fuses.
If the backplane is a 19.2 Gbps backplane, but the backplane NOVRAM has not been set to display Word #2 =0001, then the cnfbpnw command may be used to program the NOVRAM as follows:
Step 1 Enter cnfbpnv, and the response should be:
Are you sure this is a new backplane (y/n).
Step 2 Enter y
Step 3 Confirm that the change has been made by entering dspbpnv to confirm the response:
Word #2 =0001
Step 4 Enter switchcc in order for the change to be recognized by the switch software.
If the backplane is not a 19.2 Gbps backplane, then it will be necessary to install a 19.2 Gbps backplane to obtain 19.2 Gbps operation. Contact Customer Service.
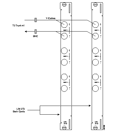
Each LM-3T3 and LM-3E3 line module (BNI backcard) provides three ports with a BNC connector each for the XMT trunk output and for the RCV trunk input. Each LM-2T3 and LM-2E3 line module (ASI backcard) provides two ports with a BNC connector each for the XMT line output.and for the RCV line input.Make the T3/E3 connections to each port as follows.
Step 1 Bring each cable through the opening at the bottom of the cabinet at the back and route them up the side.
Step 2 The BPX has tie-downs inside the cabinet to hold cabling in place. Pull them apart as applicable, place the routed cable in position, wrap the ties around the cable and remake the loops by pressing the two sections together.
Step 3 Connect the cables to the BNC connectors on the LM-3T3 or LM-3E3 line modules. Remember, the RCV is an input to the BPX and XMT is an output from the BPX. The ports are numbered from top to bottom as indicated in Figure 7-6.
Step 4 Record which slot and port number are used for each trunk or line. You'll need the information later when configuring the network.
Step 5 If optional Y-cable redundancy is desired, locate a 3-way BNC Y-cable adapter for each port to be so equipped. As an alternative to the Y-cable, use a BNC "T" and two short BNC-BNC cables.
Step 6 For card redundancy, make sure there are two appropriate line modules equipped in adjacent slots.
Step 7 Connect two legs of the Y-cable to the XMT T3 or E3 connectors on the same port on each of the two line modules (Figure 7-7). Do the same with the two RCV T3 or E3 connectors.
Step 8 Connect the third leg of the XMT and RCV Y-cable adapters to the XMT and RCV trunk cable.


Each OC3 line module provides two ports with both a transmit and receiver connector for each port. The following applies to the 2OC3-SMF and 2OC3-MMF backcards, except that Y-Cabling redundancy is supported only for the 2OC3-SMF card. Make connections as follows:
Step 1 Bring each cable through the opening at the bottom of the cabinet at the back and route them up the side.
Step 2 The BPX has tie-downs inside the cabinet to hold cabling in place. Pull them apart as applicable, place the routed cable in position, wrap the ties around the cable and remake the loops by pressing the two sections together.
Step 3 Connect the cables to the applicable connectors on the OC3 line modules. Remember, the RCV is an input to the BPX and XMT is an output from the BPX. The ports are numbered from top to bottom as indicated in Figure 7-8.
Each OC3 or OC12 line module provides ports with both a transmit and receiver connector for each port. The following applies to OC3 and OC12 backcards, except that Y-Cabling redundancy is supported only for the SMF cards. Make connections as follows:
Step 1 Bring each cable through the opening at the bottom of the cabinet at the back and route them up the side.
Step 2 The BPX has tie-downs inside the cabinet to hold cabling in place. Pull them apart as applicable, place the routed cable in position, wrap the ties around the cable and remake the loops by pressing the two sections together.
Step 3 Connect the cables to the applicable connectors on the line modules. Remember, the RCV is an input to the BPX and XMT is an output from the BPX. The ports are numbered from top to bottom.
Step 4 Record which slot and port number are used for each trunk or line. You'll need the information later when configuring the network.
Step 5 A Y-Cable redundancy connection for the SMF-2-BC backcard is shown in Figure 7-8. Y-Cable redundancy is supported only for the SMF-2-BC backcard which is used with either the BNI-155 or the ASI-155.
Step 6 For card redundancy, make sure there are two appropriate line modules equipped in adjacent slots.
Step 7 Connect two legs of the Y-cable to the XMT connectors on the same port on each of the two line modules (Figure 7-8). Do the same with the two RCV connectors.

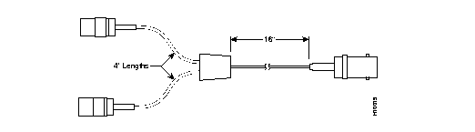
Each T3/E3 line module provides ports with both a transmit and receiver connector for each port. The backcards can provide 4, 8, or 12 ports. Figure 7-9 shows a typical T3/E3 cable connector that connects to the BXM T3/E3 cards. Y-Cabling redundancy is supported on the BXM T3/E3 cards. An example of a Y-cable is shown in Figure 7-10.
Make connections as follows:
Step 1 Bring each cable through the opening at the bottom of the cabinet at the back and route them up the side. If Y-cables are used, the Y-cable connects to the corresponding connectors on adjacent cards.
Step 2 The BPX has tie-downs inside the cabinet to hold cabling in place. Pull them apart as applicable, place the routed cable in position, wrap the ties around the cable and remake the loops by pressing the two sections together.
Step 3 Connect the cables to the applicable connectors on the T3/E3 line modules. Remember, the RCV is an input to the BPX and XMT is an output from the BPX. The ports are numbered from top to bottom.
Step 4 For an open rack configuration and where Y-redundancy is not being used, an optional cable management tray is available to help route cables when a number of DS3/T3 cards are installed resulting a large number of cables to handle. Refer to Chapter 8, T3/E3 Cable Management Tray


Dry contact relay closures are available for forwarding BPX system alarms to a user office alarm system. Separate visual and audible alarm outputs are available for both major as well as minor alarm outputs. These outputs are available from a DB15 connector on the LM-ASM faceplate (Figure 7-11). Refer to the BPX Reference Manual for a list of the pinouts for this connector. Use switchboard cable for running these connections.

The BPX has two RS-232 serial data ports (labeled CONTROL port and AUXILIARY port) and an Ethernet port (labeled LAN) on the LM-BCC back card for attaching peripherals.
A network (or each domain in a structured network) must have at least one connection to a control terminal or StrataView Plus network management workstation. The StrataView Plus NMS workstation is used to configure and maintain all nodes in a network and report network statistical data. In addition, a network printer must be connected to the AUXILIARY port if you wish to print.
If it is desired to have Cisco Customer Service perform remote troubleshooting, a dial-in modem must be attached to the network. Procedures for attaching peripherals to the BPX are contained in the following paragraphs. Be sure to read the manufacturers literature to ensure that you have made the equipment ready for attachment, before attempting to attach it to the BPX.
Refer to the following documents for additional information on the following related subjects:
A basic VT-100 type terminal may be connected to this port for use in entering commands to bring up a new node. (Note: Since the StrataView Plus NMS workstation requires a LAN connection to a node in the network in order to perform its management functions, it is not connected to the Control Port during normal operation.) In these procedures, the term BCC is used to refer to either the BCC-3 or BCC-32 which are functionally identical, though each requires its own type of backcard, BCC-3-bc or BCC-bc (also known as BCC backcard), respectively.
Attach a terminal to the BPX as follows:
Step 1 From the back of the cabinet, run the control terminal RS-232/V.24 cable through the opening at the bottom and up to the LM-BCC card in back slot 7.
Step 2 For nodes with single BCC: Locate the CONTROL port connector on the LM-BCC in slot 7. Attach the RS-232/V.24 cable as shown in Figure 7-12. Go to Step 5.
Step 3 For nodes with redundant BCCs: A Y-cable is required for this application. Connect one leg of the Y-cable to the CONTROL port connector on the backcard in slot 7 and the other leg to the slot 8 CONTROL port connector.
Step 4 Attach a RS-232/V.24 cable to the remaining leg of the Y-cable as shown in
Figure 7-13.
Step 5 Fasten the cable connector to the CONTROL port connector with the captive screws on the connector hood.
Step 6 Plug the control terminal (or StrataView Plus) power cord into the appropriate wall receptacle (115 VAC or 240 VAC) and switch it on.
Step 7 Set the port function for VT100/StrataView using the cnftermfunc command if connecting to a StrataView Plus workstation. If using a "dumb" terminal, select VT100 only (# 5).
Step 8 Make sure that the CONTROL port and the terminal or workstation are set to the same baud rate and check the other communication parameters using the cnfterm command.


Refer to the following documents for additional information on the following related subjects:
The StrataView Plus NMS is connected to an Ethernet port (LAN port) on a node in the network for the purpose of network management. The LAN port provides the capacity necessary for the network management traffic and network statistics collection. See Figure 7-14 illustrating this connection.
For access to the node using an Internet connection, the Internet Protocol (IP) address, IP subnet mask, TCP service port, and gateway IP address must be entered by the user with the cnflan command.

Step 1 Contact your System Administrator to obtain IP addresses for your workstation and for the BPX/IPX node you are going to configure.
Step 2 Normally, the System Administrator will provide the IP addresses for the workstation and node. Refer to the SV+ Operations manual for instructions on configuring the SV+ workstation.
The addresses shown are just examples. Use the addresses obtained from your System Administrator. (This example is for a workstation named "hedgehog" at address 192.187.207.200. It also assumes that the BPX, IGX, or IPX node LAN port for node sanfran has been assigned an IP address of 192.187.210.30 and a hostname of sanfran. Your own host name and addresses will be different.)
192.187.207.200 hedgehog
192.187.210.30 sanfran
Step 3 Configure the LAN port on the BPX/IPX node using a dumb terminal or an RS-232 connection via the workstation (using the vt command, as applicable) to enter the appropriate cnflan parameters.
The cnflan command configures the node's communication parameters so that the node can communicate with a StrataView Plus terminal over an Ethernet LAN using the TCP/IP protocol. The parameters contain address information about the Ethernet TCP/IP network that is used to connect the StrataView Plus station to an IPX or BPX node. The values used must conform to those of the network and should be supplied by the Ethernet network administrator.
The cnflan command has the following parameters:
A cnflan screen is shown in Figure 7-15 for the LAN setup shown in Figure 7-16. An IP address of 192.187.210.30 has been entered as the active IP address for the node. The IP Subnet mask is entered as 255.255.255.0 for a Class C LAN network. The TCP service port is entered as 5120. Since the workstation and node are on different networks in this example, a gateway address of 192.187.207.1 (the address of the node serving as a gateway for SV+, in this example), which must be obtained from your System Administrator, has been entered. If the workstation and node are both on the same network, no gateway address is needed. The "Maximum LAN Transmit Unit" and "Ethernet Address" parameters are not configurable by the cnflan command. The "Ethernet Address" is a hardware address that is different for every node controller card, e.g., BCC.

Step 4 Connect the StrataView Plus workstation and the BPX node to a LAN network. The LAN port on the BPX node provides a DB-15 connector that can be connected to a Y-cable which in turn is connected to an AUI as shown in Figure 7-14.
Step 5 To test that a LAN connection to the BPX LAN port is okay, for example, for a hostname of "sanfran" entered in the config.sv file, you could enter the following at the SV+ workstation:
ping sanfran
Step 6 An IP Relay address needs to be configured for each node. Figure 7-17 shows an example of using the cnfnwip command to configure the IP Relay address for a node. Also, at the workstation, the /etc/hosts table and routing need to be set up for each node in the network. This is so that that network management using SNMP and statistics collection using TFTP via inband ILMI may be carried out. Also, assuming an isolated network for the nodes, the workstation must be isolated from the NIS reference pages in order that the SV+ workstation consults the /etc/hosts table. Refer to the StrataView Plus Installation and Operation manuals for further information.
Step 7 Once the workstation and BPX node interface have been set up, SV+ can be started. Figure 7-18 shows the dsplan screen after SV+ has been started and the communication sockets are active.



Figure 7-19 shows an example of a StrataView Plus workstation LAN connection to a BPX on a network with no gateway router, nor connection to another LAN. This type of LAN connection could also be connected through a "Hub" which is essentially a signal splitter (passive or active).

In most systems, the network printer will be connected to a serial port on the StrataView Plus NMS terminal server. The maintenance log and all statistics data will reside on the StrataView Plus. However, it is possible to connect a printer to a node and use various BPX system software print BPX Peripheralscommands to print locally. This may be helpful during the initial network installation phase.
Appendix C, BPX Peripherals, lists the types of printers supported by the BPX along with configuration settings. Appendix B, BPX Cabling Summary lists the pin assignments for the AUXILIARY port on the BPX and the recommended RS-232/V.24 cable pinout and printer DIP switch settings. Attach the printer to the BPX as follows:
Step 1 Check the printer RS-232/V.24 cabling pinout, and if required adjust the DIP switches to the settings indicated for the type of printer to be connected to the BPX.
Step 2 For nodes with single BCC: Connect the RS-232/V.24 printer cable to the AUXILIARY port on the LM-BCC back card (Figure 7-20). Go to Step 5.
Step 3 For nodes with redundant BCCs: A Y-cable is required for this application. Connect one leg of the Y-cable to the AUXILIARY port connector on the LM-BCC in slot 7 and the other leg to the AUXILIARY port connector on the LM-BCC in slot 8.
Step 4 Plug the printer power cord into the appropriate AC outlet (115 VAC or 240 VAC).
Step 5 Set the port function for printer using the cnftermfunc command.
Step 6 Make sure the control port and the printer are set to the same baud rate and check the other communication parameters using the cnfterm command.

A modem may be connected to each BPX node to provide remote access by Cisco Customer Service (Figure 7-21). For information on connecting and configuring a modem refer to Appendix C, BPX Peripherals.

These modems connect to a standard telephone line wall jack. The modem connections require special cables and setup procedures. Refer to Appendix C, BPX Peripherals, for instructions on connecting and setting up the modems. If the BPX is equipped with redundant BCCs, an RS-232 Y-cable must be used for these connections.
The BPX provides connections for supplying a timing signal to synchronize the operation of an adjacent IPX node. A connector on the BPX LM-BCC back card, labeled EXT CLK OUT supplies a clock signal at either a T1 or E1 rate which can be connected to the IPX EXTERNAL CLOCKS connector on the IPX SCC back card (Figure 7-22). This uses a straight-through DB15 to DB15 cable, male to male. See Appendix C, in the BPX Reference Manual, for pin-outs.
If the BPX node is to be synchronized to some other external equipment or a local digital central office, one of two other connectors on the LM-BCC can be used to provide a clock input. A DB15 connector labeled EXT CLK IN can be used to connect a balanced T1 or E1 signal, synchronized from some higher-level source, to the BPX. If an unbalanced 75-ohm E1 signal is available as the timing source, a BNC EXT CLK IN connector is also provided. The BPX senses an active signal at any of these inputs and automatically synchronizes to this source rather than the internal Stratum 3 clock source.

Before operating the BPX, check that the following procedures have been performed:
Step 1 The BPX is connected to an appropriate power source with an isolated ground connection, per the procedures in Chapter 5, Installation, DC Shelf Initial Setup, or Chapter 6, Installation, AC Shelf Initial Setup, as applicable.
Step 2 The BPX power cord is plugged into an appropriate power outlet.
Step 3 The full complement of cards for the specific node are mounted in the correct slots, correctly seated, and locked in place.
Step 4 The T3 or E3 connections are attached to the appropriate LM-3T3/3E3 faceplate.
Step 5 A control terminal (or StrataView Plus Work Station) is connected to the CONTROL port on the LM-BCC in back slot 7/8, and the terminal's power cord plugged into the appropriate voltage wall outlet.
Step 6 If needed, a printer may be connected to the AUXILIARY port on the LM-BCC in back slot 7/8 and the printer power cord plugged into the appropriate power outlet.
Step 7 If needed, a modem(s) may be connected to the CONTROL port or AUXILIARY port, as applicable, on the LM-BCC in back slot 7/8, and the modem(s) power cord(s) plugged into the appropriate power wall outlet.
Step 8 From the back of the BPX cabinet, turn the power switches to the ON position.
Step 9 From the front of the BPX, observe the cards go through initial diagnostic self-tests.
The BPX software provides a group of diagnostic tests to be run on the system's hardware at power-up. The startup diagnostic either passes or fails the BCC(s) tests. The test result is displayed on the control terminal screen as pass or fail. Figure 7-23 illustrates a successful power-up diagnostics sequence.

If a BCC fails the power-up diagnostic, it will not boot. When that happens, do the following:
Step 1 Remove the failed BCC from its slot.
Step 2 Reseat the BCC in the same slot.
Step 3 Wait for the power-up diagnostic to run.
Step 4 If the BCC fails the power-up diagnostics a second time, replace it with another BCC that is known to have passed the test.
Once the software has successfully booted up, the NMS terminal will display the software on-line screen (Figure 7-23). At this point, you may login as a user to the node.
|
|