|
|
The securized virtual circuits offer the following functions:
For the user this service is transparent.
This securized service can be used for all transmission protocols as well as for the management functions.
To use this facility the following parameter value must be set to "1":
The configuration manual gives the other possible values for securized virtual circuit.
When this parameter is set to "2", securization is not allowed. Each attempt to establish a securized virtual circuit results in clearing the subscriber.
When parameter 94 = "3"the securization is filtered. Generally, only the subscriber lines can be securized.
Filtered securization of a line can be used as shown in the following example:

Calls transmitted by the subscriber to his usual network are securized. Calls to another network are not securized. This possibility is offered only in the direction from subscriber to filtered line and if the securized subscriber and the filtered line to the other network are connected to the same FastPad.
If the calls transmitted by the subscriber are not reliable, but if he can receive reliable calls, then parameter 94 has the value 3.
For routing
Barring exceptions (responsibility of the operator), these parameter should not be modified (class 24, recurrences 0 and 1).
The network virtual circuit is re-established when the calling securized party sends a new call packet, while, during the re-connection time. the securized called party waits for the call reception.
| · number of call repeats: | C24R2P20 |
| · "slow call" time-out: | C24R2P21(x l sec) |
It is possible to speed up the re-connection by configuring a lower value for the "slow call" time-out (recommended value: minimum 2 sec), but the processor load will increase at the cost of other FastPad users.
Also the "wait for re-connection" time-out (default: 2 minutes) and the "number of call repeats can be changed.
When a clear of the network takes place, the call is re-transmitted after expiration of the "slow call" time-out.
Data recovery takes place after each re-establishment of virtual circuits but also when a network reset is received. However. the maximum number of recoveries is limited; it can De configured as follows:
The "fast select" facility is used by default by the securized virtual circuits though it can be "switched off" if the operator desires.
In that case, a supplementary packet must be transmitted and the time to establish or to re-establish a securized virtual circuit is extended.
| · "Fast select": | C24R2P54. |
It is possible to modify the transport window. The default value is "10". This rate is valid for the entire FastPad, not only for the securized lines.
| · Transport window: | C24R1P35. |
When it has not been possible to re-establish a connection, the X.224 and 8073 standards propose to wait (to freeze) for 2 minutes before using the reference number again. This time-out can be configured:
| · Freezing time-out: | C24R1P23 (x 10 sec)
C24R2P23 (x 10 sec). |
Address conversion can be configured the same way as it is configured for an X.25 line (C24R1P89).
However, the subscriber call request packet may be thus converted only:
The subscriber call packet has no address conversion in the X.25 network but only on both ends.
Only the call packet transmitted on a securized virtual circuit is converted, this packet is only intended for the "called" securized virtual circuit.
The securized function is configured with a certain number of logical channels (maximum number of securized VCs), the same way as for an X.25 link.
Modification of the number of logical channels is carried out the same way as for an X.25 link (class 24, recurrences 1 and 2).
Address conversion can be configured the same way as it is configured for an X.25 line (C24R1P89).
The packets transferred in the TPDU are configured with a size of 128 bytes (by default). A packet containing more than 128 bytes is split up.
Only in exceptional cases this value should be changed (because it must be the same in the entire network). in that case it should be configured in C24RlP62 to 67 (ESV/N4) and the double value in C24R2P62 to 67 (IR).
It is possible to subscribe to the reliable virtual circuit service for connection lines grouped under the same address, even if the lines are located on different modules at a unit or of several units.
The distribution of calls to the lines then takes place using equally shared routing, for example.
During e recall, the distribution conditions are often different from those of the initial call, and the reliable virtual circuit service must receive the new call on the same module as the initial call.
If the distribution of lines exceeds 1 module, the network interface must subscribe to the callback feature: C24R2P81 = 2 as must the links between the units.
This service is not available with management functions.
The compression algorithm referenced LZ77 corresponds to Stac LZS compression. Stac is a registered trademark and LZS is a trademark of Stac Electronics.
This service makes it possible to reduce the length of the data in packets transmitted over the X.25 network between two switches. It is transparent for the subscriber and consequently be implemented whatever the type of subscriber line.
Entire sequences of packets (M bits) are managed so as to reduce the number of packets moving within the network.

Node = Host switch
The service may be established only between two users whose lines include compression subscription. All calls from a configured lines offer the service.
The subscription of a line for compression is defined by two parameters:


This field determines first whether the line has a subscription (S = 1) or not (S = 0) to the compression service.
If yes, it indicates the direction in which it is implemented:
The field B indicates scrambled (B = 1) or unscrambled (B = 0) compressed data.
By default the compression service is negotiated between the Host switches (N = 0). Bit N allows the implementation of this service without negotiation (N = 1). In this case, buts D and S keep their meaning; bit M becomes imperative.
The grouping of packets makes it possible to concatenate in a packet leaving compression the result of the compression of several packets to be compressed, without Mbit.
The resulting packet is sent when it is full, or upon the expiry of a time-out if it is not full.
This service is de-activated during the processing of a packet sequence (M bit at 1), during which the management of the M bit for compression takes over.
The field RPQ indicates firstly whether the line is a subscriber (=0) or not (-0) for packet grouping.
If the line is a subscriber, this field also indicates the value of the time-out associated with this service. It is expressed in hundreds of milliseconds.
Possible values: 0 to 15
Default value: 0.
This parameter is significant only for compressed VCs established with equipment lower than V10.1 It indicates the period (in size of data to be compressed) of the compression rate measurement.
This measurement makes it possible to decide on possible resetting of the compression dictionary.
It is expressed in multiples of 32 bytes.
Possible values: 1 to 255 (32 to 8160 bytes).
Default value: 16 (512 bytes)
This parameter is significant only for compressed VCs established with equipment lower than V10.1
It indicates the ratio between the current compression rate and the maximum compression rate previously measured; below this ratio, the compression dictionary is reset.
It is expressed in percentage.
Possible values: 0 to 100
Default value: 90
Number of compression VCs managed on a FastPadmp equipment or on the module 0 of a FastPadmp12/mprxx equipment.
Number of compression VCs managed on module 1 of a FastPadmp12/mprxx equipment.
Number of compression VCs managed on module 2 of a FastPadmp12/mprxx equipment.
The implementation of compression requires the modification of these parameters and total reset of the equipment. The number of free buffers in the equipment depends to a great extent on these parameters (54 buffers per configured compression VC).
Possible values: 0 to 100 for equipment with 2Mbytes of RAM
Default value: 0
The management of switched lines (PSTN or ISDN) can be handled by the Dynamic Line Management function (DLM) incorporated in the equipment. It allows optimization of the use of switched lines for backup and for load overflow.
The DLM management function performs the following:
These services can, if necessary, be provided by FastPad equipment without call interruption.
These functions may be supported by:
Two dimensioning optimization mechanisms (traffic overflow on switched lines) are offered:
The load thresholds for the overflow are determined, if the option is available, by means of load statistics through the analysis of line loading in time brackets of 24 hours.
In the absence of this option, the overflow load measurement mechanisms may be used independently in order to determine the loading thresholds.
In the event of excessive traffic on a line, it may be shared between this line and one or more other switched lines. Traffic sharing is handled using the X.25 MPL procedure. This overflow, local to a line, takes place without any interruption in the VCs established on this line.
In the event of excessive traffic on a line. the traffic can be switched over to a higher capacity switched line. Unlike overflow offered with the MPL procedure, this type of overflow is called CHANGEOVER. The VCs established on the changed over line are cut off. It is possible to mask the cutoff to the terminal equipment with the securized VC service.
Changeover takes place when all the VCs established on the line go through the same "access point" (example: front-end of a Host). This service can also be used for overflow for a line when MLP is not applicable (the remote equipment does not manage MLP).
Restriction: During the use of PLLs on the D-channel, the changeover is applied if all the VCs established on the PLL have been established on the initiative of the FastPad.
Optimum use of switched lines is achieved by means of a set of basic services ("Toolbox") that may within certain limits be combined.
These services are as follows:
(*): limitations according to type of connection
The possible types of connection are the following:
Some services have restrictions depending on the type of connection and combinations of services are not offered.
For inputs, the use is identified by the standard elements of the ISDN access D protocol. These are the following:
These elements:
Identification and, consequently, combined use at input, is possible only on S0 eccesses incorporated in the equipment.
Access to switched lines may be handled by the DLM management function; this is done:
For each dedicated line of a node, the utilization conditions of the switched accesses for each DLM service must be specified. For this, the following information must be indicated for each line;
The list of switched parties is referenced by a unique X.25 address, which may be real or logic. This address is the switched network "Aimed Point" associated with the line.
It is possible to indicate, for each switched number associated with the aimed point, an associated behavior. This makes it possible to define:
The list of switched lines depends on the routing used and hence on the aimed point when the routing is carried out with the aimed point.
The DLM management function is called upon for routing.

S0 interfaces appear in the routing through the declaration of the two associated B channels.
| Class 9 ZO unknown: | ZO = 04 |
| ZO = 02 - 4,6,0,3,49,13,14,7,8 | |
| ZO = 05 |
3 = dedicated line
12 = S0 interface (12 D channel, 13 and 14 B channel)
06 = S0 interface (06 D channel, 07 and 08 B channel)
The DLM function is called upon for the backup of line 3. Call request packets are managed by DLM when line 3 is out of service.
To manage this backup, DLM knows the switched lines authorized (S0 6 and 12). The numbers to be used are defined by means of the switched aimed point associated with line 3. To accomplish this, in C12 R3. the remote equipment parameter delivers the position in C22 of the switched aimed point which corresponds here to the remote equipment.

DLM opens a 8 channel among the B channels of interfaces 6 and 12 with the number NUMl for the backup of line 3.
Routing with aimed point management associates the set of addresses with an equivalent address (called aimed point). Routing is then broken down into two stages:
With the same configuration as the preceding example, this results in the following:

The management of routing aimed points makes it possible to structure routing by stating that the access to nodes 04 and 05 takes place through node 02.
The configuration is simplified generally since, the only unknown ZO is 02 (immediate neighbor) and the only X.25/switched-number translation required is the address of 02, number NUM1.
The backups offered are the following:
Node (or combined line/node) backup is a basic offering through the integrated ISDN accesses thanks to the multiple backup. It is pointed out that in association with an X.25 address (or with a line through its associated switched aimed point), it is possible to define a list of switched network addresses to be used. This makes it possible, for example, to have a number to back up a line and in the event of failure (node out of service), to try another number in order to reach another node.
Centralized management of switched lines on these backup modes allows:
The implementation of backup by DLM is offered only in connection with the backup of a line and/or a node. It can be applied automatically on a call request packet or manually Upon authorization from a management central or from an operator.
This possibility is embodied in routing in accordance with the following general syntax:
<previous choice>, DLM, <SL-list,...>
with:
| <previous_choice>: | Optional field designating, as applicable: a dedicated line or the main line of an MLP bundle. |
| DLM: | Number of the DLM function (49 in decimal), |
| <SL_list,...>, | Optional list of 1 to 5 switched lines of the unit, of the PSTN or ISDN type. In the case of ISDN, an S interface is designated by the contiguous list of its B channels or by the S interface itself. |
| <SL list,...> can be omitted only if <previous choice> is the PL of a bundle |
The routing configuration has the following form: class 9 rec xx: 4, nn, O,LL1,LL2,DLM,SL1,SL2,SL3...
where:
nn is the total number of lines.
When LL1 and LL2 are out of service, the call is transmi1ted to DLM. To back up the LL2, DLM uses one of the lines SL1, SL2 and SL3. The switched network number is deduced from the X.25 address regenerated by LL2.
Example: definition at lines:
| 0: | DL not forming part of an MLP bundle |
| 1: | DL main line of an MLP bundle |
| 2: | PSTN line |
| 3, 4, 5: | ISDN S0 interface (D channel + 2 B channels) |
| 6, 7, 8: | ISDN S0 interface (D channel + 2 B channels) |
| 9: | PSTN line |
| 160: | PLL on ISDN S0 interface |
The following combinations are considered valid:
| 0, 49, 2, 9, 160 | Line backup |
| 0, 49, 4, 5, 2, 7, 8 | Line backup |
| 160, 49, 3 | PLL backup |
| 1, 49 | Trunk line backup |
| 1, 49, 2, 4, 5 | Trunk line backup + node backup |
| 49, 7, 8, 4, 5 | Address backup |
The following combinations are wrong:
| 0, 49, 2, 4, 5, 7, 8, 9: | List of SLs limited to 5 elements |
| 0,49,4,2,5: | B channels must be contiguous |
| 0, 49,3, 6: | S interface must be designated by its B channels, |
| 2, 49, 4, 5: | < previous_choice > cannot be a switched line. |
The choice of this type of backup is obtained via the line, by positioning the behavior connection parame1er at "non-automatic backup". This type of backup must be configured on the two end switches of the link.
The opening of the backup can be authorized by modification of the behavior, or by a telemaintenance command indicating the switched aimed point associated with the line to be backed up. The line thus opened is closed automatically upon 0 VC detection. Calls to be backed up must consequently be sent before the expiry of the supervision time-out on the number of VCs.
The end of the backup, i.e. the disconnection of the switched lines opened for the backup. can be obtained automatically when the backed up lines go into service. The switched line centralized management system knows, for each line Opened, the switched network address of the other party. When a dedicated line goes into service and if the connection configuration of this line indicates "return to automatic backup", DLM closes all the switched lines whose destination address is included in the list of addresses of the switched aimed point associated with the line. The return of backup can be configured on both ends. It is possible to configure this service on only one of the two ends with certain restrictions when the switched accesses are not managed with the ISDN unit incorporated in the FastPad equipment. The corresponding switched network must be known by the equipment to offer this service, which is not the case when it is called on the switched network on lines managed by PSTN modems or ISDN ATs. If the switched party is not known, DLM in any case does not cut off the established connections.
Load measurement is a service that can be used independently of load overflow. For each line, an outstanding event involving a threshold overshoot is generated when the measured load is higher than the upper threshold or lower than the lower threshold.
Outstanding events can be processed internally by the Dynamic Line Management function (DLM) and/or transmitted to a remote Network Management System.
The "upper threshold" outstanding event is repeated as long as the load is higher than the configured threshold.
The "lower threshold" outstanding event is repeated as long as a switched line of the "backup/overflow" (C12R5P128) type is connected.
In the case of an MLP bundle, it is sufficient that a line of this type be open for the outstanding event to be repeated with each consolidated measurement.
The transmission frequency for these outstanding events can be limited by a DLM management function parameter (C24R5P128). This parameter configures the time-out between transmission of two outstanding events concerning the same line (lower threshold and upper threshold).
Load measurement is carried out by the observation of traffic (transmit and receive directions) on the lines during a period of time. This may be configured (C24R5P127 in steps of 10 s) for all the lines.
For each line, the measurement of this period is compared with the associated thresholds. This comparison is made on the basis of the maximum incoming and outgoing traffic.
The use of a switched line to relieve the overloaded line (overflow) takes place when this comParison is positive n times consecutively. The parameter n can be configured for each line in C12RIP124.
The thresholds are expressed in occupation percentage. The calculation of the occupation percentage of a line is carried out using the speed declared during configuration.
For the integrated ISDN, the speed is fixed (64 kbytes) and not configurable; for this reason, the DLM management function does not take into account the configuration in calculating the occupation percentage of B channels.
For the cost of an S0 interface, it must be configured on the D channel.
The standard MLP procedure is located between layers 2 and 3 of Recommendation X.25. It enables an X.25 level 3 to use several X.25 level 2 (LAPB) and thus distribute the traffic of a call on several lines.
Maintenance of established calls during the disconnection of the line by the repetition of lost frames on another line or by waiting for reconnection of a line before interrupting the calls.

| PL: | Principal Line (packet level active on this line) |
| SL: | Secondary Line (no packet level active) |
| P: | Packet |
| F: | Frame |
| L: | Line |
All the lines of a bundle must be on the same module.
A bundle is identified by the routing line Called the "principal line". The other lines are called "secondary lines". All the lines of a bundle (up to 8) must be located on the same module.
Backup and overflow of the lines of the bundle takes place without any virtual circuit (VC) break. In the case of remote equipment failure, backup is possible with VC breaks (possible use of securized virtual circuits).
The "line backup" service makes it possible to maintain the link between equipment by means of the remaining lines of the bundle or by opening an automatic or manual line.
Start-up and stopping of the "switched network line backup" service can be automatic or manual.
The opening of a switched backup in automatic mode is accomplished without a VC break and only when VCs have already been established in the bundle. The bundle is closed when no VC is established.
When subsequent calls are transmitted to the DLM function (routing configuration), a switched backup is opened to allow the reopening of the bundle.
Upon closing of the backup via the switched network without the use of the "automatic overflow" service, the opened switched line is closed upon a level 2 event on one of the secondary lines of the bundle in service.
When the automatic backup is used with the "automatic overflow" service, the cutoff of opened switched lines takes place according to the load. Automatic line backup must be configured on a single equipment (master).
This service allows overflow of part of the LS traffic of a bundle onto one or more switched lines. It may be manual or automatic (e.g. remote control from a Network Management System).
Opening and closing of switched lines in automatic mode takes place according to the bundle load measurement.
MLP bundle load measurement takes into account all the lines of the bundle whose level 2 is in service; it is carried out with the parameters of the principal line.
Only the maximum data rate of each line must be obligatorily configured in order to deduce the maximum data rate of the bundle. This is the sum of the bundle lines in service. The upper and lower thresholds as well as the consolidation configured on the secondary lines are not taken into account.
On each transmission of an "upper threshold" outstanding event, the DLM management function opens a switched line complying with the order of declaration of the lines in the bundle (C25). The opening of this switched line allows an increase in the maximum data rate of the bundle, leading la a atop in the overall load threshold of the bundle. Switched lines are opened one by one and their opening speed depends on the configuration of the load measurement.
When the dynamic link management (DLM) function is unable to connect a switched line in the trunk, a queuing time-out of 6 minutes (not configurable) is set. During this period, no overflow attempt is undertaken (upper threshold OEV ignored).
On each transmission of e "lower threshold" outstanding event, the DLM management function analyzes the possibility of closing the last switched line(s) opened. These lines are not closed under the following conditions:
MLP bundle consisting of an LS (main line of bundle) at 9.6 kbyte and an S0 access (2 B channels at 64 kbytes). The parameters for load measurement are:
P125 lower threshold: 40º/o
P126 higher threshold: 80%
P28 line speed: 10 (9.6 kbytes)
P124 consolidation: 2
P128......: 0 (LS)
Class 12 Secondary Line (D channel)
P128......: 1 (switched access)
For the other types of access, the line speed must also be configured.
P127 integration timing: 2 (or 20 seconds)

x: transmission of OEV + opening/closing
e: transmission of OEV
If automatic overflow has been configured:
Load > upper threshold LS = 7.7 kbytes opening 1 B channel
Load > upper threshold LS + 1B = 58 kbytes opening 1 B channel
Load < lower threshold LS + 1B = 58 kbytes closing B channel
Load < lower threshold LS =3.8 kbytes closing S channel
The possibility of placing several switched lines with different addresses in an MLP bundle is used only when the switched access is capable of managing a list at numbers. In the event of failure on a number, the switched access must continue its connection attempts on the following numbers. It is pointed out that, as in certain modems and ISDN ATs, the FastPad integrated ISDN access offers this service.
The sharing of switched accesses between several bundles is used only with the integrated ISDN accesses.
The changeover procedures can take place without a break in the call, using the securized VC service of FastPad equipment. This service may, for example, be implemented on the "calling" or "called" subscriber connection equipment. The cutoff of a VC (line or node out of service in the network) is not immediately carried over to the subscribers. The "calling" subscriber equipment tries to reestablish another VC with the "called" subscriber connection equipment.
VC reestablishment takes place without any loss of data.
The use of centralized call management is mandatory for this service.
If a line is saturated, its traffic can be changed over to a switched line of higher capacity. Unlike the overflow offered with the MLP procedure, this type of overflow is called CHANGEOVER.
Changeover is caused by logically closing the saturated line. VC establishment must take place through the switched line opened for this purpose.

Under certain conditions, when all the traffic of a line converges towards a single access point, It is possible in the event of local saturation to change over the traffic from this line onto a switched line of higher capacity connected directly to the access point.

The conditions are:
On changing over to a switched line, the parameters of the switched LS are taken into account for load measurement on the switched line. This load measurement is carried out with consolidation, the lower threshold and the maximum rate configured on the switched LS. On the other hand, the upper threshold on a switched line opened for a changeover is managed with the parameters configured on this line (value of threshold), the only speed used is that of the switched line. (français: (valeur du seuil). seule la vitesse utilishée est celle de la LC). It is not useful in the case of a changeover to enter the parameters for threshold detection on the switched line. The only obligatory parameters are the maximum data rate and the cost.
For an S network managing the packet in D, load measurement takes place by PLL.
The operating mode described corresponds to the "automatic changeover" behavior configurable in Class 12 of each line (class 30 for the D-channel PLLs). The changeover must be configured on only one of the ends. This service allows the closing of an LS and complete changeover of its traffic onto a faster switched line as soon as the resources of the LS become saturated.
When the upper load threshold is reached, DLM looks in the routing configuration, using as reference the switched aimed point associated with the line, for the 4witched lines and the numbers that it is possible to use to carry overload changeover.
To accomplish this, it is mandatory for the routing of the switched aimed point to be of the type: <LS>, DLM, <SC>. <SC>.
When the connection of the switched line (SC) chosen is defective, dynamic line management (GDL) cuts off through a telemaintenance command the secondary line (LS) to be changed over. Putting this line out of service causes the clearing of all the VCs established. All callbacks are directed to the switched line by the routing configuration.
It is recommended, for callbacks, to use the aimed point routing in order to limit the configuration errors or, failing this, that the routing for these callbacks be also of the type <LS>, DLM, <SL>, <SL>...
When the lower load threshold (configured on original LS) is reached on the SL, the LS is reconnected to the disconnected SL. If it is not possible to reconnect the LS, the switched line is not disconnected. The 0 VG supervision mechanism for switched lines applies also for the switched lines opened for changeover. If a changed over LS goes into service this causes the disconnection of the switched line and consequently cancels the changeover.
The end having caused the changeover by opening a switched line (SL) and then by placing the overloaded secondary line (LS) out of service is not necessarily the one which receives the callbacks following the breaking of VCs established on the LS. Outside of the case of the integrated ISDN accesses (identification of caller), the called side cannot direct the callbacks to the switched line opened for this purpose.
Among the impossible combinations may be mentioned:
Routing with node and line backup DLM:
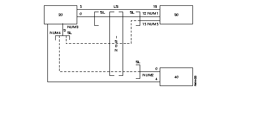
DLM is accessible through routing; its number is equal to 49. Network 9010. Backed up line: 3 node 03, backed up node: 02.

Class 9 ZO known: ZO = 02 -> 4, 6, 0. 3, 49. 13. 14, 7, 8.
3 = secondary line (LS)
12 = S0 interface (12 D channel, 13 and 14 B channel)
06 =S0 interface (06 D channel, 07 and 08 B channel)
DLM is called upon on a call request packet when line 3 Is out of service. A B channel among the B channels of interfaces 6 and 12 is used for the backup of line 3.
In class 12, recurrence 3, the remote equipment parameter (P129) provides the position in class 22 of the aimed point which, here, corresponds to the remote equipment.

In the same configuration as in the preceding example, it must be added that, in the line 3 connection parameters, the return of the backup is required (parameter 130 "behavior"). When this line goes into service, all the switched lines opened on the numbers NUM1 and NUM2 are cut off. The management of call backup by DLM is not necessary for this service.
All the equipment has the DNIC 9000
A and B are X.25 terminals subscribing to securized VC
N1: address E164 (ISDN) of the S0 interface on Z0 01, line 3.
N2: address E164 of S interface on Z0 02, line 4

In class 12 of line 1 of equipment 900001:
Number of consolidations: 2 (minimum)
Upper threshold: 70
Lower threshold: 40
Behavior: on-load changeover
Line 4 of equipment 900002 must be configured with an inactive behavior.
The "slow call" time-out of the securized VC must be more than Nsurv Tsurv of the changed over LSs because equipment 900002 does not detect the going out of service of LS 04 before this period of time during which all callbacks fail.

The use of the aimed point obviates the need to provide several inputs in the routing (and also in class 22) and consequently prevents configuration errors.
Consider two MLP bundles:
The two bundles share a switched line. All SLs are FastPad integrated ISDN (S0 interface) accesses.
The configuration is the following:

For each MLP bundle, it is necessary to give:


Load measurement configuration:
| Node 20: | Class 12, line 5 |
| Number of consolidations: | 3 |
| Upper threshold: | 70 |
| Lower threshold: | 40 |
| Behavior: | Automatic overflow |
| Node 20: | Class 24, rec 5 (DML parameterizing) |
| Integration step: | 20 seconds |
128-kbyte line backup

| Node 01: | |
| Line 3: | 128 kbyte LS |
| Line 6: | Line not used |
| Line 9: | S0 interface (09 D channel, 10 and 11 B channel) |
| Node 04: | |
| Line 4: | Line not used |
| Line 6: | S0 interface (6 D channel, 7 and 8 B channel) |
| Node 02: | |
| Line 4: | 128 kbyte LS |

If line 3 is out of service, routing transmits the calls to DLM when the bundle is inactive. DLM activates bundle 6 to transmit the calls. Subsequently, the calls will transit directly on bundle 6.
The management of the switch lines by the DLM is useful to optimize the back-up and overflow. The connection time over a CSPDN can be reduced and the bandwidth of Leased Line can be chosen correctly, such as users can win money.
The DLM function is able also to manage a pool of switch lines such as B channels as being only one access to ISDN network.
The first thing to do is to activate the DLM function. This one is defined in Class 3 Rec 15 as in the following example:
Ex: Class 3 Rec 15
0 1,GL By default there is 0,GL.
The DLM function, as SVC, compression, has a specific profile in Class 24 Rec 5. This is profile 110. DLM uses some parameters and the routing function. The way to use it will be explained steps by steps and in the examples.
DLM has two main purposes which are Back-up and/or Overflow, of a LL. DLM is able to provide an automatic return regarding the initial conditions. The leased line can belong or not to a bundle, as shown in Figure 7-21.

A set of service parameters will be used on the LL to back-up or to overflow this one. According to the behavior only some of its will be in service. Anyhow two parameters will be always used, this is parameter 130 which defines the behavior and parameter 129 (see principle).
Table 7-1 shows the meaning of parameter 130.
| Par: 130 Values | Behavior |
|---|---|
| 01 | Back-up & automatic return LL |
| 03 | Back-up & automatic return MLP |
| 05 | Overflow & automatic return of back-up LL |
| 10 | Overflow & back-up in MLP |
| 11 | Overflow & automatic return of back-up MLP |
The DLM function is activated at both sides of a leased line but the behavior will be defined at only one side.
The behavior can be either a back-up or an overflow, because DLM will must pass through a CSPDN network there will have a mapping between a X.121 address and PSTN or ISDN address. In fact this mapping table corresponds to the Class 22 already defines in the previous parts of this training manual.
To indicates to DLM which remote switched point it will must reach, DLM will use parameter 129 which is an index to precise the address in Class 22. The decision to establish a switched connection, is done according to the behavior defines by parameter 130.
As soon as that DLM is activated for a leased line which does not belong to a bundle, it will be necessary to use also Secured Virtual Circuit function if the user does not want to lose the session. When the leased line belongs to a bundle the MLP procedure will keep alive the session during the setting back-up phase of the switched connection.
DLM must be able to make the difference between a LL and switched one. Parameter 128 will be used to indicate the cost of the line. 0 for a LL and 1 for PSTN or ISDN.

The CSPDN is a PSTN network. The back-up will be initiated by node 900000. The configuration will be, (see Table 7-2):
| 9000 00 | 9000 10 |
|---|---|
Class 12 Rec 0 | |
0 4 1 129,0 1 130,1 | 0 5 |
Class 22 Rec 0 | |
| 0 900010 | 0 900000 |
Class 22 Rec 1 | |
| 0 A | 0 B |
Class 22 Rec 2 | |
| 0 30,00,00 | 0 30,00,00 |
Class 9 Rec 2 | |
| 0 10 | 0 00 |
Class 9 Rec 0 | |
| 0 4,3,0,0,49,1 | 0 4,2,0,0,1 |
Class 3 Rec 15 | |
| 0 1,GL | 0 1,GL |
When the LL0 will be out of order, DLM will dial over PSTN to reach the remote point A. Of course the session is cleared and to keep it alive it will be necessary to activate SVC.
LL1, LL2,49, SL1, SL2.........
A maximum of 9 lines can belong to a bundle. 49 is the line function number for DLM.
Only one PSTN line can be used.
In case of ISDN SLx identifies B channels.
Parameter 130 will be set to 3 and 129 will indicate the back-up number. In the configuration the bundle is defined in class 25 rec x, where x indicates the bundle's number. Refer to paragraph Example for more detailed.
The difference with case 1 is that the session will be keep alive during the switch over setting phase.
The principle is to define two thresholds on the leased line. Theses thresholds are a percentage of the leased line's bandwidth. Two parameters are used to define its. Parameter 125 which is the Low Threshold and parameter 126 which is the High one.
Of course these parameters need to have a reference to know when the load of the line is higher or lower than thresholds. This reference is given by parameter 28 which precises the data rate. Even if the interface is in DTE mode this parameter will must be set-up to the correct value.
The choice to open a switched connection is done when the amount of data, off all the connected lines is higher than the high threshold defines on the leased line. SeeFigure 7-23Example.

If the thresholds are defined as followed for the node 9000 00, on LL4:
Par 125,70
Par 126,85
Par 28,11 19,2Kb/s
When the load on LL4 will be higher than 85% of 19,2Kb/s, DLM will open the first B channel (here B2). When the load of LL4+B2 will be higher than 85% of 73,2 Kb/s, DLM will open the second B channel (so B1).
The choice to close a switched line is done when the load, of the n-1 opened switched lines, is lower than 70%. With the previous example where the two B channels are opened (a total bandwidth of 147,2Kb/s), DLM will check that if B1 is closed the load will be lower than 70% of 73,2Kb/s. If yes, B1 will be closed.
DLM will try always to use the minimum of switched line.
The behavior of DLM with the thresholds is like an Hysteresis graph.
When the leased line does not belong to a bundle, only one switched line, with an higher bandwidth, can be used. Most of the time it is a B channel.
To be sure that the load is higher or lower than thresholds define on the leased line, there is another parameter which is an integration counter. This parameter(124) (1-250) defines the number of attempts for the load calculation, which will be done before to open or close a switched line. This parameter is set in class 12 rec x. Where x is the LL number.
In Class 24 Rec 5 within the profile 110, two others parameters can be changed:
Some time to reduce the number of S0 interface on an equipment, S0 accesses can be shared between more than one bundle. Shared SO Access Within a BundleFigure 7-24 illustrates the case where the S0 access on node A is shared within two bundle, MLP B' and MLP C'.

To back-up or for an overflow of LLB, node B will take the initiative to open the switched connection through ISDN. Node C will do the same for LLA. For node A, it will must know for which bundle the B channel has been opened. This thing is possible because on each of the LL used on A, parameter 129 will be set-up to indicate with which remote ISDN point the B channel must be connected in case of back-up or overflow.
For node C and B the configuration will be quite the same as in table Table 7-2 (node 9000 00). For node A it will be as shown in Table 7-3.
| Class 12 Rec 6 | Class 12 Rec 0 |
|---|---|
0 4 1 129,0 2 130,0 | 0 4 1 129,1 2 130,0 |
Class 3 Rec 15 | |
| 0 1,GL | 0 1,GL |
Class 9 Rec 0 | |
0 C 1 B |
|
Class 9 Rec 1 | |
0 4,4,0,6,49,4,5 1 4,4,0,0,49,4,5 |
|
Class 22 Rec 0 | |
0 C 1 B |
|
Class 22 Rec 1 | |
| 0 C0 | |
| 1 B0 | |
Class 22 Rec 2 | |
| 0 70,00,00 | |
| 1 70,00,00 | |
For each node, to reach each others the routing will be one choice. So the routing will be: 1,1,0,0.

Because there is only one S0 access on each equipment those ones will be able to know if for an outgoing call a B channel is already opened with the same remote ISDN point to reach. If yes the call will be multiplexed on the same B channel otherwise a second one will be opened.
When an equipment has more than one access, user will like to use these S0 interfaces as if it was only one "big" ISDN access. See Figure 7-26.

The routing would be: 3,2,0,0,3 Type 3 for shared mode.
Now, a subscriber connected behind device Z sends a call request to reach node B. The first choice is the access 0 and a B channel will be opened with the remote ISDN point B. Another Z's subscriber wants to reach node C. The second choice is the access 3 and a B channel will be opened with the remote ISDN point C.
A subscriber from D wants to reach node Z and in its mapping table the corresponding E.164 address is Y. It means that on the BRI Y, the second B channel will be opened.
A subscriber from Z wants to reach node D, according to the routing mode this call will be sent towards access 0 and the second B channel will be also opened.
In this example two B channels are opened for the same remote ISDN point,D. There is no multiplexing. It means that the process system is not able to keep in mind for which remote ISDN point a B channel has been already opened.
However there is a solution for pool system access and its name is DLM.
To use several S0 interfaces as a pool it will be necessary to use DLM. Behind the line function number of DLM there will have the B channels of each S0 interface. So, the routing will be: 4,5,0,49,1,2,4,5
Overflow, DLM changeover through PSTN
This case study addresses the issue of configuring DLM parameters to activate the changeover mechanism. In this example it consists in switching the traffic from one leased line to a PSTN line providing higher bandwidth.
Two Mps are connected via a 9.6 kbits leased line. Modems provide a 19.2 kbits connection through PSTN.
The traffic is switched from the direct line to the PSTN line when the leased line utilization threshold exceeds 70 % of the total bandwidth available (70 % of 9.6 kbits). The leased line parameter specifying the data rate (parameter 28) is used for that purpose.
The traffic is switched back from the PSTN line to the direct line when the PSTN line utilization threshold is less than 60 % of the bandwidth available on the leased line (60 % of 9.6 kbits). This comparison is made to ensure that the traffic will not switch immediately from one line to the other one.
A one minute traffic analysis period of the load keeps from switching from one line to the other in case of short-term bursts of traffic.
Note that when the changeover conditions are encountered, all sessions are cleared. Users or applications must restore communications. The sessions are not interrupted when the "Secured Virtual Circuit" function is configured on the users' access lines (See the section "Backup/Overflow/Dynamic Line Management (DLM)" in this chapter for an example of DLM changeover and SVC).

In the following configuration file example, DLM parameters are configured on node 9000 00.
| 9000 00 | 9000 10 |
|---|---|
Class 1 Recurrence 1 | |
0 1 Type of line 0 : X25 1 1 Type of line 1 : X25 | 0 1 Type of line 0 : X25 1 1 Type of line 1 : X25 |
Class 12 Recurrence 0 | |
0 4 X25 Profile 1 28,10 Data rate 9.6 Kbits 2 124,3 Load analysis integration counter 3 125,60 Low threshold (Load analysis) 4 126,70 High threshold (Load analysis) 5 130,5 DLM changeover | 0 5 X25 profile 1 28,10 Data rate 9.6 Kbits |
Class 12 Recurrence 1 | |
0 40 PSTN X25 Profile 1 28,11 Data rate 19.2 Kbits | 0 41 PSTN X25 profile |
Class 13 Recurrence 1 | |
| 0 40 PSTN Extension Profile | 0 41 PSTN Extension profile |
Class 22 Recurrence 0 | |
| 0 900010 X25 address of remote destination | |
Class 22 Recurrence 1 | |
| 0 1234 PSTN number of remote destination | |
Class 22 Recurrence 2 | |
| 0 30,00,00 In/Out calls over PSTN | |
Class 9 Recurrence 2 | |
| 0 10 ZO number of remote destination | 0 00 ZO number of remote destination |
Class 9 Recurrence 3 | |
0 4,3,0,0,49,1 Routing definition 4 : Routing type 3 : Number of lines 0 : Not used 0 : Leased line number 49 : DLM function id. number 1 : PSTN line number | 0 4,2,0,0,1 |
Class 24 Recurrence 5 | |
0 110 DLM profile 1 127,2 Load analysis elementary period (x 10s) |
|
When the load over the leased line exceed the high threshold (70% of 9.6 Kbits) during at least one minute, the DLM function activates the PSTN line. A V25bis dialing command is transmitted to the modem.
The traffic is maintained over the leased line until the X25 logical levels (levels 2 & 3) are correctly established over the PSTN line.
The leased line is then disconnected by the DLM function. The physical level goes down. The X25 virtual circuits which were established over the leased line are cleared. Users or applications must restore the previous sessions through the PSTN line.
When the load over the PSTN line does not exceed the low threshold (60% of 9.6 Kbits) for at least 1 minute, the physical and X25 logical levels are re-established on the leased line. The PSTN line is disconnected by the DLM function; users or applications must restore the X25 virtual circuits through the leased line.
This case study addresses the issue of configuring DLM parameters to activate the changeover mechanism and SVC parameters on the users' access lines to maintain the sessions when the traffic is switched from one line to the other.
This is in fact the same example as that in shown previously but with Secured mode.

In the following configuration file example, DLM and SVC parameters are configured on node 9000 00.
| 9000 00 | 9000 10 |
|---|---|
Class 1 Recurrence 1 | |
0 1 Type of line 0 : X25 1 1 Type of line 1 : X25 5 2 Type of line 5 : Asynchronous | 0 1 Type of line 0 : X25 1 1 Type of line 1 : X25 |
Class 12 Recurrence 0 | |
0 4 X25 Profile 1 28,10 Data rate 9.6 Kbits 2 124,3 Load analysis integration counter 3 125,60 Low threshold (Load analysis) 4 126,70 High threshold (Load analysis) 5 130,5 DLM changeover | 0 5 X25 profile 1 28,10 Data rate 9.6 Kbits
|
Class 12 Recurrence 1 | |
0 40 PSTN X25 Profile 1 28,11 Data rate 19.2 Kbits | 0 41 PSTN X25 profile |
Class 13 Recurrence 1 | |
| 0 40 PSTN Extension Profile | 0 41 PSTN Extension profile |
Class 12 Recurrence 5 | |
0 8 Asynchronous Standard Profile 1 27,3 Standard terminal 2 94,1 SVC subscription |
|
Class 13 Recurrence 5 | |
0 89 Asynchronous Standard X3 Profile 11 15 Data rate (19.2 Kbits) |
|
Class 22 Recurrence 0 | |
| 0 900010 X25 address of remote destination | |
Class 22 Recurrence 1 | |
| 0 1234 PSTN number of remote destination | |
Class 22 Recurrence 2 | |
| 0 30,00,00 In/Out calls over PSTN | |
Class 9 Recurrence 2 | |
| 0 10 ZO number of remote destination | 0 00 ZO number of remote destination |
Class 9 Recurrence 3 | |
0 4,3,0,0,49,1 Routing definition 4 : Routing type 3 : Number of lines 0 : Not used 0 : Leased line number 49 : DLM function id. number 1 : PSTN line number | 0 4,2,0,0,1 |
Class 24 Recurrence 2 | |
0 46 SVC Network Interface profile 1 21,3 Call retransmission timeout (x 3s) |
|
Class 24 Recurrence 5 | |
0 110 DLM profile 1 127,2 Load analysis elementary period (x 10s) |
|
When the load over the leased line exceed the high threshold (70% of 9.6 Kbits) during at least one minute, the DLM function activates the PSTN line. A V25bis dialing command is transmitted to the modem.
The traffic is maintained over the leased line until the X25 logical levels (levels 2 & 3) are correctly established over the PSTN line (In our test it takes around 40 seconds between the transmission of the V25bis dialing command and the X25 establishment).
The leased line is then disconnected by the DLM function. The physical level goes down. The X25 virtual circuits which were established over the leased line are not cleared on the users' access lines but the traffic is suspended. X25 call request packets are automatically generated by the SVC function to restore the traffic through the PSTN line.
When the load over the PSTN line does not exceed the low threshold (60% of 9.6 Kbits) for at least 1 minute, the physical and X25 logical levels are re-established on the leased line. The PSTN line is disconnected by the DLM function; traffic is resumed via the leased line.
The purpose is to interconnect together node 8000 and the PVDN 9000 with a bundle. This bundle is composed of a leased line at 4,8 Kb/s and a S0 access. If the bundle or the access node are out of order there will have also a back-up solution through ISDN but in SLP for the data link level within the B channel. Figure 7-29 illustrates this case.
The traffic is shared between the direct line and one B channel when the leased line utilization threshold exceeds 10 % of the total bandwidth available (10 % of 4,8 kbits). A second B channel will be opened if the load on the LL and the first B channel exceeds 10% of 68,8 kb/s.
To closed the second B channel the total amount of data, on all the connected Line (a total bandwidth of 132,8 kb/s) will must be less than 6 % of the bandwidth available on the n-1 opened line (6 % of 68,8 kbits). All the traffic will used the leased line when the utilization threshold will be less than 6% of 4,8 kb/s.
The parameter (28) specifying the data rate (parameter 28) is used for that purpose.
A one minute traffic analysis period of the load keeps from switching from one line to the other in case of short-term bursts of traffic.

Since there is a back-up within a bundle there is no need to use the SVC function to keep alive the sessions. The MLP data link level will do it itself.
In node 8000 the routing table for area 9000, the route will be: 4,4,0,4,49,1,2
However, to back-up the bundle or node 9000 10, over ISDN network in SLP mode, it will be necessary that the subscribers use the SVC function if the session must be maintained. Yes, because the first attempts to back-up the leased line will be made by the MLP function. But after the call will be pass to the routing function. This one will try to route the call on the main line of the bundle. The main line is out of order and MLP will try to active the back-up but without success, then the routing will scan from the top to the bottom the mapping table for X.121 and E.164 addresses.
It means that the ISDN number(46941216) use for the SLP mode will must precede the ISDN number(46299390) of the remote access point use for the bundle.
Table 7-6 shows the corresponding configuration.
| Node: 8000 00 | Node: 9000 10 |
|---|---|
Class 1 rec 1 | |
0 14 Type of line for D channel 1 15 Type of line for B channels 2 15 4 1 | 0 14 1 15 2 15 4 1 |
Class 12 rec 0 | |
0 47 ISDN profile 1 2,3 Country; Euro-ISDN(ETSI) 2 62,1 SA 2 64,0 Raw in C10 for the E.164 @ default values 56,2 Number of B channels
| 0 47 ISDN profile 1 2,3 2 64,0
default values 56,2
|
Class 12 rec 4 | |
0 4 1 28,8 Data rate 4,8 kb/s 2 124,2 Integration counter 3 125,6 Low threshold 4 126,10 High threshold 5 128,0 Cost for LL 6 129,1 Raw in C10 for back-up MLP 7 130,11 Back-up, overflow, come back in MLP | 0 5 1 28,8 2 129,0 |
Class 10 rec 0 | |
| 0 41079340:1234 | 0 46299390 |
Class 22 rec 0 | |
0 9000 = = = = 1 9000 = = = = | 0 800000 |
Class 22 rec 1 | |
0 46941216 @ for SLP 1 46299390 @ for MLP | 0 41079340:1234 |
Class 22 rec 2 | |
0 70,00,00 70: Set-up in the both way. 00: Rec 0 in C30 00: Not used 1 70,00,00 | 0 70,00,00 |
Class 30 rec 0 | |
0 5 1 22,1 2 23,2 3 128,1 cost for CS line | 0 4 1 22,1 2 23,2 |
Class 9 rec 0 | |
| 0 9000 | 0 8000 |
Class 9 rec 1 | |
| 0 4,4,0,4,49,1,2 B channels 1&2 for S0 | 0 4,2,0,4,0 |
Class 25 rec 0 | |
0 4 main line in the bundle 2 3 number of line in the bundle 3 4 first line in the bundle 4 0 second line (D channel for ISDN) 5 0 third line ( also D channel) | 0 4 2 3 3 4 4 0 5 0 |
Class 3 Rec 15 | |
| 0 1,GL | 0 1,GL |
The following will happen if there is already sessions established on the leased line and that this one fails.

In data transfer mode the leased line failed, the session still alive because there is the bundle function and this one tries to open a b channel with the remote ISDN point 4629930(Par 129=1). The node 900010 is out of order, the B channel can not be opened and the call is passed to the routing function. The first choice is line 4 and the routing will try once more to reach the S0 access 46299390(Par 129=1). After that the routing scans the mapping table and will open a b channel in SLP mode with the remote ISDN point 46941216.
Class 3 rec 15
index
0 x,GL x=1 DLM function activated
x=0 reverse.
Class 12 Rec X X is the recurrence number of the dedicated line or main line within a bundle.
Par
28,yy yy is the access rate, it must be set even for a DTE.
124 Consolidation (1-250)
125 Low threshold (0-100 %) of the bandwidth (defined by parameter 28)
126 High threshold (0-100%)
128 Cost; 0=LL, 1=switched line (PSTN, ISDN)
129 Row in Class 22.
130 DLM behaviour.01: backup+automatic return (LL) 03:backup+automatic return (mlp)
P
| 05: overflow+ " " " " " " " " " | 10:overflow+ backup ML |
|---|---|
| 11:overflow+auto return of backup(MLP) |
Class 24 Rec 5 This is where is defined DLM function.
Par
126 Function Mode. 0=passive(no action, Parameter 130 not significant)
1= active
127 Integration counter, load calculation(1-250)*10s
128 time between events(0-250)*10s
Line function Number: Class 9 Rec x
index
49 identifies DLM. j 4,nn,0,LL1, LL2, 49,SL1,
SL2 nn is number of lines
Class 25 Rec I (I for Bundle number)
index
0 main line
2 number of line within the bundle (up to 9)
3 first line within the bundle (main one)
4 second one (physical line number, D channel for S0 access (2 times if both B channels
are used)
..
Rerouting allows a server (called: the routing party) to select a received call and send it to another server (called: routed party), transparently for the subscriber.
The basic principles are the following:
The FastPad offers the rerouting features according to two modes:
In both modes the rerouting function has two types of services:
The basic services as described in STURTEL are used. This includes the abbreviated names of the party (configurable), the message is rerouted to.
Two optional services are available, the same which are offered by TELETEL:
The parameters of the rerouting command are limited to 128 bytes if Fast Select is authorized on incoming/outgoing lines (C24R3P54 = 1). The rerouting function is available in all the nodes of the X.25 network. It is realized as an independent function establishing a connection between two FastPad ports. The ports should manage the X.25 or the asynchronous (PAD or VIDEOPAD) protocol.
Access to the rerouting function is realized by subscription. For this purpose, the parameter of the line that received the call must be configured:
| C12P75 | = | 0; no rerouting |
| = | 1; rerouting |
or by using the following procedure:
The management of the two different numbering plans (X.25 and PSTN/ISDN) enables a subscriber or a host to communicate with a remote subscriber connected to a grid X.25 network via a PSTN or ISDN network.
To provide this service, the original call request packet:
The Direction Management system extracts the PSTN/ISDN number as of the "called" X.25 address; the PSTN/ISDN number extracted is deduced from information configured in class 22:
The "ISDN/PSTN numbering plan "/"FastPad address" adaptation takes place in association with the PDN processing (see corresponding chapter).
REMARK: The "called" X.25 address received does not undergo any modification after extraction.
Two subscribers A and B of two different private X.25 networks wish to communicate via the PSTN or ISDN network.

E: "Called" address
T: "Calling" address


E: 904012345677 (SA of final subscriber = 77)
T: 90100101
The DNIC 9040 allows the routing of the CR packet to the PSTN/ISDN outgoing gateway.
During the processing of the incoming call by node 901002, a 9040 prefix elimination is defined in the X.121 address table (C22 R0) and the addition of the prefix 75 is requested in the table of PSTN/ISDN numbers (C22 R1).
After extraction:
E: 904012345677 ("called" address remains unchanged)
T: 90100101
PSTN/ISDN No. extracted: 75123456
E: 904012345677
T: 5765432133
The "calling" address is compacted. The DNIC 9010 is replaced by the PDN number 57654321 and the ZOAB 0101 is FastPad ted in 33 which is the SA of the caller.
The "calling" address remains unchanged but the "called" address is Decompacted. The "called" address is reconstituted as follows:
The CR packet becomes:
E: 90400404 (X.25 address of final subscriber)
T: 5765432133
Processing of "called" address extraction (with prefix elimination/addition) at the PDN network interface does not allow restitution, in the confirmation packet of the "called" X.25 address of the original call request packet.
Consequently, the use of the reduced format (to 3 bytes) of the call confirmation is recommended.
When the complete format with address is used, the calling party receives in the call confirmation packet the "called party" address transformed into a "called party" PDN plus the compacted "called party" subaddress.
The structure of the called address field is in the following form:

As the DNIC of the FastPad numbering plan is fixed at 4 digits, the total number of digits in the PSTN/ISDN No. plus the SA should not be more than 11 digits.
The Direction Management does not manage the ISDN subaddress.
Upon reception of a call-request packet, final choice of routing within a FastPad network may be entrusted to the Dynamic Adaptive Routing (DAR) function. This service allows automatic routing of calls according to the shortest path valid at the time of the call. To accomplish this, knowledge of the network topology is acquired and then updated automatically by an internal self-learning mechanism. The use of this service consequently no longer requires manual configuration of the routing tables to the extent that the DAR function manages its tables dynamically and in real time.
The routing protocol used is of the decentralized type with local calculation of routes. It is distributed on each FastPad switch of the network.
In a network, all the FastPad switches equipped with the DAR service constitute a routing domain within which transit calls are routed automatically. To manage the calls intended for a subscriber outside of the domain of DAR, two possibilities are offered:
REMARKS: The Dynamic Adaptive Routing service is not a substitute for the Adaptive Routing Service presented in the preceding paragraph. It is compatible with it and constitutes an additional routing service. In particular, the routes chosen dynamically by the DAR are subject to anti-loopback control.
Each switch of the DAR domain is capable of identifying its neighborhood (i.e. for each inter-node line, the identity of the neighboring switch) and then distributing this Information throughout the domain. The information packet distributed is called LSPDU (Link State Protocol Data Unit). To accomplish this, the DAR function of each node establishes a permanent VC with all the adjacent nodes which are equipped with the DAR function. The established VC makes it possible to exchange recognition packets between DARs (HELLO protocol) and then to distribute the topology information. This distribution mechanism is activated periodically (configurable parameter). It is also triggered exceptionally following a change in the network topology (putting in or out of service of a line of a domain node). The information thus gathered by each switch is stored in an internal data base and used for the calculation of routes. This calculation is performed periodically or exceptionally and makes it possible to obtain, for each node of the domain, the best route in terms of number of nodes crossed (number of hops). These routes are used for the selection of routing.
Dynamic Adaptive Routing is called in a manner similar to routing on a line. In the routing table corresponding to the desired routing, it is necessary to configure the DAR function number which is 48. For example, in class 9 recurrence xx. the configuration of routing may be:
If, for example, the type of routing consists in taking the list of the lines in a preferential order, the call will be routed preferentially on line DL1 and then, if the call is unsuccessful, the choice of the line will be entrusted to the DAR function.
Finally, if the DAR is unable to reach the party (absence of known route), the call is transmitted over line DL2. The different examples which follow describe some applications of the DAR.
Examples:
By configuring the routing of unknown DNIC and ZO calls on DAR (C9R7 and C9R8 at 2, 2, 0, 48), any call for a switch of the DAR domain is routed automatically over the shortest path.
In the following figure, all the nodes of the domain are configured with C9R7 and C9R8 at 2, 2, 0, 48, 0.

The automatic routing service of the DAR may be configured as a backup line. In a FastPad network in which all routes have been configured manually (tables C9R0 to C9R4), the DAR service may be called upon in the event of failure on the configured routes (for example, 2, 2, 0, DLi, 48 in C9R1). If the failure is due to line or switch trouble, the DAR knows how to find the best route available to reach the subscriber or the node desired.
REMARKS: In order for any new switch introduced into the domain to be immediately reachable, it is preferable to maintain preferential routing on DAR for calls intended for unknown DNICZO addresses.
In the following figure, when a subscriber of node 900010 transmits a call intended for a subscriber of 900040, the call-request packet is routed onto node 900020 (fixed routing configured). With line 3 out of service, node 900020 entrusts the routing to the DAR function. The call is then routed according to the shortest path valid towards node 900040, i.e. line 2 towards node 900030.
Configuration of routing on DNICZO = 900040:
900010: C9R1 = 2, 2, 0, 1, 48
900020: C9R1 = 2, 2, 0, 3, 48
900030: C9R1 = 2, 2, 0, 4, 48

To optimize the crossing of a DAR domain by a call intended for a subscriber or equipment outside of the domain, the use of the "aimed point" service can be interfaced with the DAR service. The procedure consists in converting, in all the switches of the domain, the addresses outside of the DAR domain into the address of a DAR equipment on the border of the domain (C9R11 address conversion tables). Access to the border equipment of the border domain is then obtained according to the best route by DAR.
In the following figure, all the nodes of the domain of DNIC 9000 are aimed point subscribers (P89 = 64 in C12RX). Address 900010 is configured as an aimed point of the addresses in the C9R11 tables and routing on DNICZQ = 900010 is entrusted preferentially to the DAR (C9R1 = 2, 2, 0, 48, 0). Thus, any call for a subscriber of DNIC = 8000 which transits through the domain is routed automatically onto node 900010 according to the shortest route.

REMARKS 1: In the X.25 connection profiles (profiles 4 and 5), the default values of the parameters previously described are compatible with DAR operation; only parameter 124 must be set so that the line is managed by the DAR.
REMARKS 2: V10.1 - V10.2 compatibility
For a V10.2 software version of the DAR function running on equipment in V10.1 configuration, it is necessary to add DAR subscribers (real path and user interface) in the table of internal subscribers (see C4 of configuration manual).
The parameters enabling the checking of the operation of the DAR function are in class 24 recurrence 5. The default values of these parameters are configured in profile 110. Some of them are capable of being modified according to the operating mode of the DAR desired.
Three DAR operating modes may be configured:
This parameter is used to set the distribution period for topology information (LSPDU) exchanged between DARs (values between 1 and 250 in steps of l 0 seconds; default value = 3). If this period is set at a high value, a node which is starting requires a long time to completely update its data base. This node is however known to the rest of the domain (owing to the "exception" distribution mechanism) but it knows only its immediate neighbors before the distribution of all the LSPDUs of the domain.
This parameter is used to set the maximum number of information packets (LSPDU) that a DAR can store in its data base. In order for all the DAR switches of a routing domain to be taken into account, the value of this parameter must be at least equal to the number of switches in the domain (values between 1 and 250; default value = 50). e.g.: for versions V10.2 and V11.1, the size of the network is about 50 nodes; beyond this number, the computation time may become very long.
This parameter is used to set the calculation period for routes with the shortest path used by the DAR. In order for the calculation of these routes to be carried out with the latest topology information (LSPDU) coming from all the DAR switches of the domain, it is preferable that the calculation period be at least twice as long as the LSPDU distribution period (values between 1 and 250 in steps of 10 seconds; default value = 6).
This parameter is used to set a threshold associated with the life of the LSPDU, below which the DAR sending the LSPDU is requested to redistribute a new LSPDU In the domain. This mechanism avoids the clearing of LSPDUs which are transmitted at low frequencies (values between 1 and 250 in steps of 10 seconds; default value = 6).
This parameter is used to lock, for a period of time, the calculation of routes which is initiated following the reception of an exception LSPDU (i.e. following a modification in the topology of the domain). This mechanism spares the DAR the task of performing several times the new route calculation to the extent that several exception LSPDUs will be distributed following the topology change: all the neighbors of the node concerned will transmit an exception LSPDU (values between 1 and 250 in steps of 10 secondS; default value = 2).
When there is a transfer via the ISDN, the routing knows only about the SO interface and not about the B-channels. The line number is the D-channel.
The line number is determined by the connect function: channel B1 or B2 or the PLL number.
|
|