|
|
In a LightStream 2020 multiservice ATM switch (LS2020 switch), all traffic passing over the network is connection-oriented. This means that connections must be established before any traffic can be transmitted or received. This chapter describes the connection and data transport services provided in an LS2020 network, as well as the types of services provided for managing virtual channel connections (VCCs).
This chapter is recommended reading for anyone who will configure or control and LS2020 network.
An LS2020 switch provides the following connection and data transport services to network users:
These LS2020 services are discussed separately in the following sections.
ATM user network interfaces (UNIs) allow non-LS2020 ATM networks or other ATM-capable devices to use the LS2020 backbone network for data transmission. The LS2020 ATM UNI interface conforms to the structure and field encoding conventions defined by the American National Standards Institute (see Table 2-1).
ATM UNI interfaces are managed through the use of data structures maintained in the standard Management Information Base (MIB) and the LS2020 enterprise-specific MIB of each LS2020 switch in the network.
An ATM UNI PVC is defined by the two ATM endpoints (the source port and the destination port) at the edges of the network and the local virtual channel identifiers (VCIs) associated with that particular PVC. The VCI is a value used by ATM switching devices to identify the virtual channel links that form a part of the overall virtual channel connection.
Figure 3-1 shows two ATM UNI PVCs: PVC 1 and PVC 2. In this particular network configuration, it is not necessary for switch N1 to segment incoming traffic from the T3 trunk line into ATM cells, since the traffic exists as ATM cells on arrival from a neighboring network. However, switch N1 must examine the VCI values in the arriving ATM cells in order to determine the PVC on which the traffic should be relayed. Each incoming cell is then passed appropriately through the network on the specified PVC.
When the cells reach the final LS2020 switch in the PVC, they are passed out of the LS2020 network on the correct destination port and virtual channel.

Figure 3-2 shows the source end of a PVC as the ATM cells enter the LS2020 network.

Figure 3-3 shows the destination end of the same PVC (see Figure 3-2) as the cells exit the LS2020 network.

An LS2020 network supports transparent and translation LAN switching within the network, as well as across an ATM network.
From a user viewpoint, an LS2020 network can be regarded as a collection of LAN switches connected through the ATM backbone, with one LAN switch per LS2020 switch. Externally, all the LAN switches in the network appear to share a single broadcast medium within the ATM network. Each LAN switch has one internal connection to an internal broadcast backbone.
Figure 3-4 shows the LS2020 LAN switching model.

LS2020 LAN switching is implemented as a cell internet with underlying ATM features. LAN switching includes the following services, each of which is described in this section in the following order:
If you overlay a connectionless service such as LAN switching on an ATM network, the LS2020 network automatically manages the VCCs and the bandwidth allocation for the LAN-switched traffic. These operations are invisible (transparent) to the network user.
The bandwidth and traffic management services provided by an LS2020 switch in a LAN switching environment are summarized briefly below:
The purpose of a spanning tree in a network is to find the shortest path from each source endpoint in the network to its destination endpoint. To do this in an LS2020 network, the spanning-tree protocol uses an algorithm that enables a learning bridge (a network device) to dynamically avoid loops in the network by creating a spanning tree. Therefore, from a functional standpoint, a spanning tree is a loop-free subset of overall network topology.
A learning bridge is a network device that performs media access control (MAC) address learning in order to reduce network traffic. A MAC address is a standardized data link layer address required for every port or device connected to a LAN. Other devices in the network use these MAC addresses to locate specific ports in the network and to create and update network routing tables and data structures. Learning bridges in the network manage a database of MAC addresses and the interfaces associated with such addresses.
To detect loops in a network, learning bridges exchange messages with each other called bridge protocol data units (BPDUs). When a loop is detected in the network, the loop is removed from the network by disabling selected LAN ports.
An LS2020 network supports the IEEE 802.1 Spanning-Tree Protocol (STP). This protocol supports bridging domains and allows LAN bridging devices to construct a loop-free network topology across an extended LAN for the purpose of exchanging BPDUs.
Previous implementations of the LS2020 LAN switching architecture were structured in such a way that loops could not occur in a network consisting solely of LS2020 switches. The spanning tree protocol was limited to:
Furthermore, any port that needed to be part of a LAN workgroup required that the port be in a "spanning tree enabled" state in order to allow the port to forward its BPDU packets, as well as to allow the port to participate in the spanning tree.
However, in an LS2020 network containing LAN switches from multiple vendors, spanning-tree support was required in order to ensure the interoperability of all LAN switching devices in the network.
A LAN switching network that observes the IEEE 802.1 Spanning-Tree Protocol (STP) exhibits the following characteristics:
If the IEEE 802.1 STP algorithm detects a loop in the network, one of the ports on a LAN switching device is placed in a "blocking state" to break the loop. In this state, the port discards all LAN-switched traffic, does not forward any data, and stops the process of learning MAC address information.
The LS2020 spanning tree protocol implementation has been enhanced, allowing you to "enable" or "disable" the spanning tree function on a per-port basis for any Ethernet LAN or FDDI LAN interface in your LS2020 network. You can control the state of each LAN port through a variable called lsLanPortStpStatus by using either the standard CLI or the LS2020 configurator to establish or alter the value of this variable.
The effects of enabling or disabling the spanning tree function on any given LAN port are summarized below:
The lsLanPortStpStatus variable has implications for LAN segments defined as workgroups in an LS2020 network. These implications arise from the fact that a network consisting of many LAN workgroups inherently introduces the possibility of loops within the network.
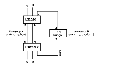
For example, Figure 3-5 is a simplified representation of two LAN workgroups configured across two LS2020 switches with an external LAN bridge. Workgroup A contains one loop (ports a, h, g, b, and a), and workgroup B contains another loop (ports b, g, f, e, d, c, and b).
The spanning tree protocol detects the presence of these loops in the network and blocks one of the ports from participating in the loop. For example, if either port a or h is blocked, workgroup A loses its connectivity, and that segment of the network breaks down. Similarly, if either port b or g is blocked, workgroup B loses its connectivity, and that segment of the network breaks down.

Therefore, to overcome this limitation, the spanning tree protocol has been enhanced to allow LS2020 users to set LAN ports to a special port state called "stp-traffic=disable." In this state, a LAN port performs full dynamic bridging of user data, but will not be allowed to participate in the spanning tree protocol.
Considering again the workgroup example in Figure 3-5, assume that you have set ports a and h in workgroup A to the "disabled state." In this state, all BPDUs are discarded at these ports. Therefore, the spanning tree protocol assumes that there is only one path of connectivity between LS2020 1 and LS2020 2, namely, through ports b and g. Hence, the spanning tree protocol will not block any ports pertaining to the first loop (workgroup A).
The spanning tree protocol will discover the second loop, and since all the relevant ports (b, g, f, e, d, c, b) are participating in the spanning tree, the protocol will block any one of these ports (as it should). Thus, workgroup B will no longer contain a loop, allowing workgroup B to retain its connectivity. Consequently, both workgroups function properly.
On the other hand, setting one of these ports (b, g, f, or c) to the "disabled" state will prevent the spanning tree protocol from discovering the existence of this second loop, since the port will discard any incoming BPDUs and will not generate any BPDUs.
Consequently, you must manually avoid loops in network topology. Given the example in Figure 3-5, you can avoid the loop in workgroup B by setting any one of the ports c, d, e, or f to a blocking state by disabling the port or by removing the cable connection to one of the ports.
In general, defining LAN segments into workgroups yields the following benefits to LS2020 users:
LS2020 LAN switching functions support custom filters on LAN interfaces. You can create custom filters and assign them to ports using either the LS2020 configurator or the CLI. Based on the filters applied to a port, the LAN switch drops or forwards incoming frames. For example, you can prohibit a particular protocol from passing between two ports by creating an appropriate filter for each port.
You can create custom filters on a per-chassis basis. Note, however, that custom filtering applies only to inbound traffic.
Creating a custom filter consists of defining the filter and assigning that filter to a particular port or ports. You can assign multiple filters to one port, or you can assign the same filter to multiple ports.
Before you can create custom filters, you must configure a chassis and at least one FDDI, Ethernet, or Fiber Ethernet card and its associated ports.
The LS2020 custom filtering capability for LAN flows supports the following functions:
For information about configuring custom filters, see the LightStream 2020 Configuration Guide.
LS2020 LAN switching software supports static filtering (also called static bridge forwarding) as defined in IEEE 801.d. Using the LS2020 configurator or the CLI, you can make static entries in the LAN switch's filtering database.
For example, you may want to make a static entry if you are directing a broadcast to specific ports in order to limit broadcast propagation. You can also make a static entry if you have an endstation that only receives traffic, in which case, the LAN switch cannot learn about the endstation.
For information about configuring static filters, see the LightStream 2020 Configuration Guide.
LS2020 LAN switching software provides the following capabilities to limit broadcast traffic on the network:
The following sections describe VirtualStream, Cisco Systems' suite of virtual LAN internetworking facilities:
AS/QoS allows you to assign traffic management attributes to LAN flows. By associating a traffic profile with a custom filter, you can determine which LAN flows should receive a specific type of service. For example, you can configure the following traffic profile parameters:
For more information about setting a traffic profile, see the LightStream 2020 Configuration Guide.
High-performance multicast service (HPMS) allows multicast and broadcast flows to be sent across an LS2020 network at wire speed. This feature supports multicast groups, which are lists of destination ports through which you can deliver LAN traffic using an ATM point-to-multipoint VCC.
Multicast group members may be present anywhere in the network and need not share the same media type. For example, members can have a mix of Ethernet and FDDI ports. Furthermore, members can have multiple multicast groups, and a LAN port can belong to multiple groups.
When you assign a custom filter to a LAN port, the port may have an associated multicast group, assuming that the action of the filter is to forward the matching LAN flow.
A traffic profile must be assigned to the multicast group. For this purpose, a set of default parameters for the traffic profile associated with the multicast group is provided. You can use these default parameters, rather than explicitly configuring traffic profile parameters.
When a LAN flow matching a custom filter is detected, a point-to-multipoint VCC is created from that source port to each of the ports comprising the multicast group. If the source port is also a member of the multicast group, it is not included as a destination port of the point-to-multipoint VCC.
You cannot modify the definition of a multicast group while the multicast group is assigned to a filter. If you want to define a new multicast group (with a different group ID), you must change the assignment for the filter to a new ID. When you change to the new ID, all active flows terminate and rebuild according to the new multicast group membership definition.
For more information about assigning multicast groups, see the LightStream 2020 Configuration Guide.
A workgroup is a collection of LAN ports configured to communicate with each other. By assigning groups of ports to different workgroups, you can ensure privacy between groups or limit the impact of one group's traffic on that of another group.
You can create workgroups through the use of the LS2020 configurator or the CLI. By default, all ports in the network are assigned to a single workgroup, thereby ensuring that the default behavior of the network is the same as that of an ordinary LAN switched network.
In an LS2020 network, ports can
Figure 3-6 shows a typical workgroup configuration.
Ports a, b, c, d, e, and f belong to only one workgroup; these ports can communicate only with other ports in that workgroup.
Ports g, h, and i belong to two workgroups; therefore, these ports can communicate with ports in either workgroup.
Port j belongs to all three workgroups; therefore, it can communicate with all other ports.
For more information about configuring workgroups, see the LightStream 2020 Configuration Guide.

The LS2020 supports a Frame Relay data communications equipment (DCE) interface to which you can connect routers, packet switches, and other devices that have Frame Relay data terminating equipment (DTE) interfaces. The LS2020 also supports a Frame Relay network-to-node interface (NNI) to which you can connect other Frame Relay switches or networks.
Using Frame Relay services, an LS2020 network can accept traffic at a single port and send that traffic to multiple destinations. This capability contrasts with frame forwarding services, in which all traffic received on a particular port is sent to only one destination port.
A Frame Relay PVC is defined by two endpoints (Frame Relay ports) at the edges of the network and the local data link connection identifiers (DLCIs) associated with the endpoints. The LS2020 network uses the DLCI associated with each frame to determine its PVC. The LS2020 switch then segments each frame into ATM cells and sends them to their destination(s).
Figure 3-7 shows three Frame Relay PVCs. As Figure 3-7 indicates, more than one Frame Relay PVC can exist between the same LS2020 switches.

Figure 3-8 and Figure 3-9 show how frames with multiple destinations are received on one port and passed through the LS2020 network to destinations.

The LS2020 switch at which the traffic enters examines each frame's DLCI and determines the PVC on which the traffic should be passed. The frame is then segmented into ATM cells.
Each cell is passed through the LS2020 network on the selected PVC. When the cells reach the final LS2020 switch in the network, they are reassembled into a frame and passed out of the network on the correct destination port and DLCI (see Figure 3-9).

Frame forwarding services enable you to replace direct connections between devices that support HDLC and SDLC protocols with a connection through the LS2020 network. This capability allows you to interconnect older devices that do not support Frame Relay, ATM UNI, or LAN interfaces. For example, you can use the frame forwarding service to interconnect X.25 packet-switching nodes or SNA devices through an LS2020 network.
Frame forwarding PVCs provide a "virtual wire" between two network ports on the edges of an LS2020 network. Thus, all traffic that enters the LS2020 network on a particular frame forwarding port can be sent through the network to a destination port at the other end of the virtual wire. However, all such traffic entering the network on a particular frame forwarding port must have the same destination port at the other side of the LS2020 network.
Unlike circuit-switched connections, which require permanent bandwidth reservation between source and destination ports, the frame forwarding function uses only internal network bandwidth when an actual frame is to be sent; thus, no network bandwidth is consumed during interframe gaps.
A frame forwarding PVC is defined by two endpoints (ports) at the edges of the network. Figure 3-10 shows two frame forwarding PVCs. The endpoints of PVC 1 are Port 1 on N1 and Port 3 on N3. The endpoints of PVC 2 are Port 2 on N1 and Port 6 on N4.
There may be any number of LS2020 switches between the frame forwarding endpoints. The LS2020 network selects the best route between the endpoints and transmits the ATM cells along that route.

Circuit emulation services enable you to interconnect existing T1/E1 interfaces and other kinds of constant bit rate (CBR) equipment. Circuit emulation traffic is carried across an LS2020 network by means of a PVC.
CBR services typically include handling traffic for the following:
With circuit emulation services, a bit stream received from an external device at one edge of an LS2020 network is converted into ATM cells, sent through the network, reassembled into an appropriate bit stream, and passed out of the network (see Figure 3-11).
Circuit emulation services do not interpret or alter the contents of the data stream. All bits flowing into the input edge port of the ATM network are faithfully reproduced in an appropriate form at the corresponding output edge port of the PVC.

When equipped with appropriately configured hardware, software, and network management tools, an LS2020 switch can be used to globally synchronize constant bit rate (CBR) traffic in an LS2020 network to a central reference clock signal. This network timing distribution service, called Nettime, enables synchronous clocking and synchronous residual time stamp (SRTS) clocking functions to be accomplished by means of an LS2020 switch.
For Nettime services, you can specify three possible sources for a reference clock signal:
The Nettime service uses the Release 2 switch card to distribute a single reference clock signal to all the line cards in an LS2020 chassis.
Up to ten Nettime reference clock sources can be configured for the LS2020 chassis. These clock sources are ordered by preference of use. Thus, at LS2020 node initialization time, a table of clock source preferences is searched, and the first available clock source is selected for Nettime functions.
If the preferred source is not available or fails for some reason, the Nettime service automatically switches to the next most preferred source.
You can specify the Stratum 4-capable internal/local oscillator on a Release 2 switch card as the preferred clock signal source. Should you specify other than the internal/local oscillator as the preferred source and that source is not available, the internal/local oscillator of the switch becomes the signal source by default.
If one of the switch cards fails in an LS2020 chassis equipped with redundant Release 2 switch cards, the Nettime service automatically grants control to the other card for distributing the reference clock signal.
Network timing services depend on specific hardware capabilities in an LS2020 switch. The Nettime facility requires the presence of at least one Release 2 switch card in the chassis, as well as one or more Nettime-capable access cards.
A Nettime-capable access card provides a reference clock signal received from one of its line ports to a Release 2 switch card in the LS2020 chassis, as follows:
A reference clock signal can be distributed to all Nettime-capable interfaces in an LS2020 network by means of the following LS2020 access cards:
These access cards can receive reference clock signals on their ports, as well as serve as a source of reference clock signals for distribution to other Nettime-capable ports within an LS2020 network.
Nettime software ensures consistency of reference clock signals within an LS2020 chassis. For example, no more than one access card can provide clock signals to a Release 2 switch card. Also, a Nettime-capable access card can detect when an external reference clock source fails and can generate a Nettime trap to signal the failure. (A trap is a message generated by software within the LS2020 that notifies you of an error condition or provides essential operational information.)
If a more preferable clock source becomes available, the Nettime service does not cut over to that source until you specifically request it to do so by issuing the CLI set nettime reset-level command.
The CLI enables you to request a cutover to a specific clock source. If the requested clock signal is available, Nettime uses that signal. If the requested clock signal is not available, Nettime searches through the preference list for the next available clock source.
In a dual switch card configuration, you can request a planned cutover of network timing functions from one card to the other, thereby allowing testing to be done on the clock distribution circuitry of the non-active (backup) card.
For detailed information about requesting cutovers to a specific clock source, refer to the LightStream 2020 CLI Reference Manual.
The LS2020 provides comprehensive traffic management services for virtual channel connections (VCCs). This section describes these services and their user-configurable attributes.
An LS2020 network offers limited IP routing services to enable the flow of SNMP, Telnet, and FTP traffic between LS2020 switches and an external network management system (NMS).
An NMS can attach directly to an NP Ethernet port, or it can attach through an Ethernet or FDDI edge interface. Every NP has an internal IP address, and the internal network routing database contains sufficient information for incoming IP packets to be routed between any NP in the network and any FDDI or Ethernet port, including the Ethernet port on the NP card.
Many of the internal mechanisms governing the traffic management services supplied to individual VCCs are affected by the settings of user-configurable parameters. These parameters are described briefly below.
Five priority levels are defined for servicing cell queues wherever such queues exist in the network. All cells waiting to be forwarded at a given priority level are serviced prior to those of lower priority. The highest priority level is reserved for constant bit rate (CBR) traffic. The next highest priority level is reserved for internal control traffic. The remaining three priorities are for other types of user traffic.
An LS2020 network manages two kinds of available bandwidth:
The connection admission control (CAC) function in an LS2020 network is a traffic management capability that determines whether the network can provide a data transmission path with sufficient bandwidth to support a requested virtual channel connection (VCC).
An LS2020 network establishes requested VCCs through either of two methods:
To support a requested VCC, an LS2020 network must be able to allocate sufficient bandwidth along the intended transmission path and to impose a limit on the amount of traffic that the VCC can carry. However, the network must allocate sufficient bandwidth to meet the user's service goals, while at the same time guarding against congestion and unruly traffic sources.
A traffic policing function in an LS2020 network is used to ensure that traffic entering the network conforms to a pre-defined set of traffic parameters, so that a misbehaving endstation at the edge of the network cannot gain more than its allocated amount of network bandwidth.
Thus, traffic policing in an LS2020 network is accomplished at the edges of the network for both frame-based and cell-based traffic. The traffic policing function determines whether traffic is allowed to proceed into the network, and whether such admitted traffic should use allocated or best effort bandwidth.
For any given VCC, the traffic policer operates according to the following static parameters:
The traffic policer uses a dynamic parameter (controlled by a rate-based congestion-avoidance mechanism) called total rate, which is never lower than the insured rate nor higher than the maximum rate.
Traffic that exceeds the insured rate and burst parameters, but which is within the total rate and maximum burst parameters, is called excess traffic and uses best effort bandwidth allocation. Traffic that exceeds the total rate and maximum burst parameters is dropped.
Although traffic policing is a prevalent mechanism for discarding traffic that the network cannot handle, occasional traffic congestion can occur within the network due to statistical fluctuations that cause local overload. When such an overload condition occurs, cells are discarded according to their cell drop eligibility level. Cells with a high drop eligibility level are discarded before cells with a lower drop eligibility.
Three levels of cell drop eligibility are defined, ranging from most eligible to least eligible, as follows:
The rate-based congestion-avoidance mechanism continuously monitors best effort bandwidth availability in an LS2020 network and adjusts the total rate parameter of each VCC policer. The mechanism is aimed at maximizing the use of bandwidth resources (such as trunk lines) and preventing too much traffic from entering the network and causing congestion.
The traffic attributes described in this section affect the operation of the internal traffic management mechanisms described earlier. These traffic attributes are explicitly configurable for Frame Relay, frame forwarding, CBR, and ATM UNI interface services.
A predefined set of attributes is assigned to implicitly-established VCCs that carry internal control traffic and switched Ethernet or FDDI LAN traffic.
The following user-configurable rate parameters enable you to control the traffic rate associated with VCC services:
The first four traffic attributes listed above establish the corresponding traffic policing parameters. Allocated bandwidth, used by the bandwidth allocation and connection admission control mechanisms, is the sum of the insured rate plus a fraction (specified by the secondary scale) of the difference between the maximum and insured rates.
Two principal service types, guaranteed and insured, share control over cell drop eligibility with the rate parameters.
If the rate is within the insured rate value, the traffic is given lowest cell drop eligibility (insured), whether or not the VCC is designated as having guaranteed or insured service. The likelihood of cell dropping of insured traffic is negligible, because all available network bandwidth is allocated to insured traffic.
For best effort traffic, insured service provides best effort (highest) cell drop eligibility, while guaranteed service provides best effort plus (medium) cell drop eligibility.
The transmit priority controls the traffic delay characteristics of a VCC. The transmit priority is defined by either of two values: 0 or 1.
For traffic that is significantly delay-sensitive, transmit priority 1 should be used. For traffic that is less delay-sensitive, or relatively delay-insensitive, priority level 0 should be used.
The value 0 indicates the lowest of five priority levels maintained by the transmit priority mechanism. The value 1 indicates a higher set of priorities. The highest priority in this set is used for CBR traffic, while the next priority is reserved for control traffic.
The transmit priority has a secondary effect on the selective cell discard mechanism. Specifically, for a given cell drop eligibility level, those cells that are assigned a higher transmit priority are less likely to be dropped than those assigned a lower transmit priority.
A traffic profile is a specific set of values for the user-configurable traffic attributes. Traffic profiles allow the LS2020 quality of service (QoS) feature to associate user-configurable traffic parameters with switched traffic flows.
|
|